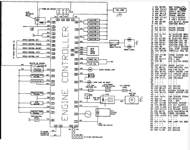
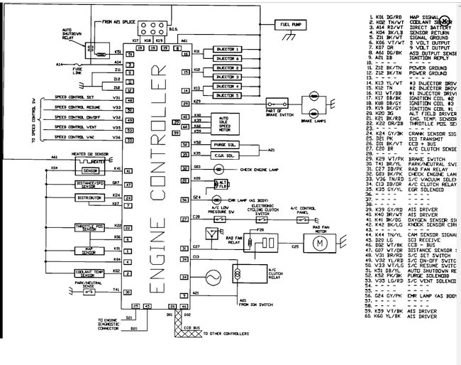
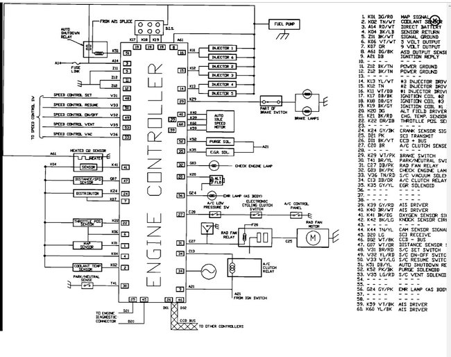
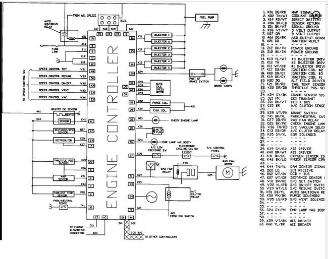
Dose anyone know where the fuel pump relay is on my 1991 dodge caravan (3.3 L V6)? I have looked on the drivers side fender and it is not there, I have called the dealer and ask them, they say it is on the firewall with one screw holding it on and gave me a part number, but I can not find that relay anywhere. It is not in the fuse panel ether. Please help I am pulling my hair out over here.
Friday, February 8th, 2008 AT 5:18 PM



