HOME
ASK A QUESTION
REPAIR GUIDES
BECOME A MEMBER
LOG IN
Login with Facebook
OR
Remember me
NOT A MEMBER?
FORGOT PASSWORD?
CONTACT US
PRIVACY POLICY
TERMS AND CONDITIONS
☰
Home
Isuzu
Rodeo
Engine
Computer
Limp Mode - Reduced Power
Reduced power turns on when idling
PREV
1
2
NEXT
MIKEANDIKE
MEMBER
4 POSTS
Where is that location?
Was this
answer
helpful?
Yes
No
Friday, January 8th, 2021 AT 9:25 AM (Merged)
WRENCHTECH
MECHANIC
20,761 POSTS
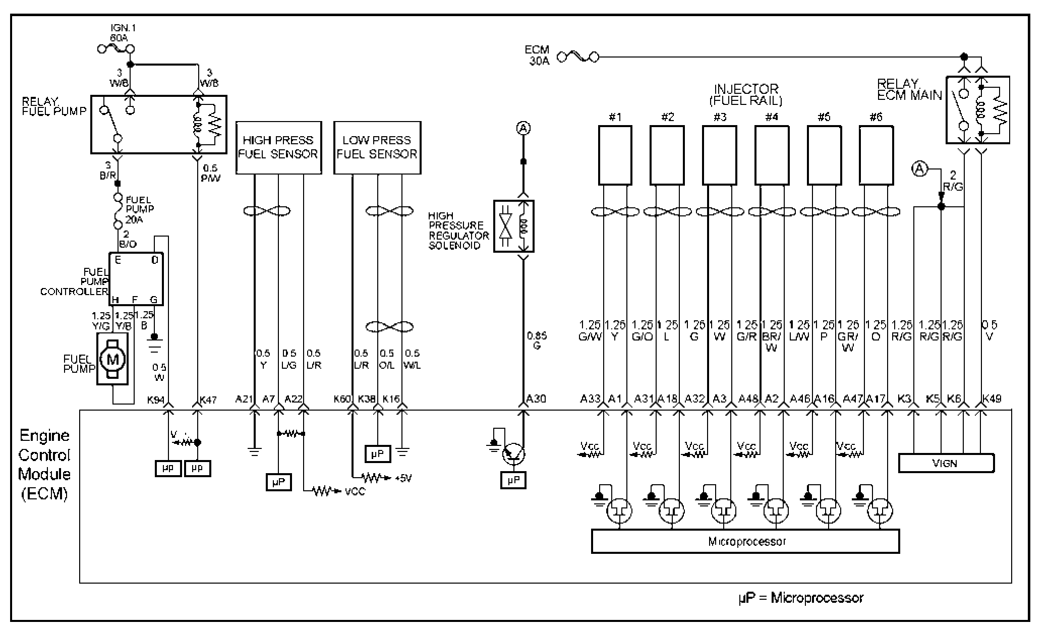
Location of what? The circuit is a system not a thing.
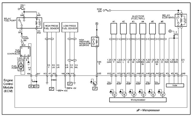
Here is the wiring diagram.
Image (Click to make bigger)
Was this
answer
helpful?
Yes
No
+1
Friday, January 8th, 2021 AT 9:25 AM (Merged)
MIKEANDIKE
MEMBER
4 POSTS
Thanks.
Was this
answer
helpful?
Yes
No
Friday, January 8th, 2021 AT 9:25 AM (Merged)
PREV
1
2
NEXT
Please
login
or
register
to post a reply.
Related Engine Computer Limp Mode - Reduced Power Content
2004 Isuzu Rodeo Reduce Power Light Is On
I Can't Drive Over 20mph Shows Code Po354 Primary/secondary Circuit Malfuntion
Asked by
g-force5
·
1 ANSWER
2004
ISUZU RODEO
GUIDE
Reduced Power - Limp Mode
The computer system that controls your car has a built in safety feature called "Reduced Power" or "Limp Mode" which is designed to get the car where it is...
1996 Rodeo Ob2 Wont Scan
My Engine Light Is Coming On But Scan Port Is Not Getting Power To Scan It. It Started To Missfire Bad And Not Go Over 15 Mph. Engine Light...
Asked by
inline1809
·
3 ANSWERS
1 IMAGE
1996
ISUZU RODEO
1998 Isuzu Rodeo Question Should I Listen To The...
After Not Using My Isuzu Rodeo For Two Years And Leaving It Outside In My Parking Lot, I Decided This Week To Get It Fixed Because The...
Asked by
VAIO19
·
5 ANSWERS
1998
ISUZU RODEO
1995 Isuzu Rodeo Question 2 And 5 Cylinders Arent...
I Am Stationed Over In Italy With The Military And My 1995 Rodeo Has Been Lagging Lately, I Took It In For A Tune-up And The Mechnic Fixed...
Asked by
flusham
·
3 ANSWERS
1995
ISUZU RODEO
1996 Isuzu Rodeo Question Eng Faltering (starving For...
Engine Mechanical Problem 1996 Isuzu Rodeo Question 6 Cyl Two Wheel Drive Manual 164k Miles My Rodeo Acting Like It Has Clogged Fuel...
Asked by
katsquest
·
1 ANSWER
1996
ISUZU RODEO
VIEW MORE
Ask a Car Question. It's Free!
Engine Oil Change and Filter
Engine Oil Change and Filter Chevrolet
Oil Change Chevrolet Silverado HD Diesel 2013