No engine does not run. No crank, no start, only dash lights?

Tiny
HAL1958
  • MEMBER
  • 89 POSTS
I got the PCM back. They said it had a software failure and corrected it without having to open it. I installed it and the car started and a few minutes later the same problem again that I started with weeks ago. The Red Coolant light stop engine came on and it shut the engine down. It would not restart. What is causing this warning light to come on and shut the engine down? Is there a Mercedes specialist there that can solve this problem?
Was this
answer
helpful?
Yes
No
Tuesday, November 14th, 2023 AT 4:07 AM
Tiny
KEN L
  • MASTER CERTIFIED MECHANIC
  • 55,322 POSTS
I would double check the connection at the engine coolant sensor. I will give this to our expert forum to see if anybody has seen this problem before.
Was this
answer
helpful?
Yes
No
Tuesday, November 14th, 2023 AT 7:34 AM
Tiny
AL514
  • MECHANIC
  • 5,590 POSTS
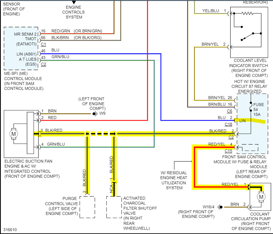
At key on, before fuse 54 pops do you lose this Lin Bus coming from the SAM module? I would also try unplugging the Purge valve and this Charcoal Filter Shutoff Valve temporarily, if they are on this same circuit. Granted if these diagrams are correct, but at that point in warm up, the DME might start purging the Evap system. Just throwing out possibilities here. Maybe the Lin bus goes down when fuse 54 pops. If the Coolant pump is actually on this circuit as well, that could account for the Temp Light.

Looks like the Air Pump relay is on Circuit 87 relay as well, something else to unplug, with the DME software becoming corrupt, there may be some voltage spike hitting the computer, might be a software update as well if you go through the TSBs, these vehicles are very difficult with so many modules.

This code looks like the Lin bus, AS61 from this ME-SFI control module which the front SAM module is setting. So there's something going on in this area, one of these modules is probably pulling down the CAN bus as well, causing all these other CAN codes to set and a no start condition. You could scope the CAN bus and probably watch it be pulled to ground or power when the fault occurs.

Looks like the CAN C is the network that's going down, almost every module setting a communications code is on the CAN C bus.
Was this
answer
helpful?
Yes
No
Tuesday, November 14th, 2023 AT 2:54 PM
Tiny
STEVE W.
  • MECHANIC
  • 15,682 POSTS
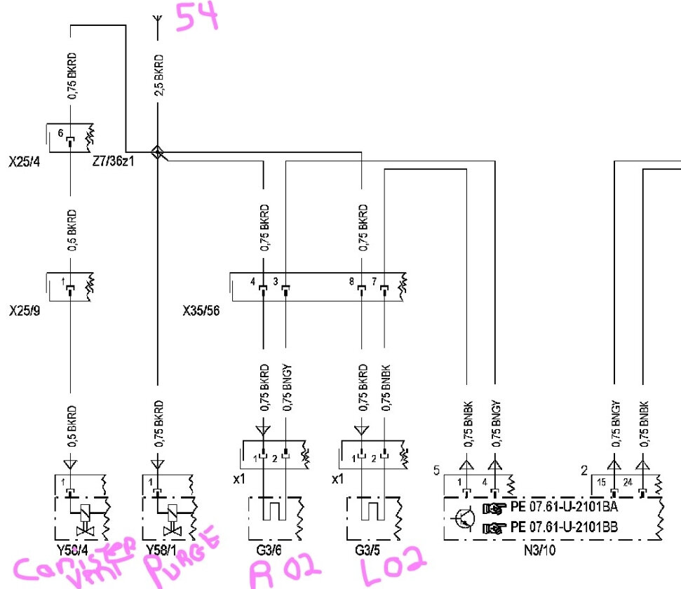
Hmm looking at an OE wiring diagram I show 54 feeding the downstream O2 sensor heater circuits as well as the vent valve and purge valve. It also feeds the fuel injection control module. Reading through the post it could be that the O2 heater on one side is shorted, that could cause a voltage drop that ruins the injection system and a no start. On the module programming, MB doesn't like it if only one module is re-flashed, on most you need to connect them up and flash all the interconnected modules up to the same level or it will reject the one that is the newest level because the checksum doesn't match the number in the security module. Makes it a real PIA to deal with. Attached is the 54 circuit Benz shows.
Was this
answer
helpful?
Yes
No
Tuesday, November 14th, 2023 AT 4:27 PM
Tiny
HAL1958
  • MEMBER
  • 89 POSTS
Fuse 54 doesn’t blow anymore after having the PCM software repaired. It started when I installed the PCM and a few minutes later it shut down and the red coolant stop engine light came on and it would not crank again. With key in 2nd position and dash lights on the radiator fan goes into high speed and only stops with key off or fan connector disconnected. It thinks it’s overheating so it won’t let me start the engine. I have to keep my battery disconnected because the ESP module is buzzing even with key removed and draining the battery. That’s another problem. What items trigger the coolant light to come on? Is it a bad CAN C, radiator fan, coolant pump, coolant level sensor, coolant reservoir tank? They are not showing a scanner code, so I’m confused. How do I troubleshoot to see if one of these is causing the problem?
Was this
answer
helpful?
Yes
No
Thursday, November 16th, 2023 AT 10:23 AM
Tiny
AL514
  • MECHANIC
  • 5,590 POSTS
With a fan that stays on constantly, that's usually a communications issue with the main ECM, and these codes are modules mostly indicating there is a communication problem with Engine Control Module and Engine Control Module Not Identified. Steve had gone into more about MB and when a module is updated (reprogrammed), that other modules will need to be updated as well so the software levels are the same. So according to the codes that are current, the ESP, and TCM are having issues with communicating with the modules coding. It may be that these modules need to be updated to the level the Engine computer is. If you sent out the ECM, most likely the company that reprogrammed it ran an updated software. Granted there might still be an issue with the Front Sam module that was causing the original concern, but both the TCM and ESP are setting codes for this N73 Control Unit as well as this EIS(EZS) Control unit which may be a Gateway for other modules. But the Coding of the Steering Version in the EIS Control module is implausible, it is another indication some more software updating is needed. This is just what Steve was stating in his last post.
Was this
answer
helpful?
Yes
No
Friday, November 17th, 2023 AT 2:15 PM
Tiny
HAL1958
  • MEMBER
  • 89 POSTS
Latest update, I got car started and idled engine until reach normal temperature. Fan didn’t come on like it should. Then it shut down with coolant stop engine light on again. Fan went into high speed again with key in 2nd position. But something interesting I noticed this time which might be my problem. The upper radiator hose was hot and pressurized but the lower hose was cold. Is that a problem with a bad water pump? I replaced the thermostat housing last month thinking that was it. I don’t see any leaks around the water pump. So, what do you think could that be my problem why the coolant light keeps coming on? If so, how can I check the pump to be sure?
Was this
answer
helpful?
Yes
No
Saturday, November 18th, 2023 AT 5:55 AM
Tiny
AL514
  • MECHANIC
  • 5,590 POSTS
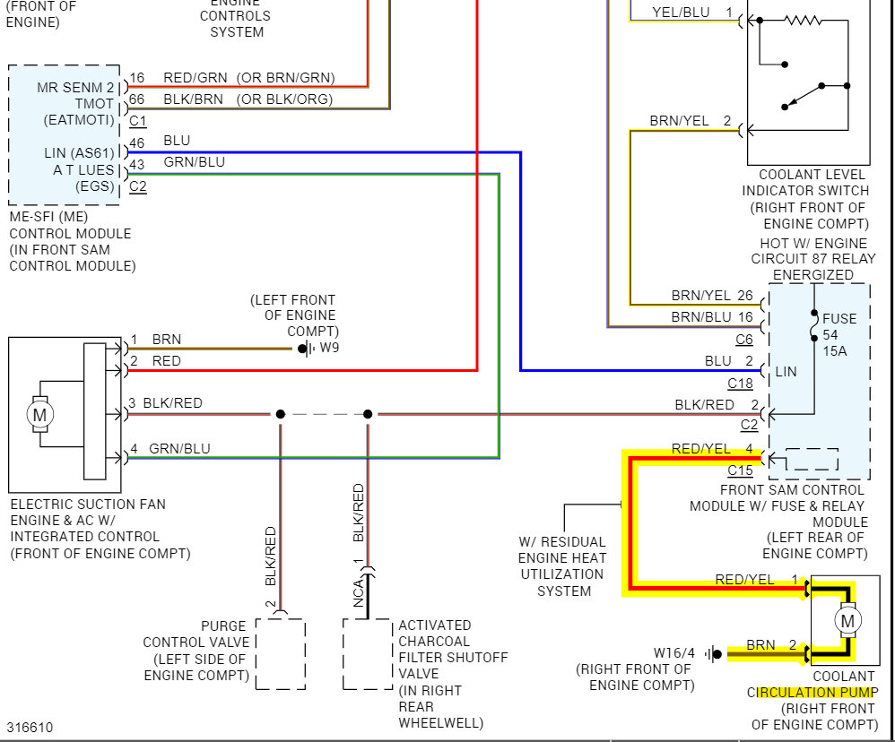
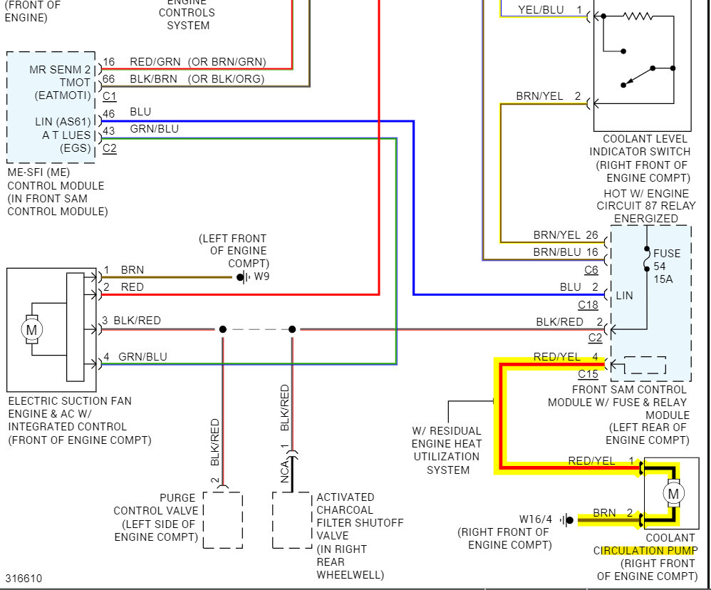
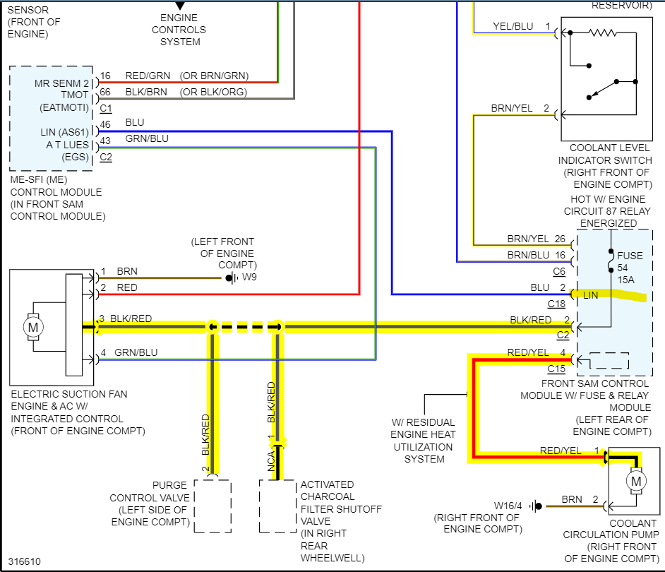
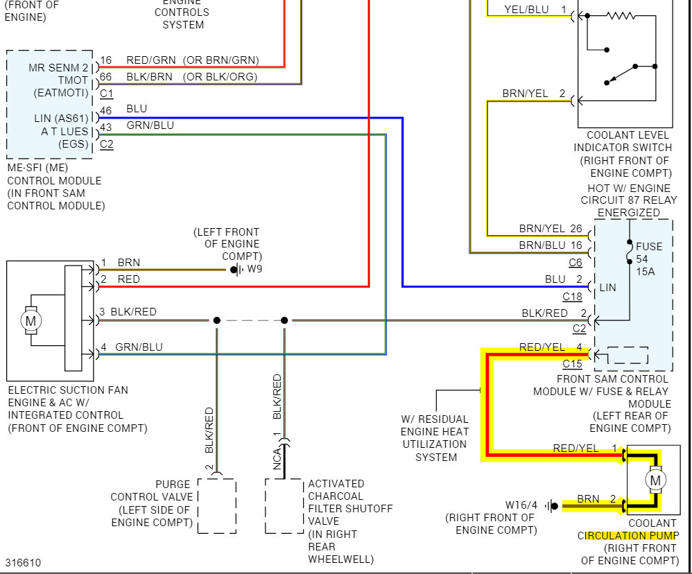
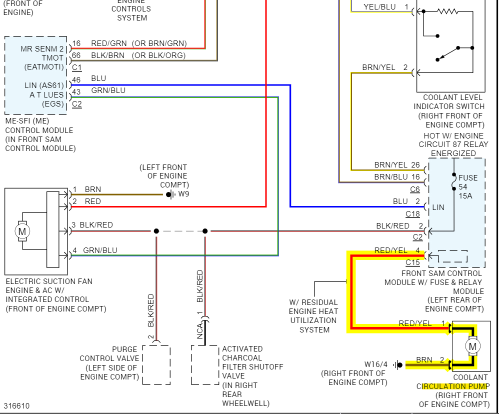
Yeah, that can be an issue if no coolant is flowing. Although service info is calling this an Aux Coolant circulation pump, so I don't know if it's the main water pump for this vehicle, I don't work on these, but the Coolant Circulation Pump looks to be bolted next to the overflow reservoir. There's a picture here of it I can post. It's supposed to be 2 wires, one wire is always grounded, and the Front SAM module controls this pump by applying power, it might be a pulse width modulated signal, that also I'm not sure of. But if the top coolant hose is hot and the lower cold you're definitely not getting circulation. I'll post this picture of the pump, but I'd go through service info some more and see if there is another main pump driven by a timing chain or belt. I'll look further as well.
With this being a 2-wire pump, you can verify it has Ground, you can unplug it and check the resistance of the pump itself and make sure it's not an open circuit inside. And you can check it for power if the first 2 tests are ok. Maybe that's why the fuse blew in the first place. I'll keep looking for more info on this
There are also 2 TBSs for the fan running after the engine is off. The 2nd one looks to be a software update as well, but Id stick to the no coolant flowing issue first and resolve that. Then see what else comes up after.

Okay, it looks like the main water pump is bolted to the timing cover and is driven by an accessory belt, so you could take that off and try spinning the pump by hand, see if you feel any resistance or if the bearing failed and it doesn't turn at all. There are a few bolts into the timing cover and then a few that go through into the engine block. Good thing you noticed the radiator hoses. Hope fully that's all this is, and the CAN bus codes are possibly just more software updates it needs done to those modules setting codes.
Was this
answer
helpful?
Yes
No
Saturday, November 18th, 2023 AT 9:53 AM
Tiny
AL514
  • MECHANIC
  • 5,590 POSTS
I came across some additional info here. It looks like the Front Sam module is basically a Body control module, it has a lot of the same functions (diagrams 1, 2) and a coolant flow diagram (3, 4) where the Aux coolant circulation pump looks to help with more of moving coolant for the HVAC system to heat the interior of the vehicle. I guess it depends on these codes (670a) and (581b) for comfort automatic AC, I believe those are RPO codes.
Was this
answer
helpful?
Yes
No
Saturday, November 18th, 2023 AT 10:21 AM
Tiny
HAL1958
  • MEMBER
  • 89 POSTS
Okay, I’m going to order the main water pump and replace that. I replaced the thermostat housing last month and noticed it has a temperature sensor on it besides the main temperature sensor on the block which I also changed. If coolant is not circulating, I think that sensor on the housing is setting off the red dash light. I don’t think it’s the aux pump because that’s used for heating the car interior. Also, it’s not giving me a code for the aux pump on my scanner which it would if it’s bad.
I’ll let you know in about a week what happens.
Was this
answer
helpful?
Yes
No
Saturday, November 18th, 2023 AT 12:41 PM
Tiny
AL514
  • MECHANIC
  • 5,590 POSTS
I would also make sure there is no blockage anywhere in the radiator that's preventing coolant from flowing, if it's not able to flow through the radiator it's just going to build up pressure on one hose. So flush the radiator with water and make sure there's nothing built up inside.
Was this
answer
helpful?
Yes
No
Saturday, November 18th, 2023 AT 12:57 PM
Tiny
HAL1958
  • MEMBER
  • 89 POSTS
I replaced the main water pump and idled for 30 minutes, and no more red coolant stopped engine light and engine didn’t shut down. Now the lower hose is also hot, and I feel the circulation. The radiator fan came on at normal temperature. Fan working correctly with A/C on and off. I’m still getting code on front SAM B1036 (input signal circuit 61 is not okay). What is causing this code? Also, my secondary air pump keeps buzzing with key out and draining my battery. I replaced the air pump relay, and it is still buzzing. Can you help me troubleshoot why it has power all the time and doesn’t shut off?
Was this
answer
helpful?
Yes
No
Tuesday, November 28th, 2023 AT 7:02 AM
Tiny
HAL1958
  • MEMBER
  • 89 POSTS
I tried to take the car out for a test run and it would not move in reverse or drive. Can you help me troubleshoot what happened here? I enclose the codes.
Was this
answer
helpful?
Yes
No
Thursday, November 30th, 2023 AT 8:59 AM
Tiny
HAL1958
  • MEMBER
  • 89 POSTS
More codes.
Was this
answer
helpful?
Yes
No
Thursday, November 30th, 2023 AT 9:01 AM
Tiny
KEN L
  • MASTER CERTIFIED MECHANIC
  • 55,322 POSTS
It seems like you have a bad ground or low system voltage which can make buzzing sounds of accessory relays. I would check the ground from the engine to the frame/chassis and then the ground from the battery to the chassis. This might cause the electrical system to back-feed into the computer causing the short to ground codes.
Was this
answer
helpful?
Yes
No
Friday, December 1st, 2023 AT 9:02 AM
Tiny
HAL1958
  • MEMBER
  • 89 POSTS
How about why the car will not move when shifting to reverse or drive? The scanner for TCU shows no for enabled. How do I change that to yes like the other 3 on that list? Maybe that’s why the car won’t move? Need help.
Was this
answer
helpful?
Yes
No
Friday, December 1st, 2023 AT 4:31 PM
Tiny
HAL1958
  • MEMBER
  • 89 POSTS
Waiting for a reply to why my car will not move when shifting to reverse or drive. Maybe because TCM shows No for enabled? How do I change to Yes using my scanner? Copy of image above. Need help. Thanks.
Was this
answer
helpful?
Yes
No
Tuesday, December 5th, 2023 AT 5:12 AM
Tiny
KEN L
  • MASTER CERTIFIED MECHANIC
  • 55,322 POSTS
All you can do is clear the codes, the monitor system will need to change the yes or no status. It looks like the TCM controller may be bad. Have you sent it in to be checked?
Was this
answer
helpful?
Yes
No
Tuesday, December 5th, 2023 AT 10:31 AM
Tiny
HAL1958
  • MEMBER
  • 89 POSTS
Can you send me information on troubleshooting the TCM controller? Also, information on troubleshooting the CAN network for the TCM. I really think it’s a communication problem with the network. Also, can I update the software on the TCM with my scanner?
Was this
answer
helpful?
Yes
No
Thursday, December 7th, 2023 AT 5:36 AM
Tiny
KEN L
  • MASTER CERTIFIED MECHANIC
  • 55,322 POSTS
I don't think you can update the TCM with your scanner, this must be done at the dealer. Have you tried clearing the codes and then shutting the system off and turning it back on again then running the codes with your CAN scanner?
Was this
answer
helpful?
Yes
No
Friday, December 8th, 2023 AT 10:00 AM

Please login or register to post a reply.