Sunday, September 17th, 2023 AT 10:07 AM
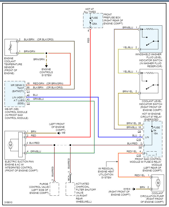
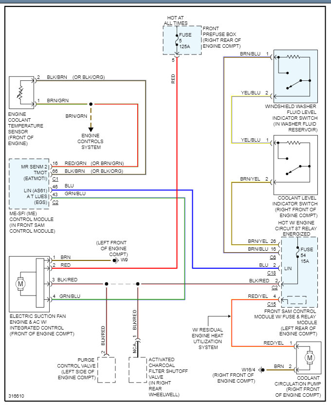
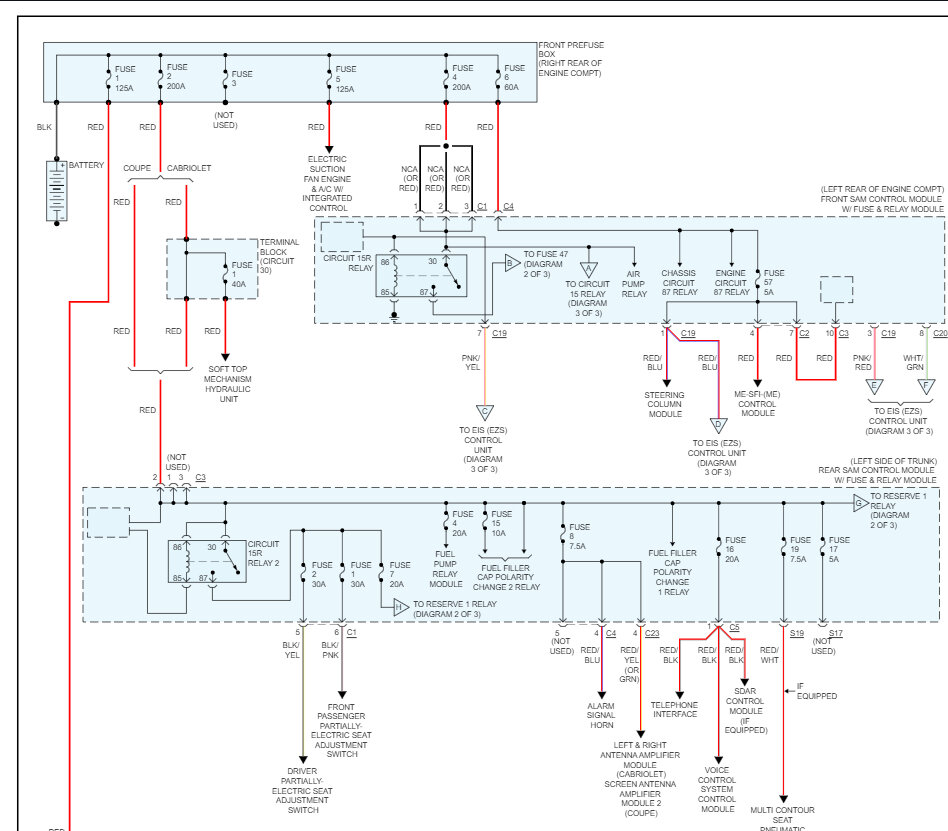
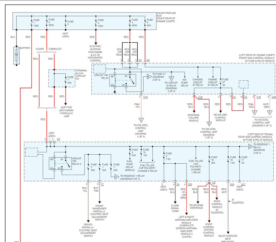
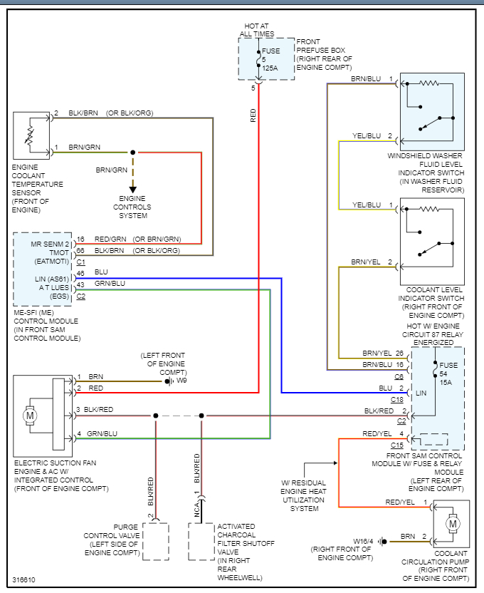
When starting engine cold after a few minutes when coolant temp gauge is about one third the red coolant temperature light comes on and engine shuts down and fuse 54 blows. Then it has no crank and no start. Replace fuse 54 and blows again when turning key to on position. I replaced coolant temperature sensor and thermostat housing and still the same. Disconnected the battery for an hour then connect and it will start and shut down again with temperature light on. No codes on scanner.




















