Rear wipers do not work

Tiny
BRITT ALYSHA
  • MEMBER
  • 2007 BUICK RENDEZVOUS
  • 0.6L
  • 6 CYL
  • 2WD
  • AUTOMATIC
  • 118,000 MILES
The rear washer fluid works but not wiper. And the lift gate switch also doesn’t work. I’ve changed the fuses (or the ones I think needed changed) and still nothing.
Friday, October 16th, 2020 AT 7:03 AM

3 Replies

Tiny
KASEKENNY
  • MECHANIC
  • 18,907 POSTS
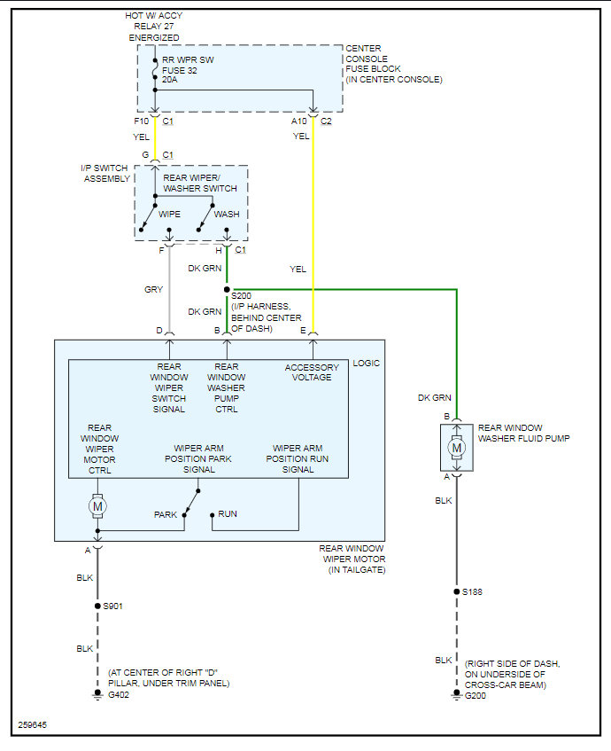
Take a look at the wiring diagram. We need to check a couple things to determine what this is. First, the fuse 32 is okay if the washer fluid is okay.

Next we need to check the power at the rear wiper motor. If you have voltage then the wiper motor is the issue. If you don't have voltage we need to check voltage coming out of the switch in the IP. If you have voltage coming out of the switch but not at the motor then you have a wiring issue.

If you have no voltage coming out of the switch then the switch is the issue.

Basically you are going through the system to find out where you have power and that will determine what the issue is.

Let me know if you have questions. Thanks

https://www.2carpros.com/articles/how-to-check-wiring
Was this
answer
helpful?
Yes
No
+1
Friday, October 16th, 2020 AT 4:24 PM
Tiny
BRITT ALYSHA
  • MEMBER
  • 2 POSTS
Okay, excellent. Thank you. I’ll begin tackling this task my next free day. Thanks again and I’ll keep you posted on my progress.
Was this
answer
helpful?
Yes
No
Sunday, October 18th, 2020 AT 11:22 PM
Tiny
KASEKENNY
  • MECHANIC
  • 18,907 POSTS
Sounds great. Let us know what happens. Thanks
Was this
answer
helpful?
Yes
No
Monday, October 19th, 2020 AT 6:20 PM

Please login or register to post a reply.