Friday, December 17th, 2021 AT 1:06 PM
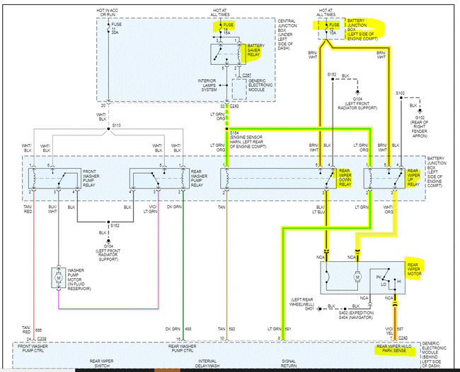
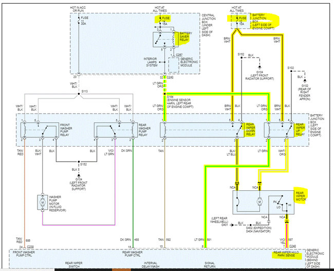
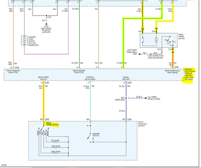
When I turn the ignition on without letting the engine turn over, I can hear the click-click sound from the fuse box under the hood in the engine compartment. I take this to mean that the relay is working. Is this correct? When I go to the back, I can also hear click click sounds near where the motor should be, but the arm is not moving. The wiper arm does not move when I try to move it manually. In addition, when I raise the liftgate, the wiper arm is still not moving. I had read on some other model (expedition) that the arm should move when you raise the liftgate. I don't know if this is true. I should also add that I first noticed the rear wiper not working a short while after I had used the car to carry some sod in the back. Can you advise me on what to do? Thank you.














