Rear washer pump stopped working

Tiny
JOHN HO10
  • MEMBER
  • 1998 FORD EXPLORER
  • 2.6L
  • V6
  • 4WD
  • AUTOMATIC
  • 165,000 MILES
Front wipers and pump works. Pulled and cleaned wiper relays number 7317. Switched front relay with back relay on left side of relay box located under top radiator hose. No change. Rear pump cannot be heard when switch is pushed in for washer fluid. Checked number twelve fuse. It is okay. The rear wipers are working.
Is the culprit a bad switch? If so, how to test and replace? Thanks.
Friday, November 3rd, 2017 AT 7:02 AM

5 Replies

Tiny
MHPAUTOS
  • MECHANIC
  • 31,937 POSTS
Probably a failed pump. There are two pumps, one for the front and one for the rear, remove the washer bottle and test the pump, manually.
Was this
answer
helpful?
Yes
No
-2
Friday, November 3rd, 2017 AT 4:25 PM
Tiny
JOHN HO10
  • MEMBER
  • 46 POSTS
I was under the belief that there is only one pump that feeds both front and rear glass. Am I incorrect?

I replaced the washer pump under the hood and still have no washer spray on rear glass when switch is actuated. But rear wiper works fine.

If there is a rear pump? Where is it located? Or is the multi-function switch on the dash that controls spray and wiper actions the problem?

Ready to pull my thinning hair out!
Was this
answer
helpful?
Yes
No
+1
Saturday, November 4th, 2017 AT 10:41 AM
Tiny
MHPAUTOS
  • MECHANIC
  • 31,937 POSTS
Sorry I was wrong, must of been thinking of a different version. There is a rear washer control relay in the aux relay box Number one. Its on the left had side of the engine compartment.
Was this
answer
helpful?
Yes
No
-1
Saturday, November 4th, 2017 AT 2:53 PM
Tiny
JOHN HO10
  • MEMBER
  • 46 POSTS
You misunderstood my question. I know there is a rear washer control relay.
Is there a rear pump? If so, where is it located? There is only one pump on my fluid reservoir under hood with two outlets. One for rear and one for front. Right?
Was this
answer
helpful?
Yes
No
Saturday, November 4th, 2017 AT 4:25 PM
Tiny
KEN L
  • MASTER CERTIFIED MECHANIC
  • 55,322 POSTS
Hi,

I have found the information you are looking for plus a couple of guides to show you how to do the testing.

Please recheck all fuses before you begin.

https://www.2carpros.com/articles/how-to-check-a-car-fuse

Here is a guide to check the relay as well:

https://www.2carpros.com/articles/how-to-check-an-electrical-relay-and-wiring-control-circuit

And how to check wiring:

https://www.2carpros.com/articles/how-to-check-wiring

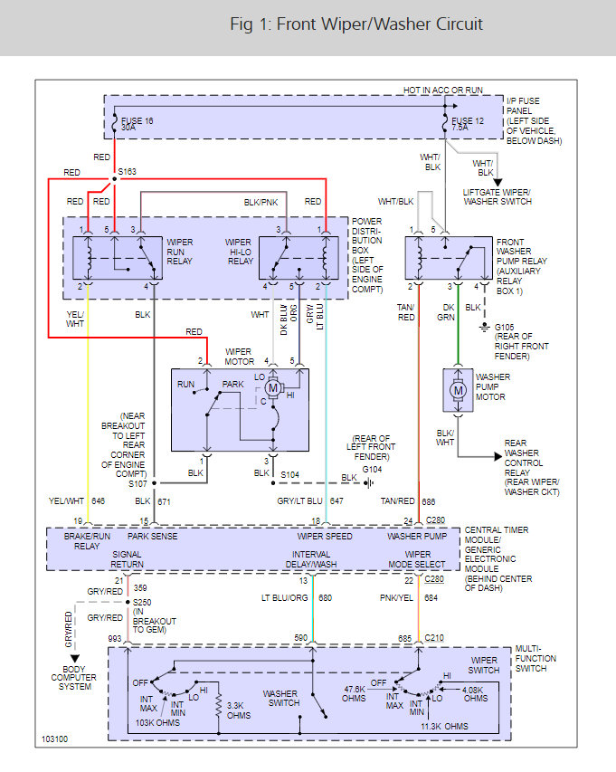
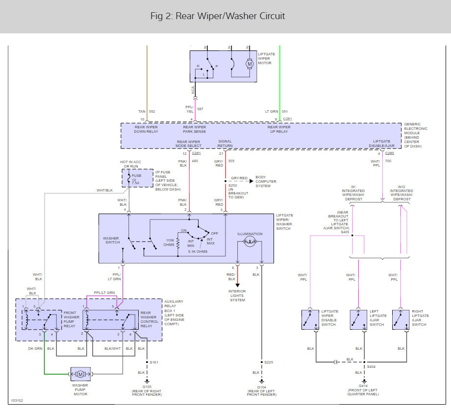
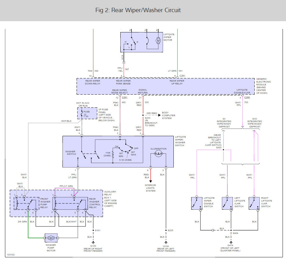
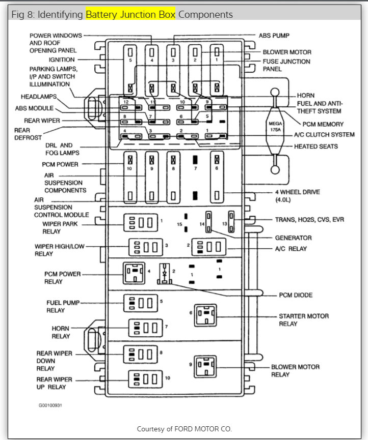
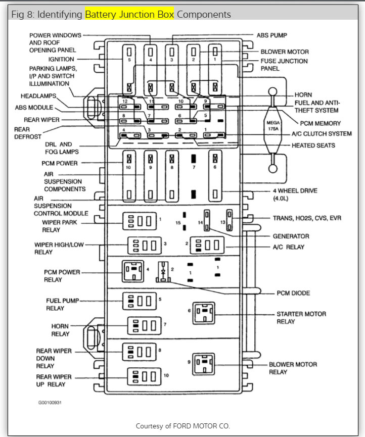
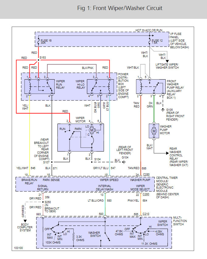
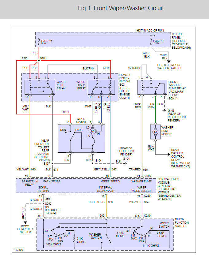
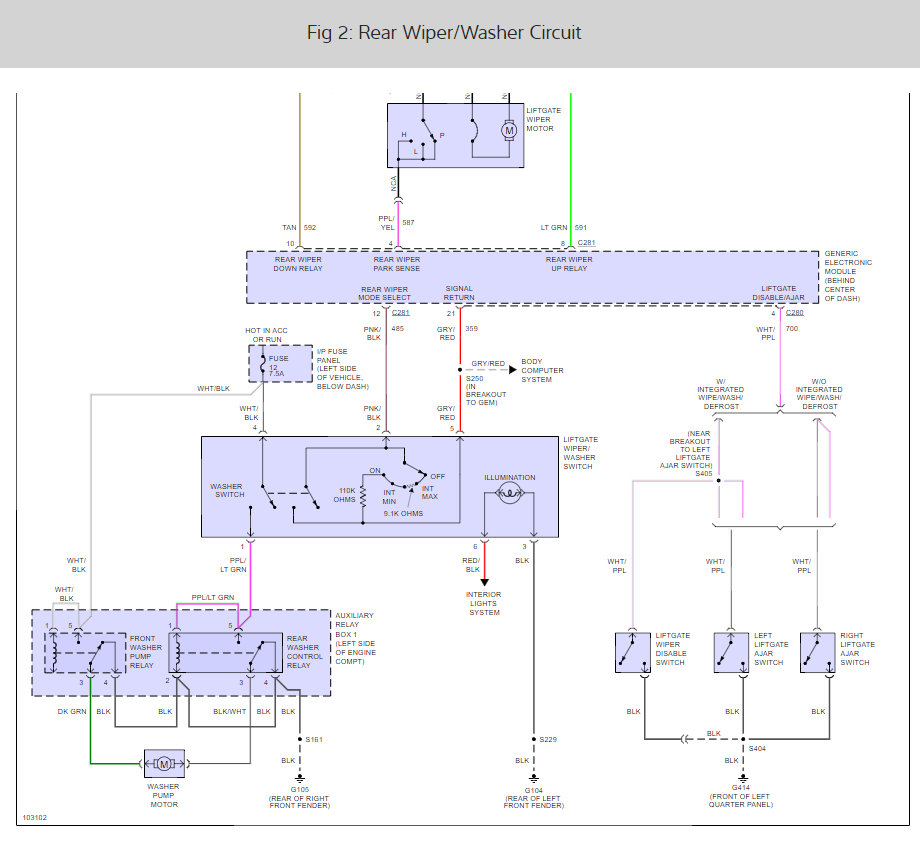
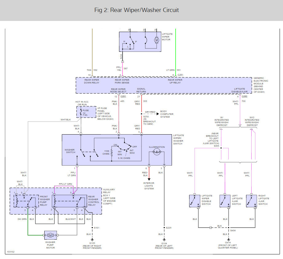
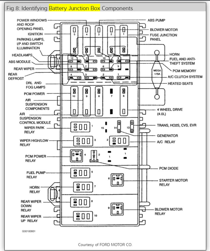
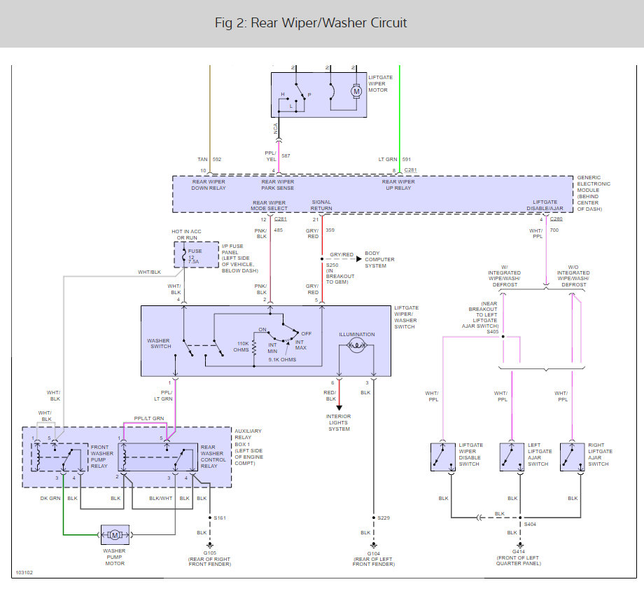
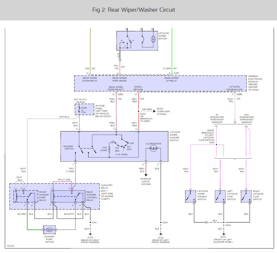
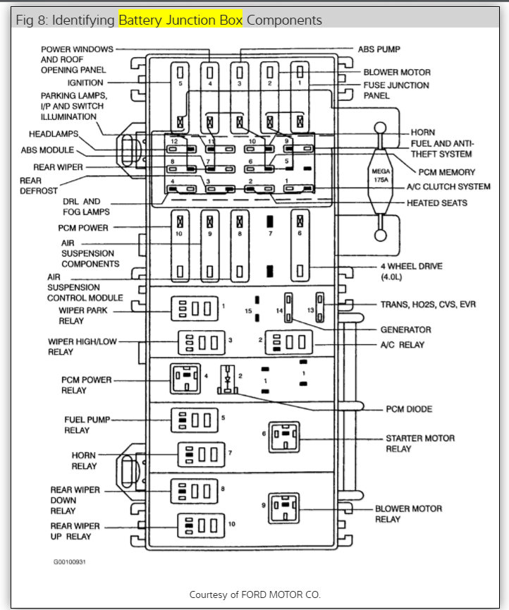
Here are the washer wiring diagrams fuse panels for your car (below).

Please let us know what happens.

Cheers, Ken
Was this
answer
helpful?
Yes
No
-1
Monday, November 6th, 2017 AT 2:15 PM

Please login or register to post a reply.