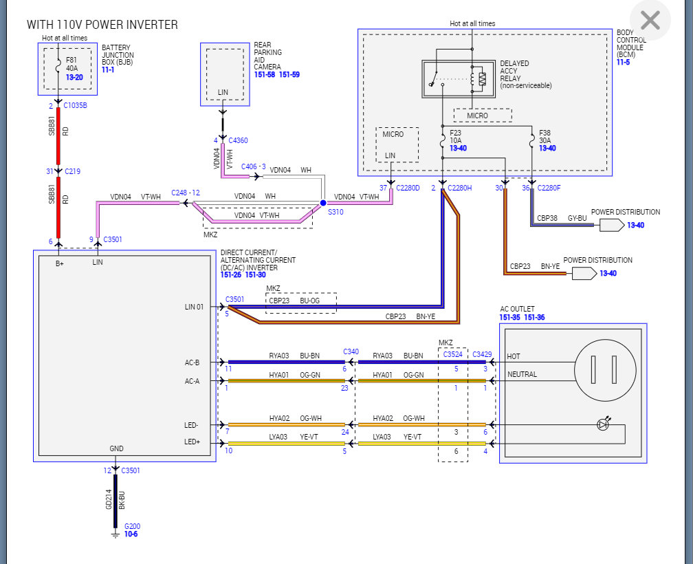
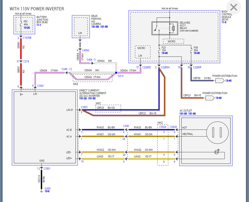
I started working my way down the service manual and checked the LIN network circuit for a short to voltage by disconnecting BCM C2280D, with the ignition on I measured plug C4360 pin 4 and there's 10 volts present. The repair manual states that I need to repair the circuit. How and where do I even start?
Wednesday, November 24th, 2021 AT 6:40 PM
















