Monday, March 17th, 2025 AT 11:04 AM
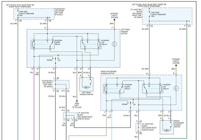
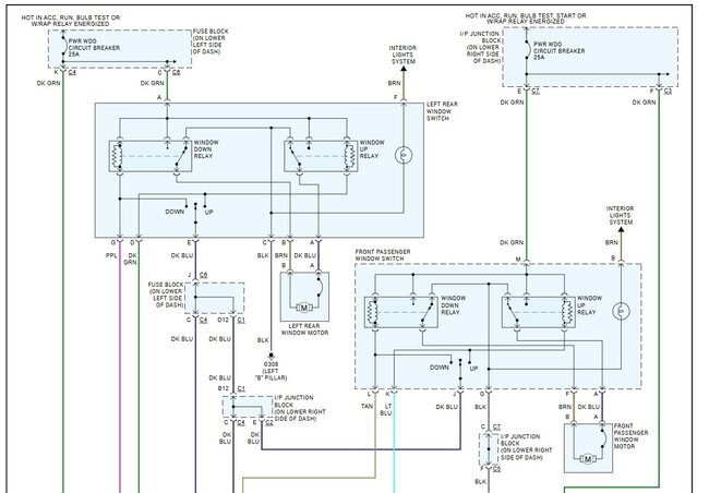
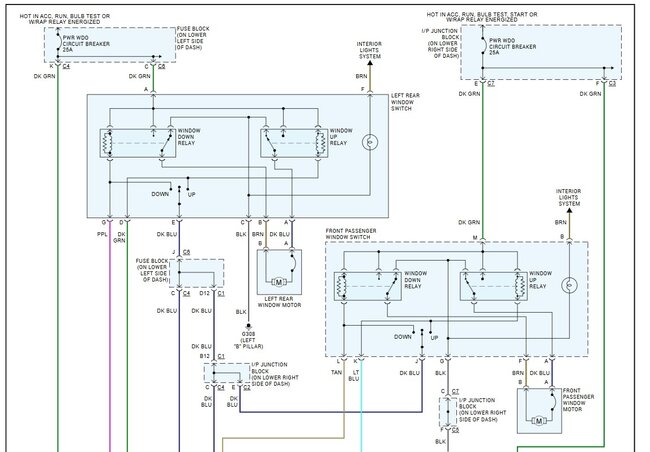
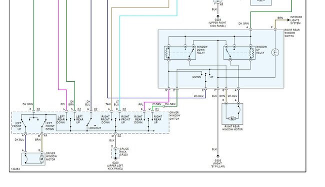
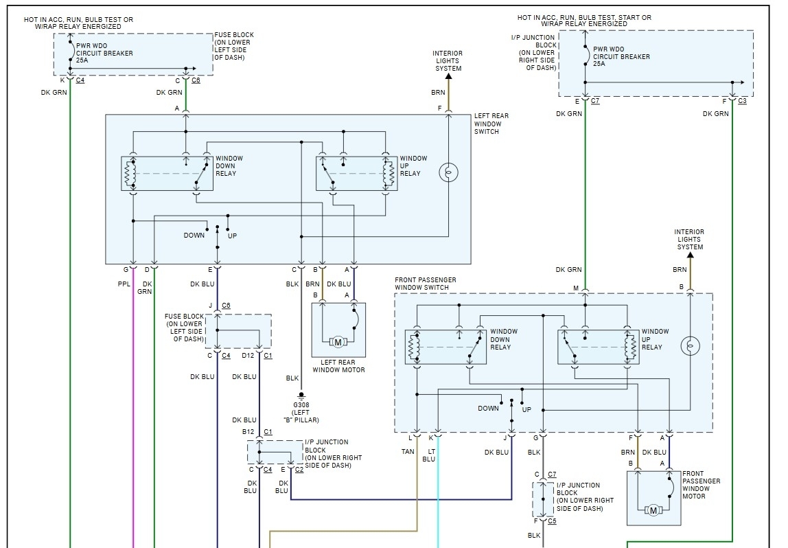
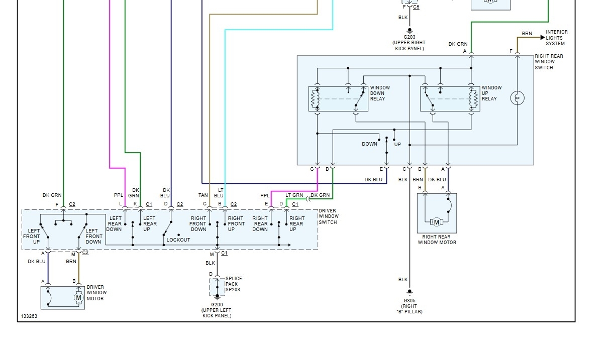
I just need the wiring diagram for the window switches on my vehicle listed above please. Mostly just the rear passenger window switch, but anything helps. Thank you.


