Rear brake lights, turn signals not working

2008 FORD FUSION
97,000 MILES • 3.0L • 6 CYL • 2WD • AUTOMATIC
Avatar
CJOHNSON002
  • MEMBER
  • 1 POST
I have the vehicle listed above SEL model, V6. 5 days ago my left rear turn signal went out. I noticed this because my blinker was flashing rapidly and on the dash display said to check left rear turn Lamp. Now today my right rear turn signal started doing the same thing. I decided it was time to try to fix the issue. I checked the exterior light fuses and nothing was blown. I bought 2 replacement bulbs, but my rear turn signals still were not working after being replaced. In the process of seeing if the new bulbs worked I noticed that my brake lights were not operating as well. My 3rd brake light in the rear window works though. Also when I turn my hazard lights on the two back hazards are not working. But when I turn my head lights on the rear lights that share the brake light bulbs get power. Just to be on the safe side I checked all of the fuses in my SJB below the steering column and everything was okay. I went ahead and replaced my brake light switch above the break petal and still nothing. I have a repair guide for my car and found that the wires coming from the SJB to the Rear Turn/Stop/Park lights are the violet/orange and grey/brown. I checked the wires in the trunk and everything looked fine and also checked the wires on the connector going into the SJB and everything appeared fine. I couldn't get a real good look at the wires on the SJB side being that they are behind the dash. I found that my contortion skills, trying to get a good look at the connectors and wires on the SJB side, were not the best .

At this point I am thinking it is a wiring issue or a SJB issue. Any help on solving this crazy issue is much appreciated. My troubleshooting steps are below in a easier format to read.

ISSUE

Both Rear Brake Lights, Turn Signals, and Hazard Lights not working.
Both Front Brake Lights, Turn Signals, and Hazard Lights are working.

TROUBLESHOOTING

1. Checked all fuses in SJB located under the steering column in the interior of the car. Also checked 60 amp power fuses in fuse box in engine compartment that go to SJB.
2. Replaced Turn Signal Bulbs.
3. Replaced Brake Light Switch located above break petal.
4. Checked wiring diagram and found that wires in the trunk appeared fine.
5. Checked wires and connector, as best as I could, under dash going into SJB and everything appeared fine.
6. Re seated connectors going into SJB.
7. Threw my hands up and Screamed........
Feb 13, 2016 at 11:10 AM
Advertisement
Avatar
HMAC300
  • CAR REPAIR CONTRIBUTOR
  • 48,601 POSTS
check wires leading from smart junction box in pic if no power there with brake applied then you'll have to have it scanned to see if sjb is bad as it's a module.
Feb 13, 2016 at 12:44 PM
Advertisement
Avatar
JACOBANDNICKOLAS
  • CAR REPAIR CONTRIBUTOR
  • 110,190 POSTS
Hi,

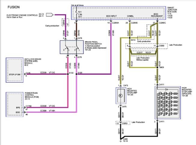
Power for the brake lights, signals, and the center high mounted brake light are all powered via the smart junction box (SJB). Now, if the third brake light is working, then we know power is getting to the SJB and the brake light switch is working.

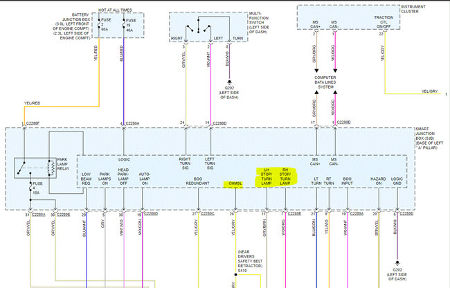
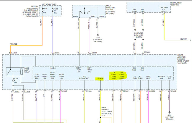
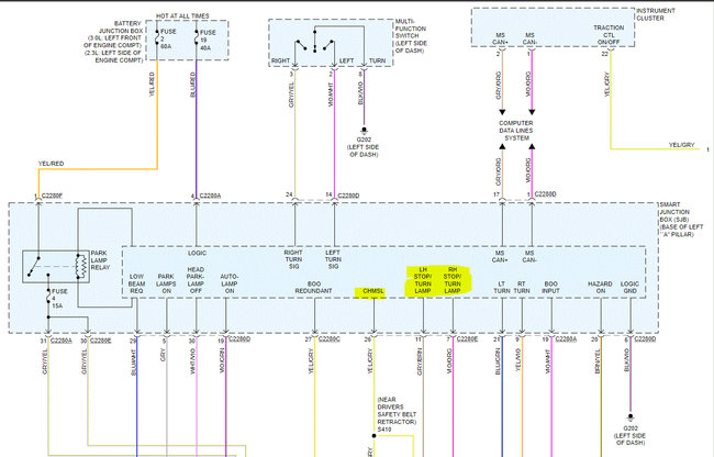
What you need to do is at the SJB, check the gray/brown wire and the violet/orange wire for power when the brakes are applied. I attached a pic below. Note that the yellow/light gray wire is for the 3rd brake light. (see pic 1)

Now, if there is no power from the SJB on those wires, the SJB is the likely cause.

Here is a link you may find helpful:

https://www.2carpros.com/articles/how-to-check-wiring

Try this and let us know if you have other questions or need help. Also, if possible, let me know the results.

Take care,
Joe

Nov 27, 2020 at 9:31 PM
Avatar
JEREMY POPE
  • MEMBER
  • 1 POST
It's out. tried bulbs and fuses wires etc.
Nov 28, 2020 at 8:34 AM (Merged)
Avatar
4DRTOM
  • CAR REPAIR CONTRIBUTOR
  • 467 POSTS
Hi Jeremy,

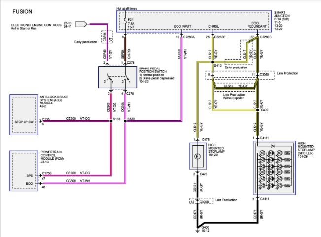
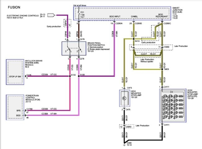
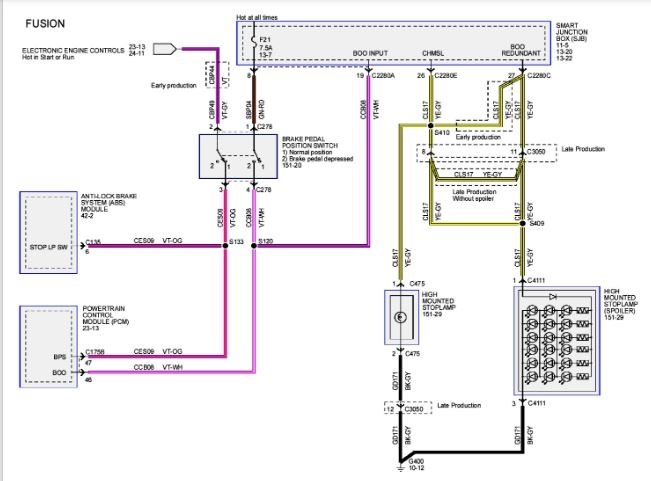
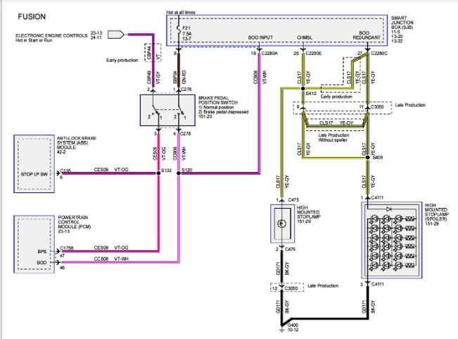
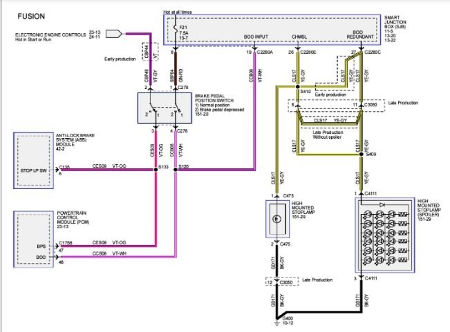
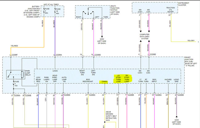
When you say the blinker is out in the rear do you mean completely? it does not light at all? What about the front drivers turn signal, is that functioning normally? What happens on the dash does the indicator on the dash light up at all? If the front is working fine and the back not at all the issue is going to be right at the bulb, socket or the wire leading to the bulb most likely. Let me know, Here are the electrical diagrams for that circuit. Take a look if you have any questions about it let me know.
Tom
Nov 28, 2020 at 8:34 AM (Merged)
Repair Safety Notice: This information is for general instructional purposes only. Vehicle repair can be dangerous. Verify all information, follow manufacturer service procedures, use proper tools and safety equipment, and consult a qualified repair shop when needed.