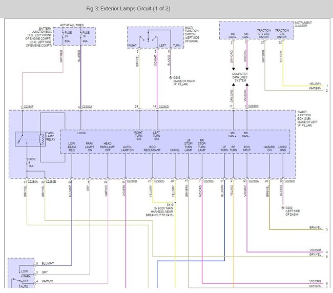
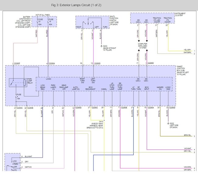
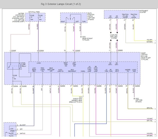
Hello. Problem is that when pushing the turn signal arm left or right to make a turn, the turn signal indicator on the dashboard flashes quickly and prompts me to check the front left/right turn signals. The left turn signal does not blink in fact it stays lit even when car is turned off, and the right front signal does not blink at all. The rear signals both work fine. Tried replacing the front bulbs, no change. Had the fuses / fuse box under hood checked, no burnt out fuses there.
Thanks
Thanks
Sep 7, 2013 at 10:55 AM



