Rear brake lights not working

Tiny
1984ASHLEY
  • MEMBER
  • 2005 CHRYSLER TOWN AND COUNTRY
  • 2WD
  • AUTOMATIC
  • 102,780 MILES
My rear brake lights are out and I just need to know where exactly the fuse needs to go in my fuse panel. And what other fuses might need to be replaced in order to make the rear brake lights work again? Please help.
Thursday, February 4th, 2021 AT 9:03 AM

2 Replies

Tiny
STEVE W.
  • MECHANIC
  • 15,688 POSTS
I'm sorry to say there is no fuse for just the rear tail lights. The only lighting fuses power the front and rear lights and are split so that if one was blown you would have either the right side or left side lights working if both were bad you would have no tail lights, front marker lights, or license plate lights.
If it's the brake lights does the upper brake light work?
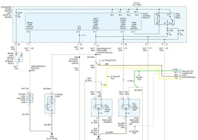
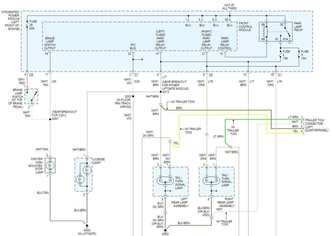
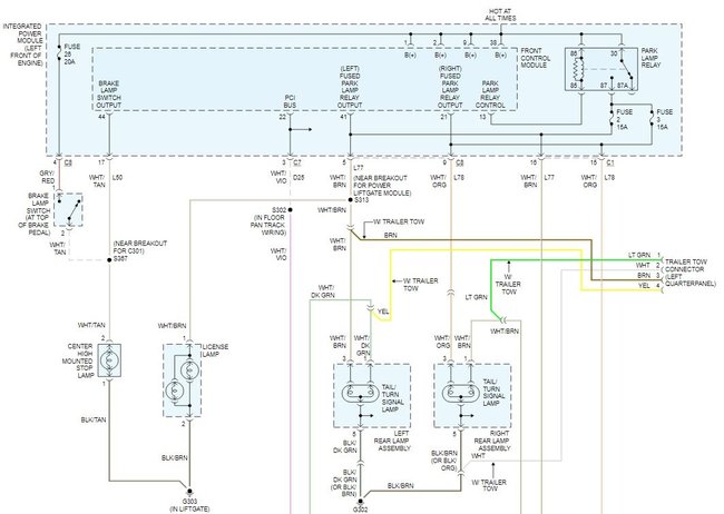
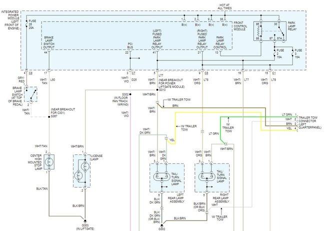
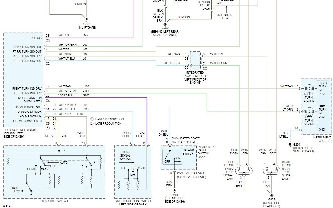
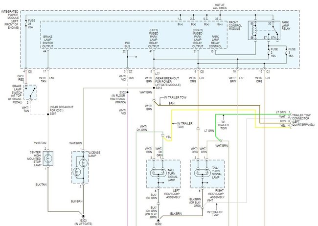
For the brake lights there is a fuse #26 a 20 amp one in the totally integrated power module under the hood.
So first we need to be sure which lights are the issue as there are two different circuits involved and two different control modules. So please verify all lights that are not working.
Was this
answer
helpful?
Yes
No
Thursday, February 4th, 2021 AT 11:41 AM
Tiny
SEVAG P
  • MECHANIC
  • 406 POSTS
Hello,

Problem can be from a fuse or the brake light switch that is located rear of the brake pedal.

check the diagrams below figure 1,2,3 for fuse box location and the fuse number, which is number 26 20A .

check our link below how to check fuse.

https://www.2carpros.com/articles/how-to-check-a-car-fuse

Check our link below how to fix brake light.

https://www.2carpros.com/articles/brake-lights-not-working

Checking the brake switch location check the figures 4 and 5 below, check the procedure how to check the brake switch at release and pressed positions by using ohmmeter, check pictures below figure 6 and 7.

check the procedure below figure 9,10,11 how to test the switch and the removal and installation.

hope these helps let us know if you need more help.

thank you.

Was this
answer
helpful?
Yes
No
Thursday, February 4th, 2021 AT 12:37 PM

Please login or register to post a reply.