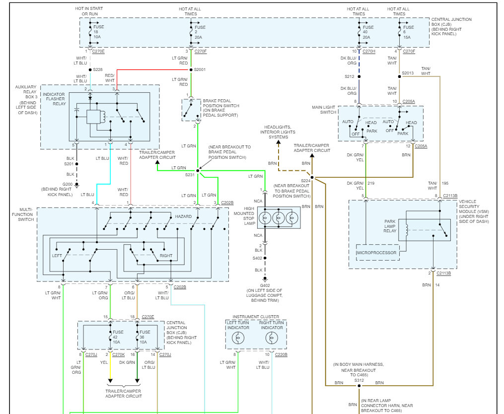
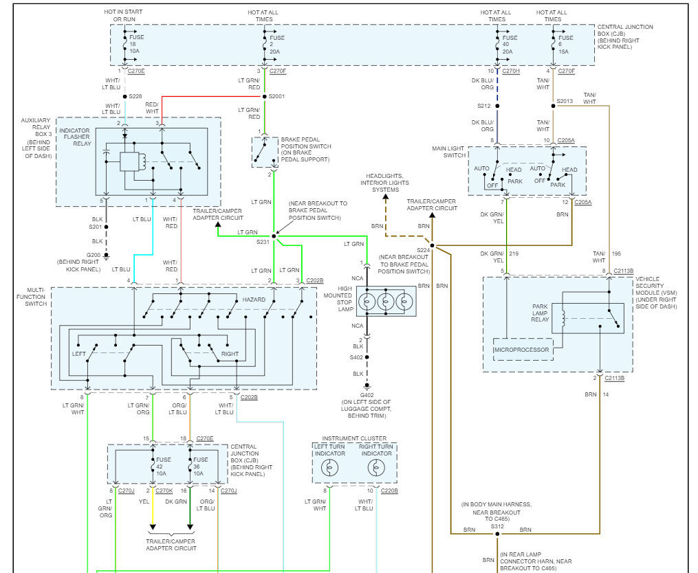
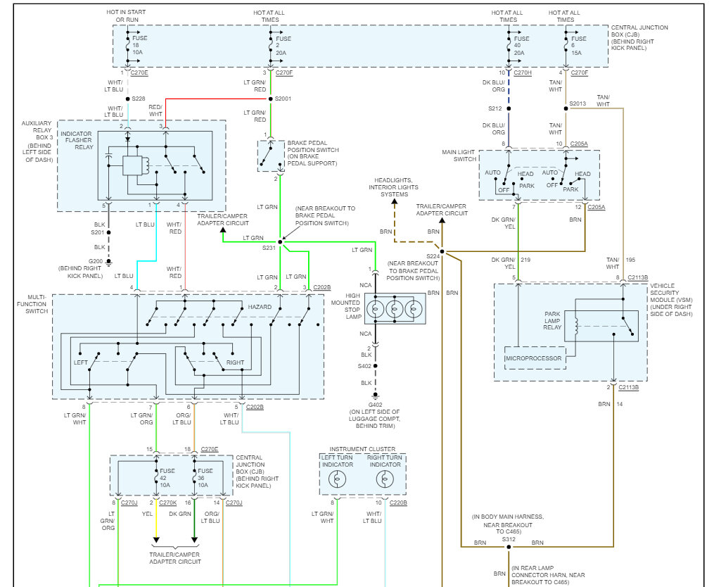
I changed all the bulbs (3157) rear stop and signal bulbs.
I checked the fuse 2 and 18 both look good but replaced it
I checked the brake socket with a voltage meter, and it read 7.9 volts.
I turned on the turn signal and went back to the socket, but no current was coming through the wire.
The red light that illuminates when you open the door isn’t lighting, may be the bulbs.
I also pierced the wire on the turn signal to see if any power is coming thru the wire “no beep” on the voltage checker.
Please help
Wednesday, August 16th, 2023 AT 1:02 PM







