Turn signals not working

Tiny
LIGHTNINGLYNN
  • MEMBER
  • 2004 FORD EXPEDITION
  • 15,000 MILES
The turn signals on my expedition have a intermittent problem. On either side they will work but only at times and for a few seconds. If you play with the switch it sometimes helps. I have replaced the relay and multi function switch and still have the same problem. I also found a blown fuse on the right hand trailer plug. Any ideas as to what to check next?

When I asked the question I said relay. I meant to say that I replace the flasher behind the dash on the left (drivers side of vehicle) side.
Thursday, October 3rd, 2013 AT 5:04 PM

5 Replies

Tiny
KEN L
  • MASTER CERTIFIED MECHANIC
  • 55,297 POSTS
Hello,

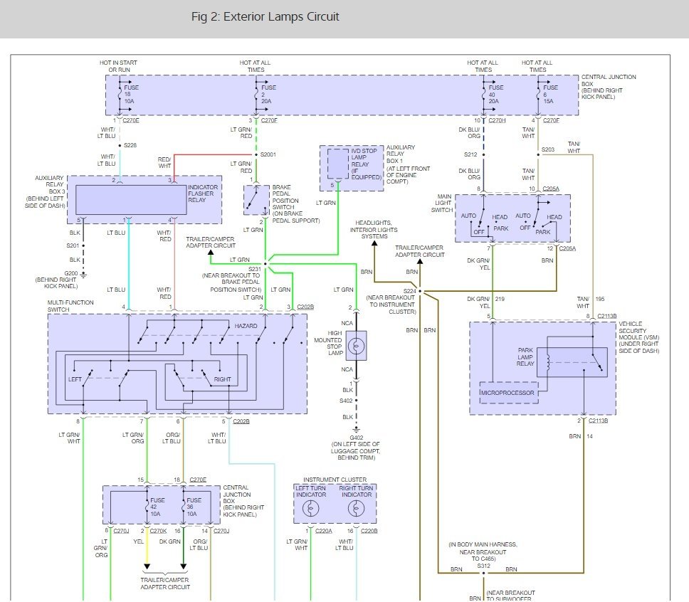
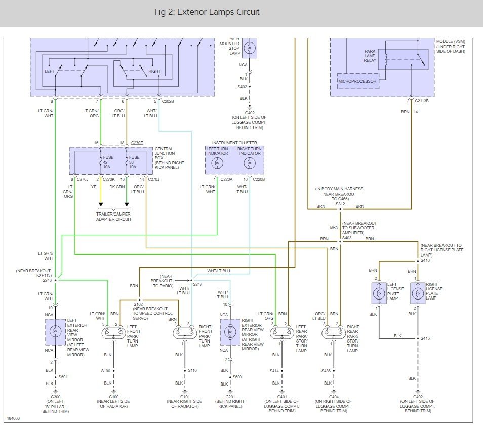
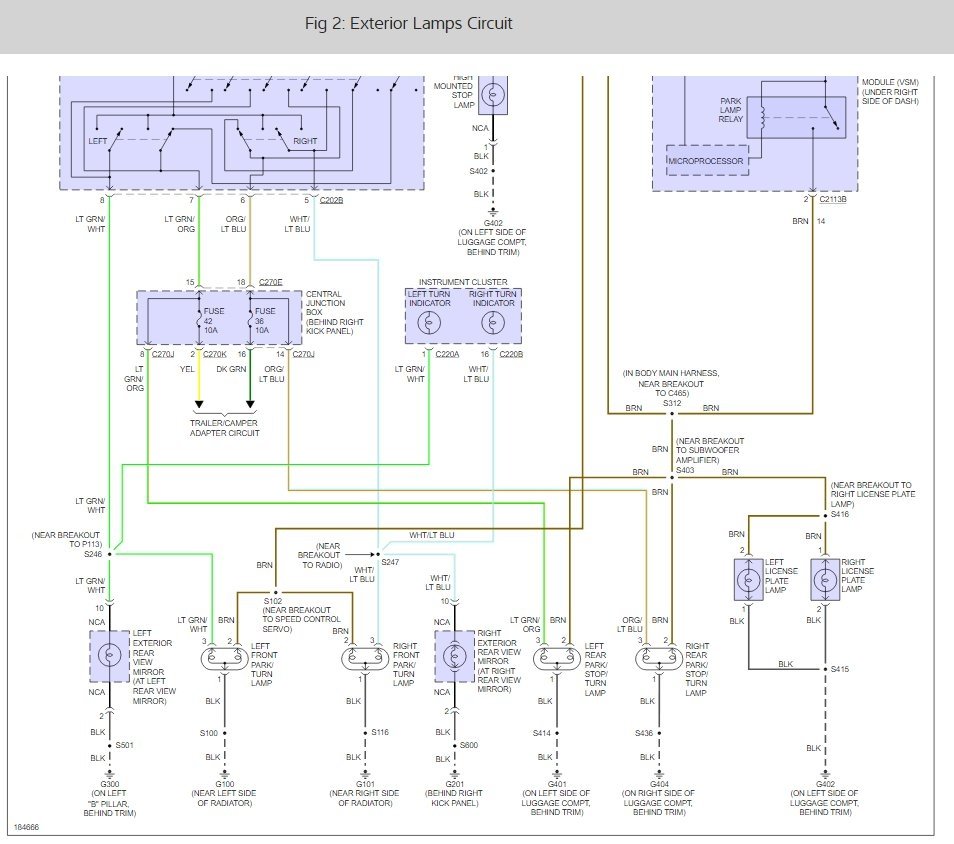
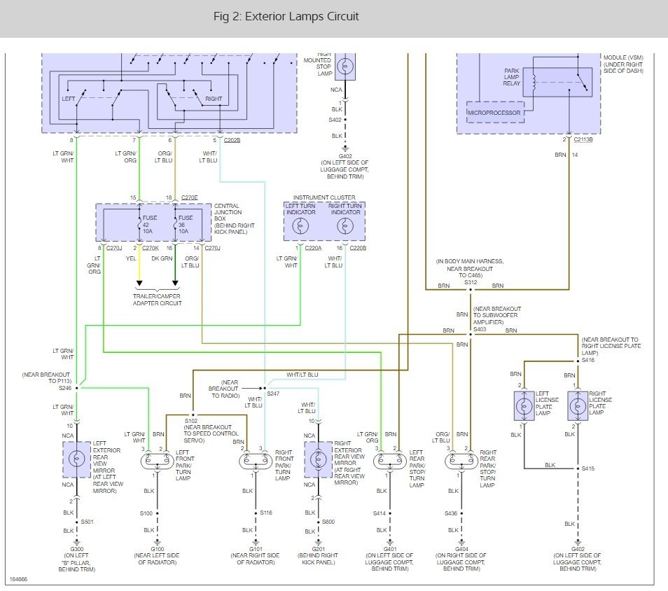
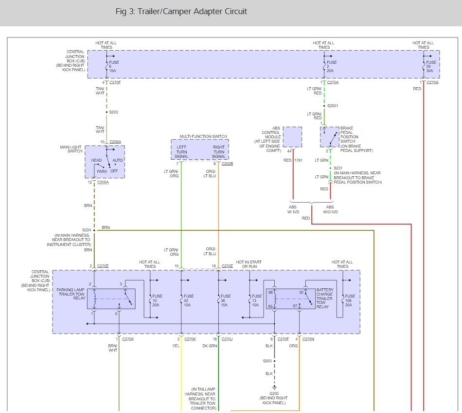
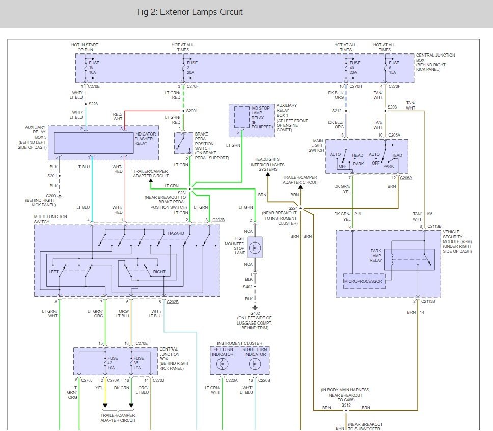
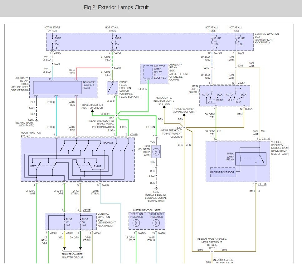
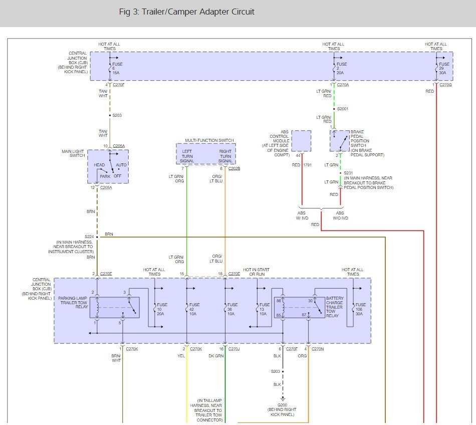
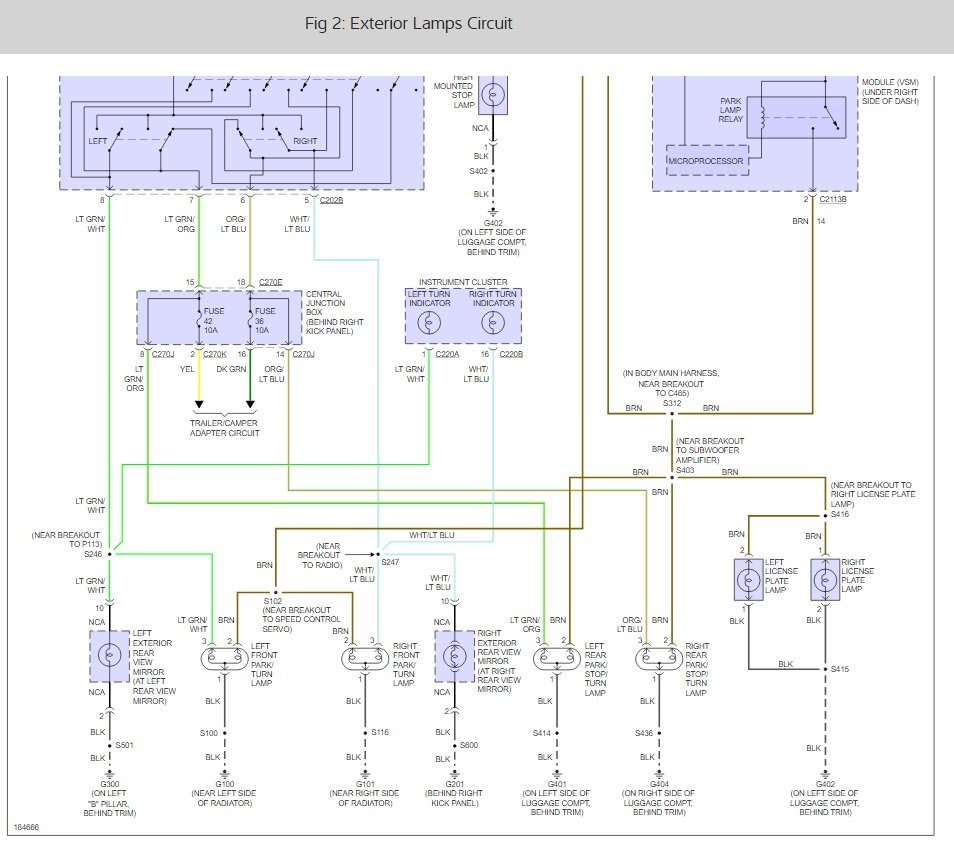
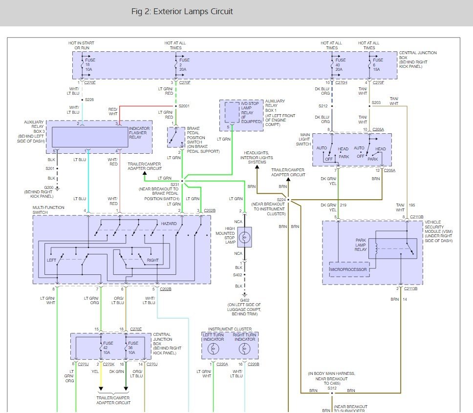
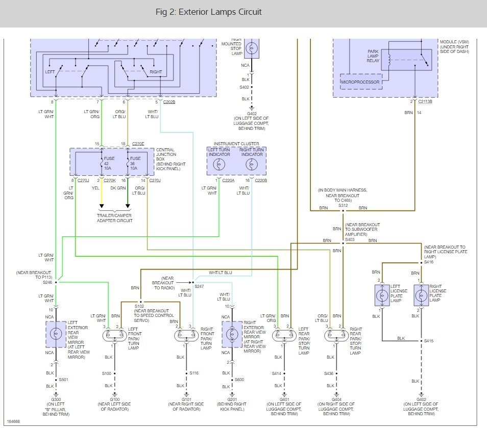
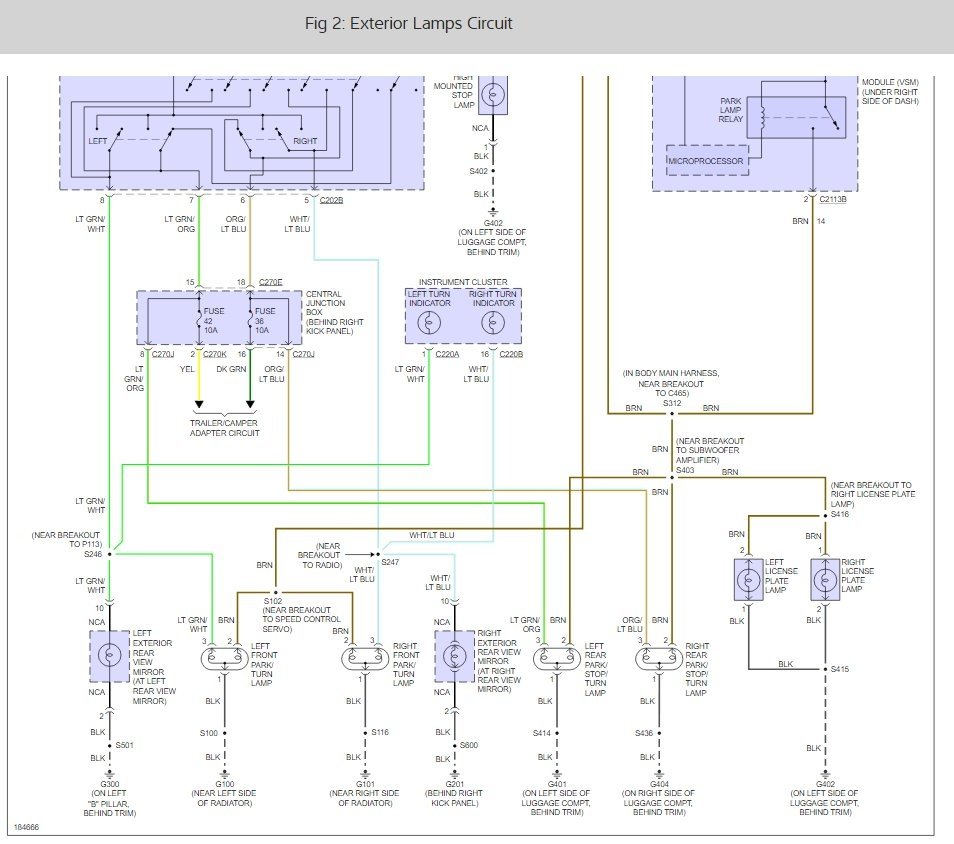
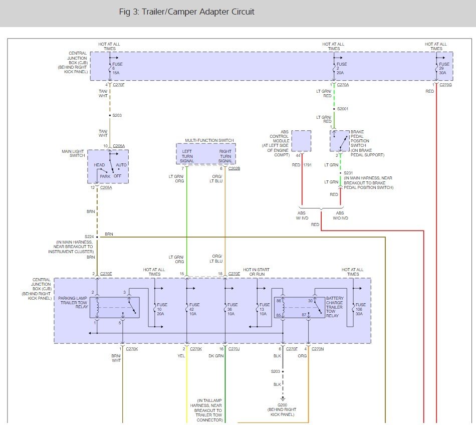
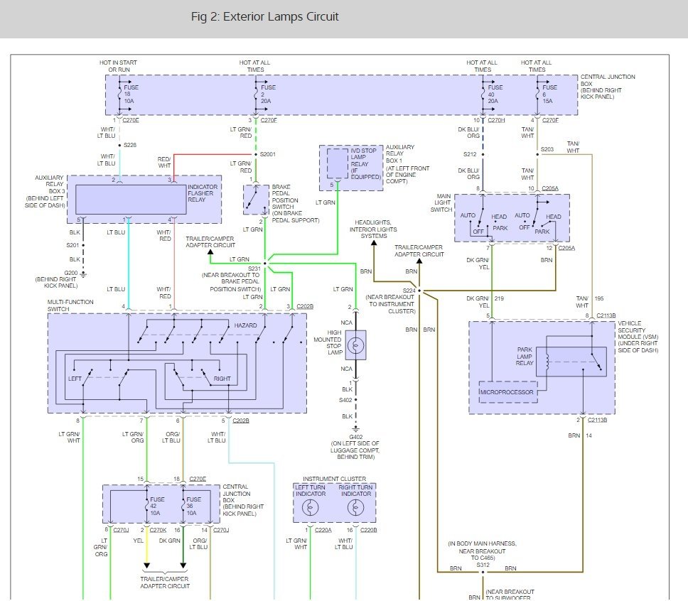
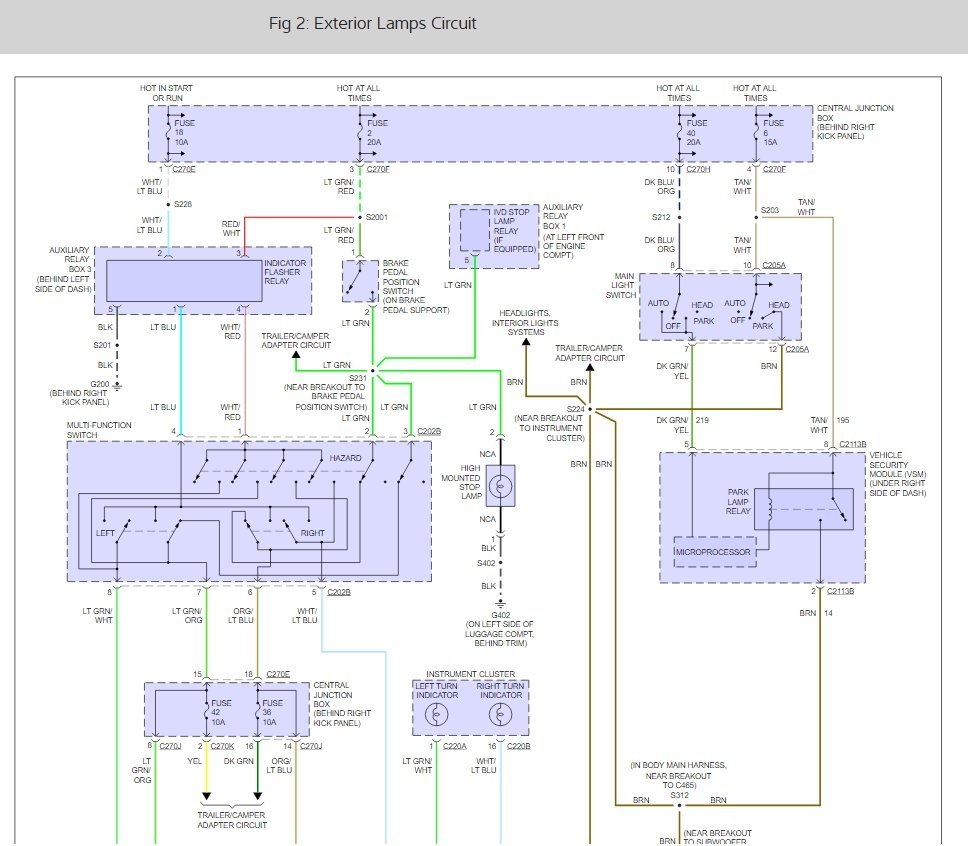
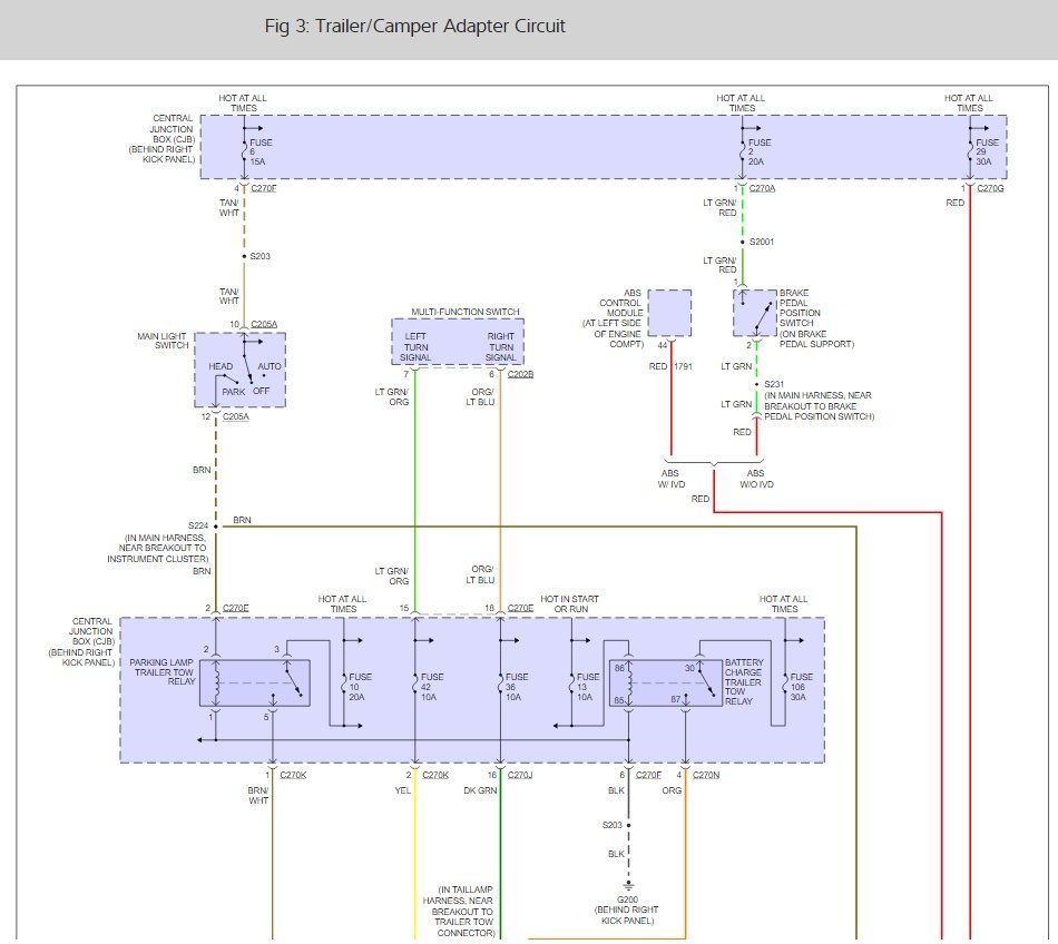
This sounds like a classic connection problem which can be at the fuse. When the blinkers stop working have the switch on and wiggle the fuses that power the system to see if they start working. Here are some wiring diagrams (below) to help you see which ones power the system.

Here are some guides to help with the testing

https://www.2carpros.com/articles/how-to-check-a-car-fuse

and

https://www.2carpros.com/articles/how-to-use-a-test-light-circuit-tester

Please run some tests and get back to us so we can continue helping you.

Cheers, Ken

Was this
answer
helpful?
Yes
No
-1
Saturday, June 17th, 2017 AT 6:17 PM
Tiny
RVASQUEZ8
  • MEMBER
  • 3 POSTS
  • 2004 FORD EXPEDITION
  • V8
  • 4WD
  • AUTOMATIC
Why is my 2004 expedition turn signal not working and I hear wires movement by headlight switch
Was this
answer
helpful?
Yes
No
+1
Saturday, June 17th, 2017 AT 6:18 PM (Merged)
Tiny
KHLOW2008
  • MECHANIC
  • 41,814 POSTS
I believe you are hearing a buzzing noise and not the wires moving. Ths buzzing should be from the hazard/turn signal flasher unit.

Is hazard lights working?
Possibly the flasher relay is bad.
Was this
answer
helpful?
Yes
No
+5
Saturday, June 17th, 2017 AT 6:18 PM (Merged)
Tiny
IKESHAT
  • MEMBER
  • 1 POST
  • 2000 FORD EXPEDITION
  • 153,000 MILES
All of a sudden my blinkers went out. My hazards work fine. I checked the bulbs(ok), no loose wire. I replaced the flasher unit, and the fuse but it still don't work. The lights don't show up on the instrument panel. The switch makes the click noise, and it's not loose.
Was this
answer
helpful?
Yes
No
+5
Saturday, June 17th, 2017 AT 6:18 PM (Merged)
Tiny
ASEMASTER6371
  • MECHANIC
  • 52,796 POSTS
Sounds like the switch has failed.

Roy
Was this
answer
helpful?
Yes
No
-2
Saturday, June 17th, 2017 AT 6:18 PM (Merged)

Please login or register to post a reply.