Rear blower motor not working

Tiny
KEN L
  • MASTER CERTIFIED MECHANIC
  • 55,488 POSTS
A - pillar ground should be ground not 14.84v? Did you get the correct wire? (Black wire).
Was this
answer
helpful?
Yes
No
Friday, June 17th, 2022 AT 12:12 PM
Tiny
ELMERMAXX
  • MEMBER
  • 20 POSTS
Yes, black wire coming from the screw on the pillar. That is the ground feeding the module.
Was this
answer
helpful?
Yes
No
Friday, June 17th, 2022 AT 12:33 PM
Tiny
ELMERMAXX
  • MEMBER
  • 20 POSTS
It's a good ground at the screw and at the module. The D (M-) seems to be the ground that's not working.
Was this
answer
helpful?
Yes
No
Friday, June 17th, 2022 AT 12:36 PM
Tiny
KEN L
  • MASTER CERTIFIED MECHANIC
  • 55,488 POSTS
Can you put the wire to ground to see what happens?
Was this
answer
helpful?
Yes
No
Saturday, June 18th, 2022 AT 8:50 AM
Tiny
ELMERMAXX
  • MEMBER
  • 20 POSTS
I just went out and ran wire from The A pillar to the blk B wire on the motor. It runs but very hot. Am I doing something wrong? So, it's my understanding that the ground into the module comes from the A pillar and then feeds the other ground D(M-) that runs to the motor. Or does it do something else entirely?
Was this
answer
helpful?
Yes
No
Saturday, June 18th, 2022 AT 12:20 PM
Tiny
KASEKENNY
  • MECHANIC
  • 18,907 POSTS
Okay. I think we are missing this. The blower motor processor powers and grounds the blower motor and the processor have its own separate ground. The fact that you are grounding something and it is getting hot means you have resistance in the circuit.

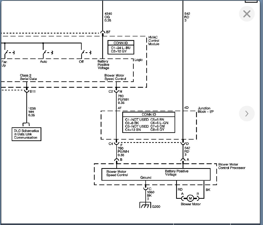
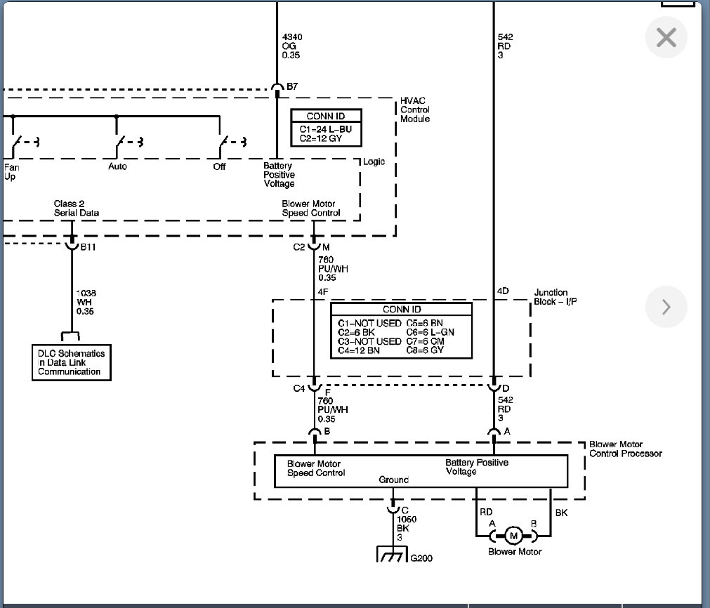
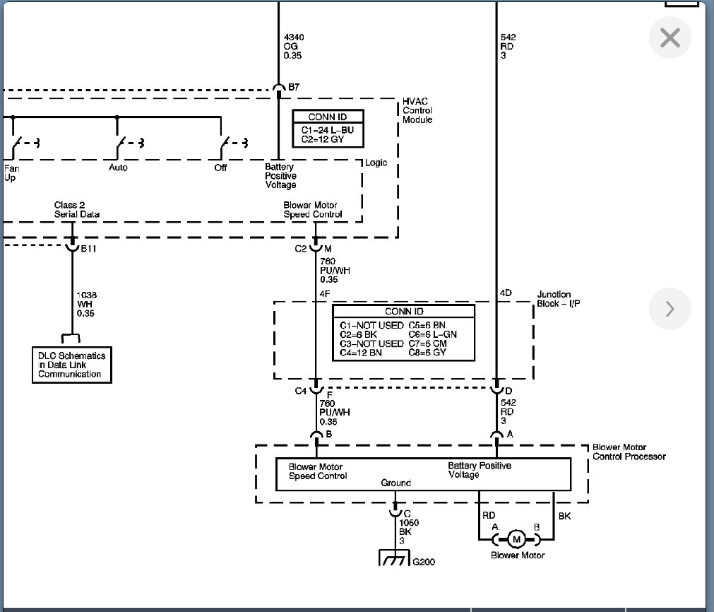
So, let's use the OEM wiring diagram as it lays it out a little better and check this all with the blower on high. I think this will be a recap, but I am worried we got onto the wrong path.

Use the diagrams attached to this post not the previous ones.

1) You should have battery voltage on pin A of the blower motor processor.

2) Then when checking voltage from pin A to pin C you should have battery voltage.

3) Then when checking pin B to Pin C your voltage should vary depending on the fan speed setting. I think the lower the voltage the higher the speed. 3 volts should be high but check that by monitoring this voltage and change the fan speed. The slower the speed, the higher the voltage should get.

Lastly, are the motor wires themselves.

4) Check the red wire to pin c of the processor and when on high, it should be 12 volts.

5) Then check the ground back to the motor by checking voltage from pin A to B of the motor connector. You can back probe this across the motor.

I suspect number 5 is the issue. So, we need to check the resistance (ohms) from the motor back to the processor. Basically, you are checking just the wire to see if it is a complete intact wire. So, unhook the connectors at the motor and processor and check from terminal to terminal of the black wire.

I think you said this is not doing anything even when you put it on the tone. If there is no tone, then that means there is no continuity.

However, your meter should read OL which means out of limit or that is an open circuit.

Can you set this up and then send a picture or quick video of the meter?

If this is the case, then that will explain why when you ground this wire, the motor runs. It is because the wire that the motor uses when you are not applying your own ground is open or has high resistance. So, the circuit is not complete.

Hopefully, this makes sense.
Was this
answer
helpful?
Yes
No
Saturday, June 18th, 2022 AT 1:49 PM
Tiny
ELMERMAXX
  • MEMBER
  • 20 POSTS
1 A on Module zero volts.
2 A>C 14.35 volts.
3 B>C high 3.25 then drops to.025.
Low exact same readings.
4 A>B zero voltage on motor connector.
5 ohms test between B on motor connector and A on module no change on meter at all.
Was this
answer
helpful?
Yes
No
Saturday, June 18th, 2022 AT 4:55 PM
Tiny
ELMERMAXX
  • MEMBER
  • 20 POSTS
The video was testing a piece of wire to test meter function the actual test there was no change.
Was this
answer
helpful?
Yes
No
Saturday, June 18th, 2022 AT 4:58 PM
Tiny
KASEKENNY
  • MECHANIC
  • 18,907 POSTS
Okay. So, on number 4 when you measured voltage across the motor you had 0 volts.

Let's confirm this one more way. Measure the voltage from A on the motor to C on the module or a known good ground. If you have battery voltage when on high, then that confirms you have no ground from B on the motor back to the module.

Which means I want to clarify when you say there was no change when you checked the ohms on the actual wire.

Does that mean it was the same (no change) as the test wire? The test wire read.001 kohms. That means it was one tenth of an ohm which is perfect amount of resistance on a wire. If that is what this wire on the vehicle read then that is ok.

If your meter reads this shown below when checking this wire from the motor to the module, then that means it is an open circuit and you have a broken wire.
Was this
answer
helpful?
Yes
No
Saturday, June 18th, 2022 AT 5:22 PM
Tiny
ELMERMAXX
  • MEMBER
  • 20 POSTS
I checked for voltage while fan was on high between A on the motor and a good ground and there was14.45 volts.
Yes, there was no reading from the ohms test between A on the module and B on the motor connection.
Any idea as to where the broken wire might be located at?
Was this
answer
helpful?
Yes
No
Sunday, June 19th, 2022 AT 9:48 AM
Tiny
KASEKENNY
  • MECHANIC
  • 18,907 POSTS
Unfortunately, that I cannot tell you. The best bet is to cut the wire at both ends and just wire it into a new one of your own.

Here is a video that will show how to solder new wires. Basically, you want to cut about 2 inches from each connector and then run a new wire.

https://www.youtube.com/watch?v=PxA5wczsCVo

Obviously, the video is of a headlight connector, but the point is how to cut and solder in a new wire. You can use the connectors that he shows but they are not as good as soldering.
Was this
answer
helpful?
Yes
No
Sunday, June 19th, 2022 AT 5:48 PM

Please login or register to post a reply.