Blower Fan not working?

Tiny
YUKON DAN
  • MEMBER
  • 2007 GMC YUKON
  • V8
  • 4WD
  • AUTOMATIC
  • 78,000 MILES
The front Blower fan will not work for air conditioning or heater. The rear blower fan works fine. The fan does not work on auto setting or when trying to increase fan speed manually. The indicator lights indicate the fan speed is increasing but it will not kick on. I could not find the location of a fuse or relay for the blower fan in the owners manual. Any ideas?
Friday, October 2nd, 2009 AT 6:22 PM

12 Replies

Tiny
RASMATAZ
  • MECHANIC
  • 75,992 POSTS
Check and test the blower motor control module in bottom center of HVAC modules. Here is a guide to help you

https://www.2carpros.com/articles/blower-fan-motor-works-on-high-speed-only

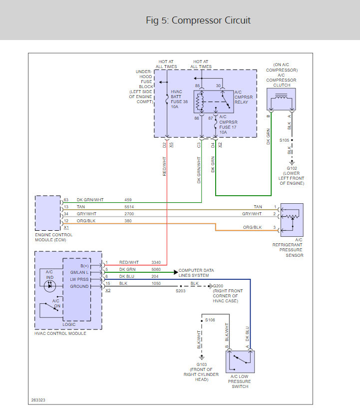
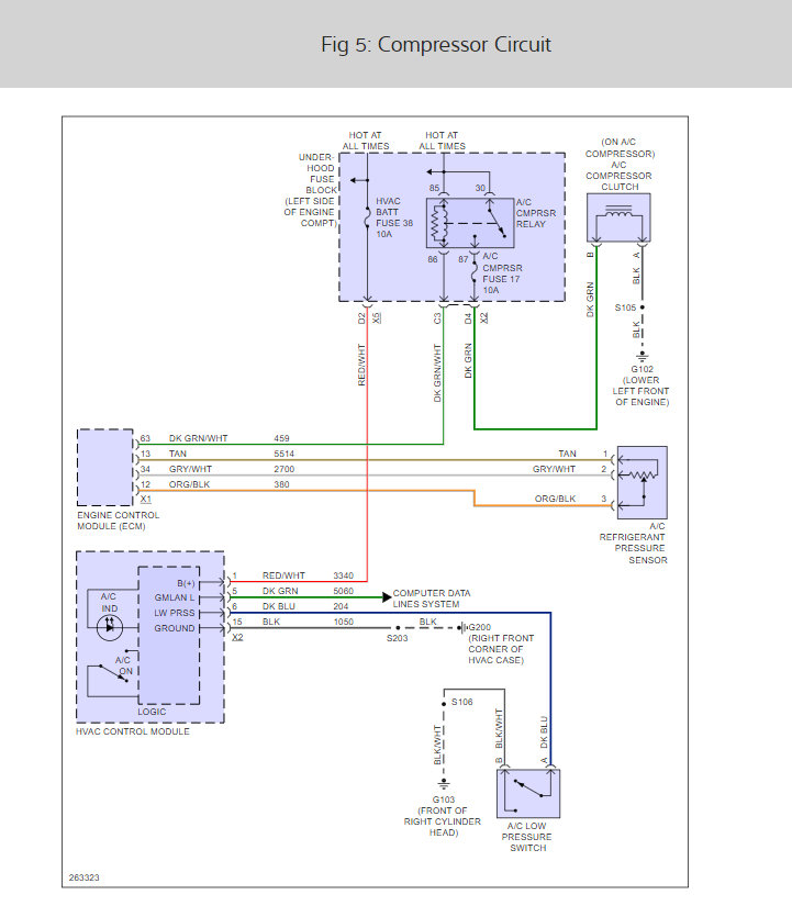
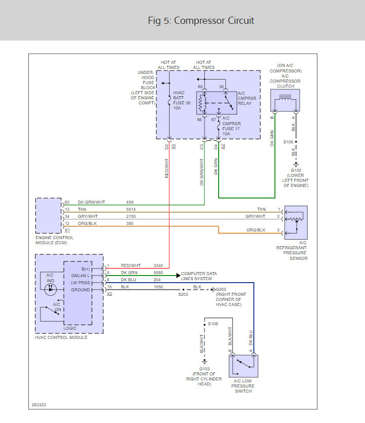
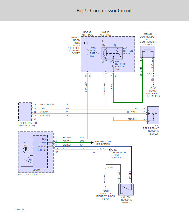
Here are the AC and heater wiring diagrams so you can see how the system works

Check out the diagrams (Below). Please let us know what you find. We are interested to see what it is.
Was this
answer
helpful?
Yes
No
+3
Friday, October 2nd, 2009 AT 6:30 PM
Tiny
YUKON DAN
  • MEMBER
  • 4 POSTS
Where is the HVAC modules located? Engine compartment? Behind dash?
Was this
answer
helpful?
Yes
No
Friday, October 2nd, 2009 AT 6:37 PM
Tiny
RASMATAZ
  • MECHANIC
  • 75,992 POSTS
There are two modules here are the locations below.
Was this
answer
helpful?
Yes
No
+9
Friday, October 2nd, 2009 AT 6:46 PM
Tiny
YUKON DAN
  • MEMBER
  • 4 POSTS
Checked module and it had 12 volts on the input but only 1.2 volts on the output to the motor. The module also became warm or hot to the touch. I purchased a new module and plugged it in but the blower still does not work. Apparently the modudle was not bad so where should I go from here?
Was this
answer
helpful?
Yes
No
Monday, October 5th, 2009 AT 10:48 AM
Tiny
RASMATAZ
  • MECHANIC
  • 75,992 POSTS
The blower motor ground need to be checked. Ust eh wiring diagrams above.
Was this
answer
helpful?
Yes
No
Monday, October 5th, 2009 AT 3:54 PM
Tiny
YUKON DAN
  • MEMBER
  • 4 POSTS
It was the ground that was loose I got it fixed thank you!
Was this
answer
helpful?
Yes
No
+6
Tuesday, October 6th, 2009 AT 2:13 PM
Tiny
RGREEN477
  • MEMBER
  • 1 POST
  • 1999 GMC YUKON
Heater problem V8 Four Wheel Drive Automatic 177000 miles

Issue: Drove the truck to destination and blower worked fine when truck was shut off. Got in it to leave and turned on heat on but no blower. Blower does not run in any of the four positions of the Control Switch. I have checked fuses but all are good. I originally suspected it was the blower motor but now am stumped!

Took the fan motor out and tested voltage. Here's what I saw which, to me, is strange.

There are four "knotches" on the rotary switch corresponding to fan speed. Right? Defined in the schematic as Lo, M1, M2 & Hi. Below is the voltage I see at each setting using a digital meter.

Off - Zero Volts
Low - 8v but climbs slowly to about 9v
M1 - 11.7v
M2 - 11.45v
Hi - Zero Volts
Note: When I turned to a lower setting from any higher setting the voltage drops dramatically and then slowly climbs back to the values from above.

I have now replaced both the Fan Motor, the High Blower Relay with no avail or change in voltages.

I removed the Blower Resistor and check for continuity across all of the various coils and the one resistor. All are good.

The only thing I have not replaced/tested is the HVAC Control Module which includes the rotary switch.

Other notes:

I have checked wiring harness around the heater housing for signs of overheating. No visible signs.
Change other rotary switch for air deflection and the appropriate doors open or close. I can hear them.
The Recirculation button works fine as I can also hear/see the door operate.
Rear AC fan works fine.

Questions:

1. I understand a common problem is that if the resistor goes bad, the fan may only operate on Hi. I am seeing the opposite. Should I be seeing continuity across all poles on the resistor?
2. Couldn't I hook the fan to a 12v power source and it should run? Haven't done it yet, afraid of frying the brushes but seemed like a basic test.
3. Should the HVAC Control Module be the next focus? Is it a pain in the butt to remove?
4. Am I delving too deep here and missing something obvious?

So I'm somewhat stumped. Wondered if you had any specific recommendations based on the above info.

Thank you in advance. Hope you had a great Thanksgiving.

RG
Was this
answer
helpful?
Yes
No
Thursday, August 3rd, 2017 AT 4:44 PM (Merged)
Tiny
KEN L
  • MASTER CERTIFIED MECHANIC
  • 55,488 POSTS
Hello,

It sounds like you have lost power somewhere and it could be the controller but lets run some test to be sure.

Here are some guides to help you get the problem fixed.

https://www.2carpros.com/articles/how-to-use-a-test-light-circuit-tester

and

https://www.2carpros.com/articles/blower-fan-motor-works-on-high-speed-only

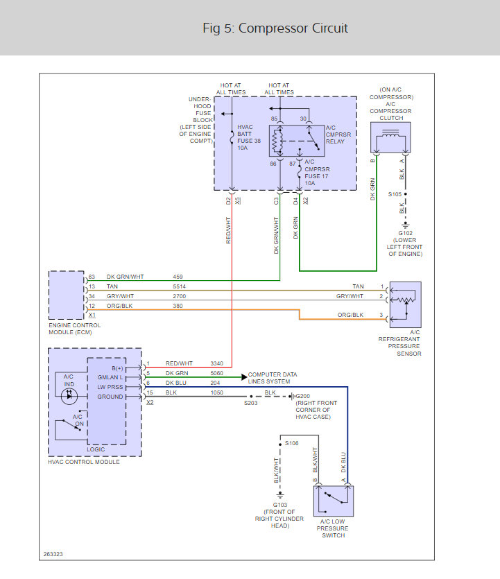
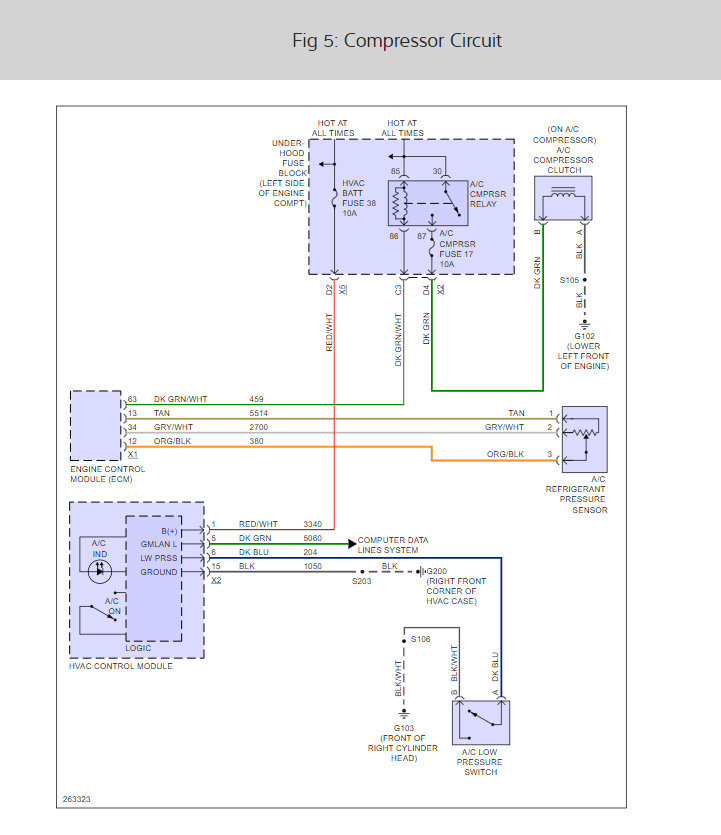
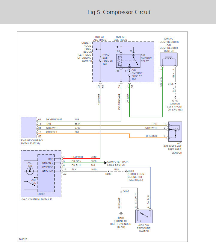
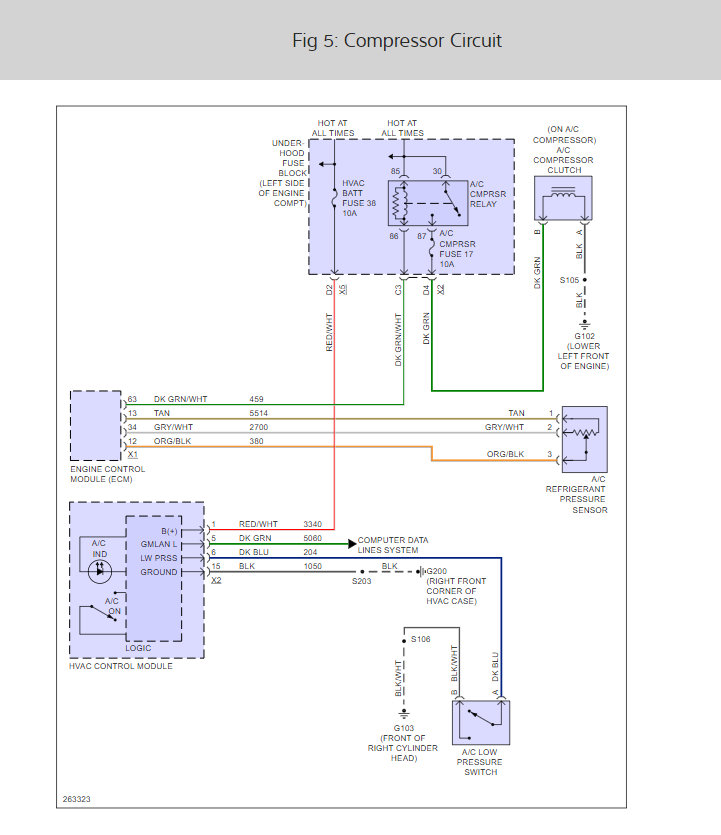
Here are some wiring diagrams to help with the testing (Below)

Please let us know what happens.

Cheers, Ken
Was this
answer
helpful?
Yes
No
+1
Thursday, August 3rd, 2017 AT 4:44 PM (Merged)
Tiny
MNSKUNKY
  • MEMBER
  • 3 POSTS
  • 2004 GMC YUKON
  • 6.0L
  • V8
  • AWD
  • AUTOMATIC
  • 112,000 MILES
About a week ago I noticed that my fan quit working for about 5 minutes one day. Then a few days later it happened again. Today I tried to run my a/c on full blast and it started pumping out heat. So I turned it off and back on. Now the fan will not work at all anymore. Do you have an idea if it is the blower motor, blower controller, or the resistor?
Was this
answer
helpful?
Yes
No
+1
Thursday, August 3rd, 2017 AT 4:44 PM (Merged)
Tiny
RHALL77
  • MECHANIC
  • 3,361 POSTS
Does the fan come on otherwise. If not check and see if the fuses are blown. If they are ok, disconnect the fan and use a test light to see if there is voltage there when the AC is turned on.
Was this
answer
helpful?
Yes
No
-1
Thursday, August 3rd, 2017 AT 4:45 PM (Merged)
Tiny
ZONEPILOT
  • MEMBER
  • 1 POST
  • 2004 GMC YUKON
  • V8
  • AWD
  • AUTOMATIC
  • 40,000 MILES
Heater problem
2004 GMC Yukon V8 All Wheel Drive Automatic 40000 miles
I replaced my switch in the dash and it started working again. Thanks for the great info
Was this
answer
helpful?
Yes
No
+3
Thursday, August 3rd, 2017 AT 4:45 PM (Merged)
Tiny
JDL
  • MECHANIC
  • 16,098 POSTS
Welcome to the forum, did you use a testlite to check fuse circuit? Not sure if that is readable? At the blower motor connector, purple wire is voltage and black wire is ground. You can use testlite to check for voltage.


https://www.2carpros.com/forum/automotive_pictures/170934_04_yukon_1.jpg

Was this
answer
helpful?
Yes
No
+3
Thursday, August 3rd, 2017 AT 4:45 PM (Merged)

Please login or register to post a reply.