Tuesday, March 30th, 2021 AT 3:05 PM
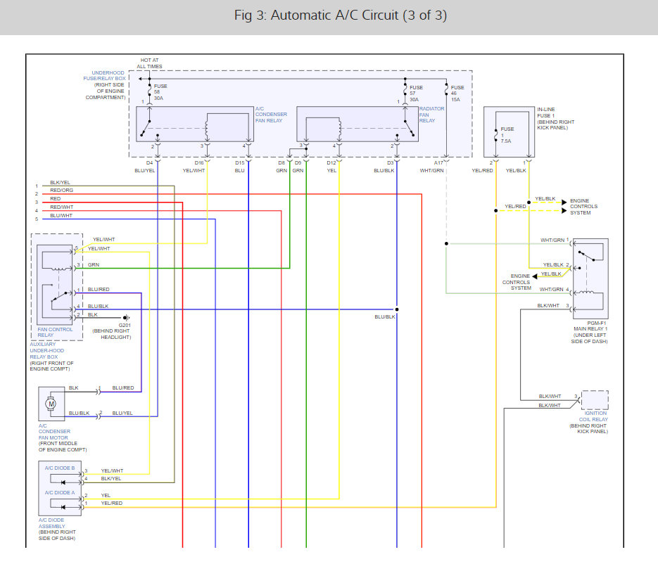
I am wracking my brains on this vehicle. I have searched and watched YouTube videos for everything from a 2003-2012 Honda Pilot and my vehicle does not match. My rear A/C blower won’t work. I took the motor out and direct connect to 12v it worked. According to all the different sites I checked, it said to check the resistor. My resistor is different than every other resistor shown. It has 5 wires instead of 4 and is screwed in with two screws instead of twist in. I don’t know how to test this or even what part to look up to replace it. All auto part sites pull up a round resistor and this is not it. Can you help me with what terminals to test and how to identify if it is bad? And then what part number. I tried the numbers on top and nothing relevant comes up in a Google search.





























