Thursday, November 14th, 2024 AT 10:52 PM
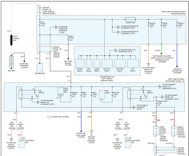
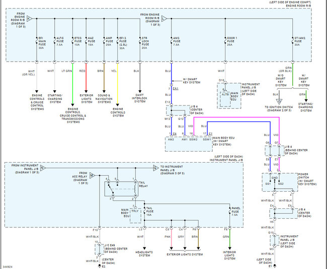
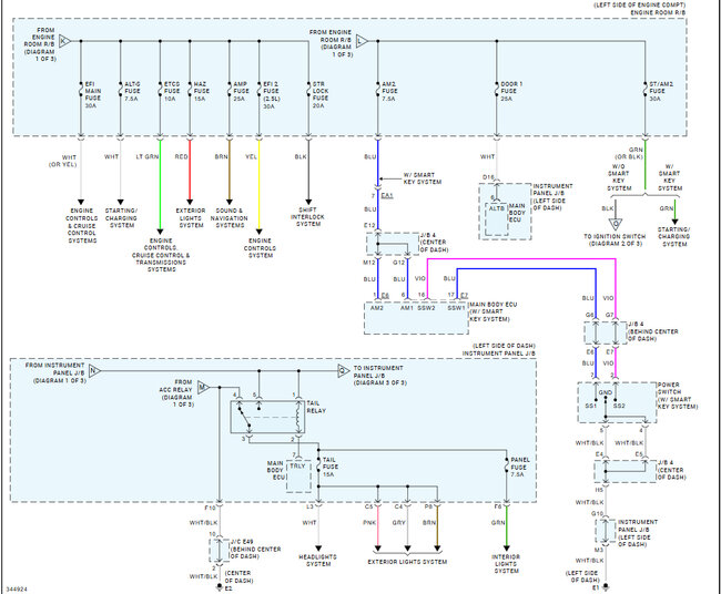
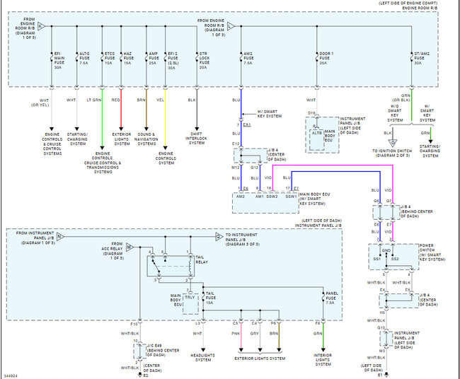
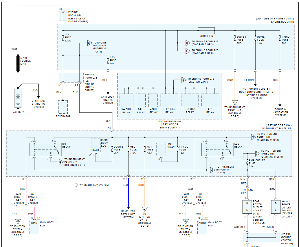
The dogs eating all the wires coming out the fuse box under hood so I need to know the color of the wires and what they connect back to so I can fix my car and get it running its all the wires that go to the headlights, turn signals, fans, washer fluid box, fog lights, and horns. I have another wiring harness off a different model but all the wires are different colors so I need to know the colors of my wires that go to what so I can fix this. Thanks





