Friday, February 26th, 2016 AT 12:08 AM
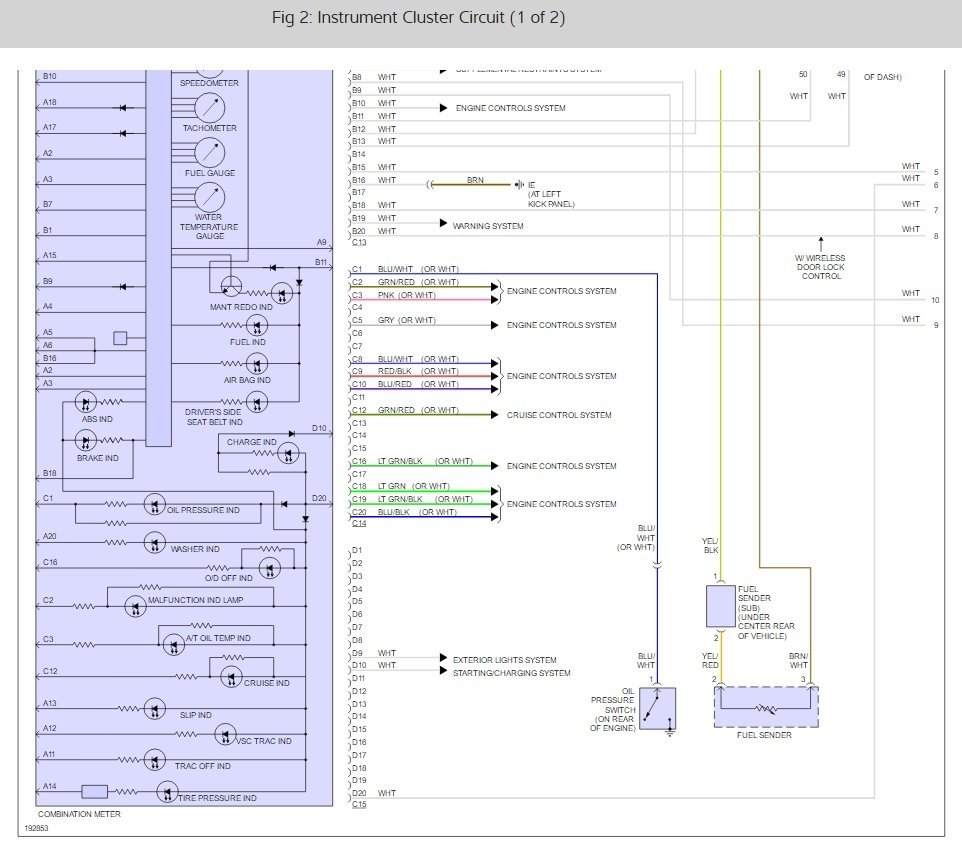
The odometer and speedometer did not work from last year. I have new wiring and speedometer sensor, lasted through the winter. Last week on a rainy night both odometer and speedometer after a few days of sunny weather, they worked until a few days ago. It rained and did not work again. What is the problem here? First time it rained, the gears were slipping a bit, but the second time the gears worked perfectly. I can go on to the highway and no gear slipping.







