HOME
ASK A QUESTION
REPAIR GUIDES
BECOME A MEMBER
LOG IN
Login with Facebook
OR
Remember me
NOT A MEMBER?
FORGOT PASSWORD?
CONTACT US
PRIVACY POLICY
TERMS AND CONDITIONS
☰
Home
Dodge
Dart
Interior
Radio
Wiring
Radio wiring harness diagram needed
LARRY NASON
MEMBER
2013 DODGE DART
2.0L
4 CYL
2WD
MANUAL
144,000 MILES
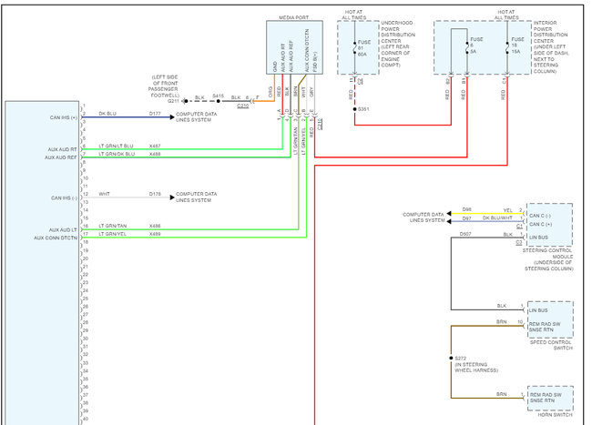
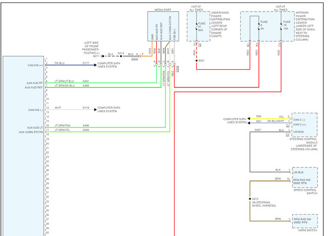
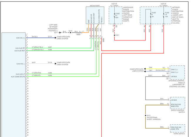
I'm trying to install an inline converter for an amp in my car. Does somebody have a diagram or pinout of the radio harness?
Tuesday, February 22nd, 2022 AT 6:05 PM
1 Reply
SQM
MECHANIC
6,383 POSTS
Hello,
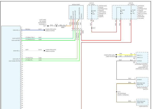
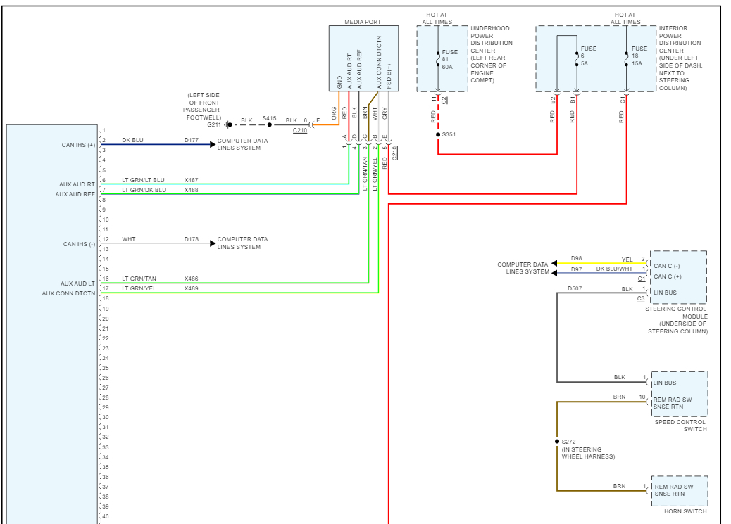
I have attached the pinout as well as the wiring schematics for the radio below. It is for the standard model radio.
Please let me know if you have any questions.
Thank you.
https://www.2carpros.com/articles/how-to-check-wiring
Images (Click to make bigger)
Was this
answer
helpful?
Yes
No
+2
Tuesday, February 22nd, 2022 AT 7:27 PM
Please
login
or
register
to post a reply.
Ask a Car Question. It's Free!
How to Use a Test Light
Window Switch Replacement and Test
Hood Open