HOME
ASK A QUESTION
REPAIR GUIDES
BECOME A MEMBER
LOG IN
Login with Facebook
OR
Remember me
NOT A MEMBER?
FORGOT PASSWORD?
CONTACT US
PRIVACY POLICY
TERMS AND CONDITIONS
☰
Home
Chevrolet
Trailblazer
Interior
Radio
Code
Radio wiring diagram needed?
CHRISA1993
MEMBER
2004 CHEVROLET TRAILBLAZER
216,000 MILES
Stereo diagram color codes for the vehicle listed above LS model.
Wednesday, May 31st, 2023 AT 10:12 AM
1 Reply
KEN L
MASTER CERTIFIED MECHANIC
54,291 POSTS
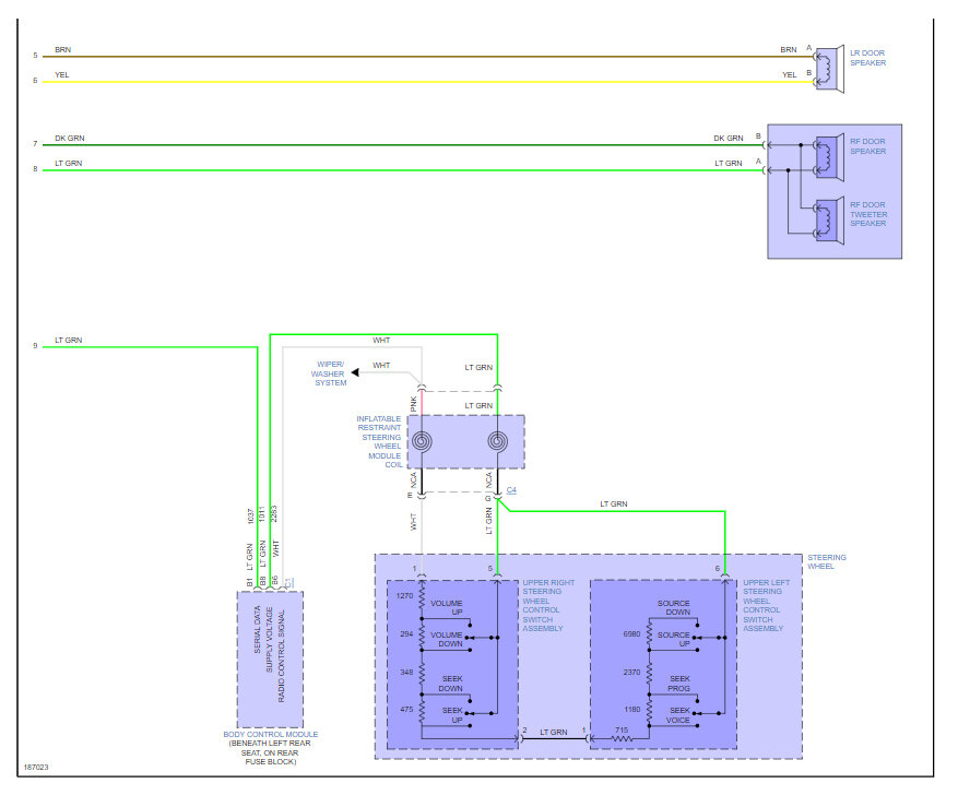
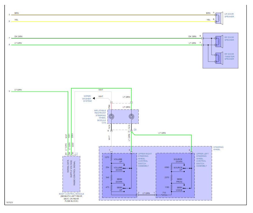
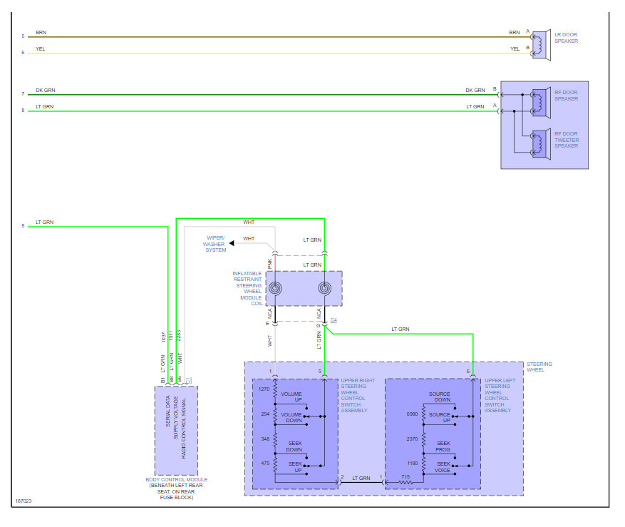
Sure, here are the radio wiring diagram and a guide to help check the connections:
https://www.2carpros.com/articles/how-to-check-wiring
Check out the images (below). Please let us know if you need anything else to get the problem fixed.
Images (Click to make bigger)
Was this
answer
helpful?
Yes
No
Thursday, June 1st, 2023 AT 2:41 PM
Please
login
or
register
to post a reply.
Related Radio Code Content
Radio Stays On
Why Is The Radio, Dash Lights, And Battery Light Staying On When I Turn Key To Off, Pull It Out, And Exit The Vehicle?
Asked by
davemez
·
2 ANSWERS
4 IMAGES
2003
CHEVROLET TRAILBLAZER
2002 Chevrolet Trailblazer Gauges And Radio Not...
I Replaced The Radio In My 2002 Trailblazer (bought The Correct Adpater Because I Have Onstar). Radio Was Working Fine! But I Hooked Up An...
Asked by
higgy73
·
1 ANSWER
2002
CHEVROLET TRAILBLAZER
2001 Chevy Trailblazer Radio
The Radio Lights Come On But No Sound Comes Out The Speakers For Radio Or When Playing Cd
Asked by
Dsaling
·
1 ANSWER
2001
CHEVROLET TRAILBLAZER
2002 Chevy Trailblazer Radio
Electrical Problem 2002 Chevy Trailblazer 6 Cyl Four Wheel Drive Automatic I Have Factory Radio The Cd Stopped Working Should I Get It...
Asked by
cjcurtis
·
1 ANSWER
2002
CHEVROLET TRAILBLAZER
2003 Chevrolet Trailblazer Car Audio (bose System)
I Installed A Aftermarket Radio Now I Get More Bass Then Sound If I Replace The Current Factory Speakers Will It Help With The Sound (the...
Asked by
rojas91
·
1 ANSWER
2003
CHEVROLET TRAILBLAZER
VIEW MORE
Ask a Car Question. It's Free!
How to Use a Test Light
Airbag Removal - Drivers Side
Blend Door Actuator Replacement