Radio stays on

Tiny
DAVEMEZ
  • MEMBER
  • 2003 CHEVROLET TRAILBLAZER
  • 6 CYL
  • AWD
  • AUTOMATIC
  • 78,000 MILES
Why is the radio, dash lights, and battery light staying on when I turn key to off, pull it out, and exit the vehicle?
Wednesday, June 29th, 2011 AT 10:20 PM

2 Replies

Tiny
FACTORYJACK
  • MECHANIC
  • 4,159 POSTS
Hello,

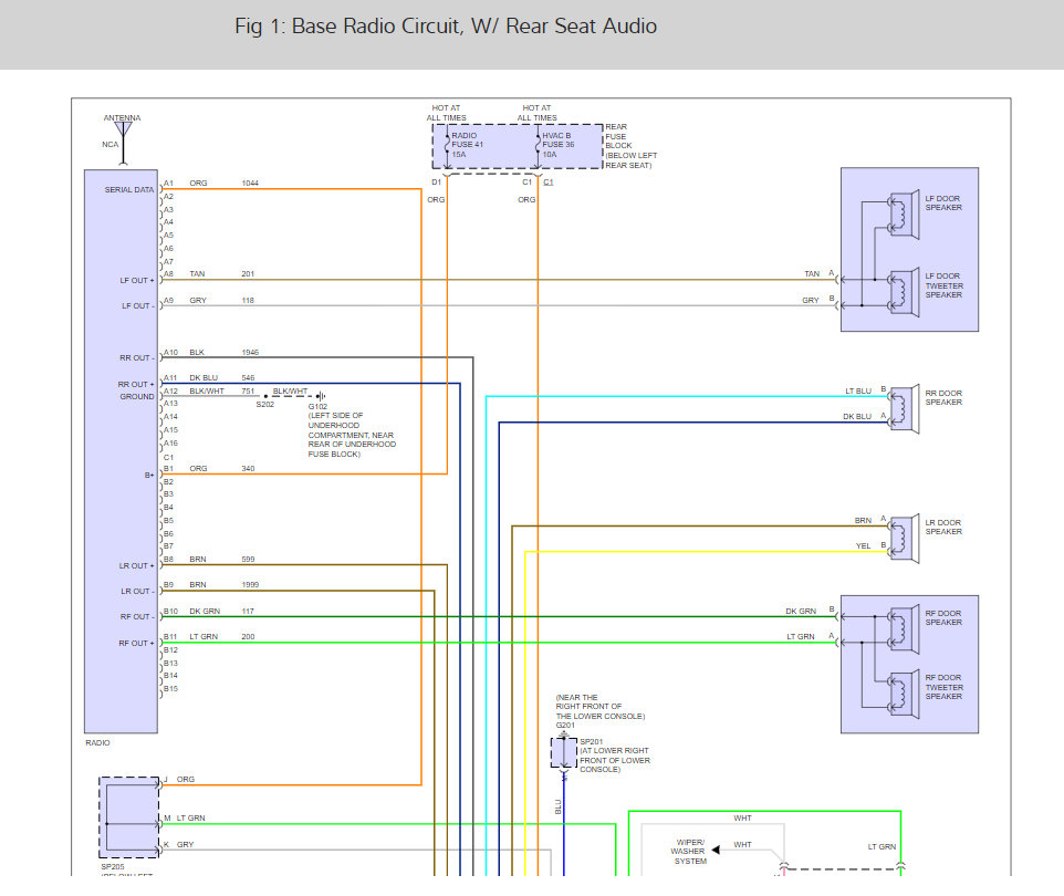
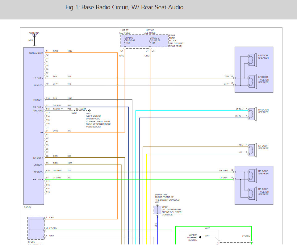
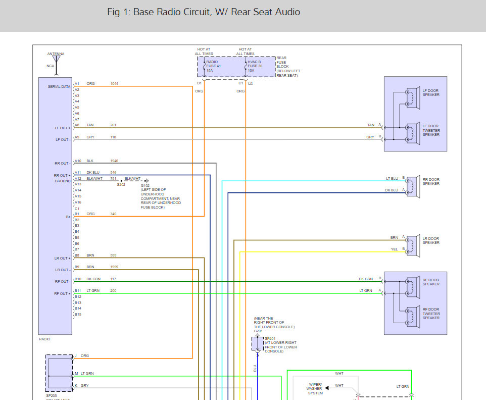
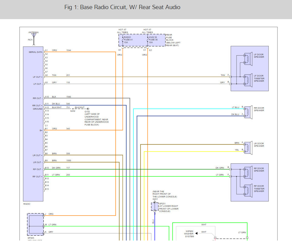
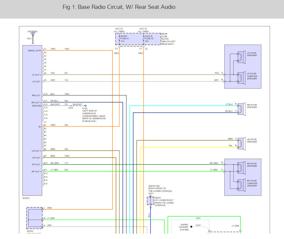
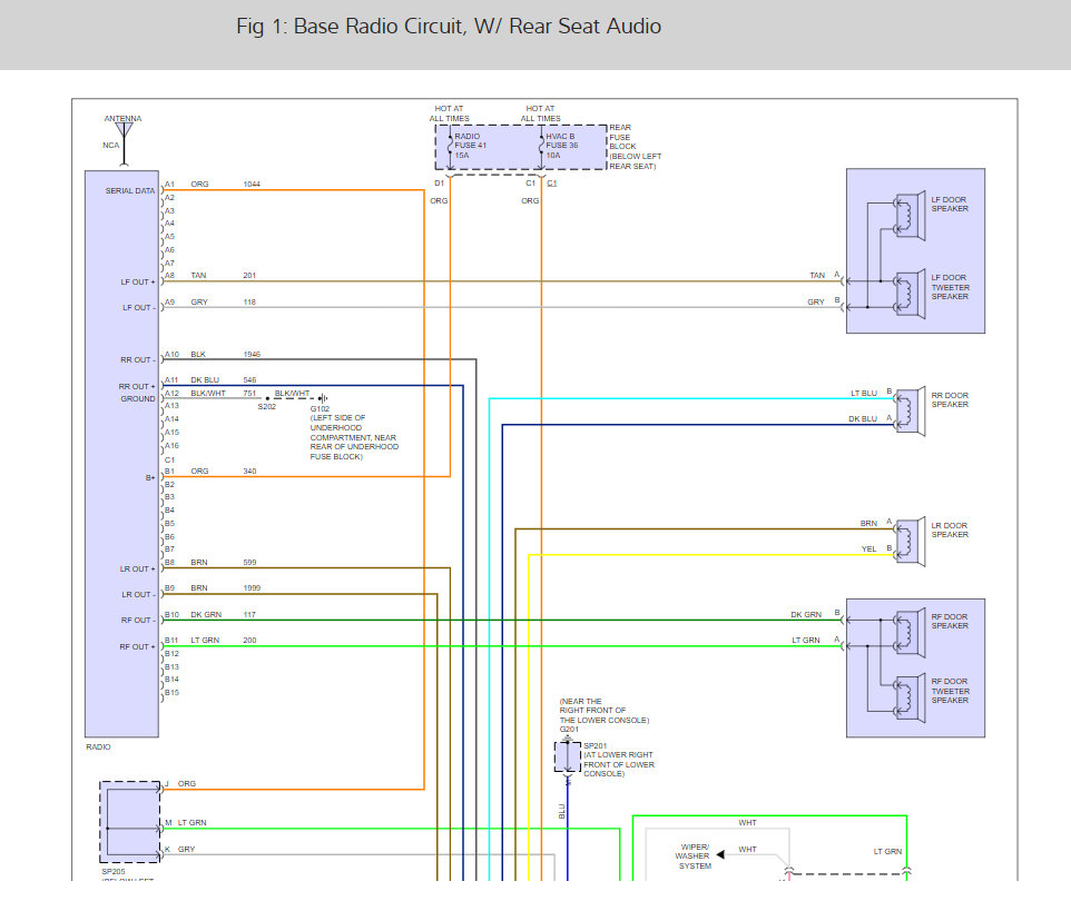
What happens is the BCM goes out causing the radio to stay on here is the radio wiring diagrams and the BCM location with instructions on how to change it out. Check out the diagrams (Below). Please let us know what you find. We are interested to see what it is.
Was this
answer
helpful?
Yes
No
+1
Thursday, June 30th, 2011 AT 4:52 AM
Tiny
SRLAWSON
  • MEMBER
  • 1 POST
Thank you for this post I had this problem and had the BCM replaced all fixed!@ Cost me $330.00
Was this
answer
helpful?
Yes
No
Monday, April 22nd, 2019 AT 5:21 PM

Please login or register to post a reply.