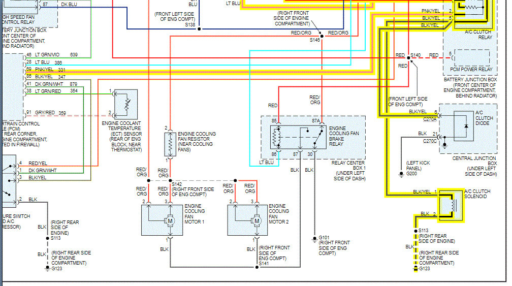
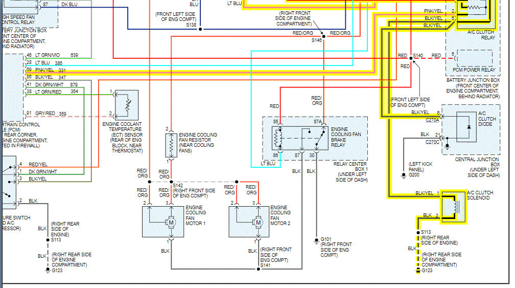
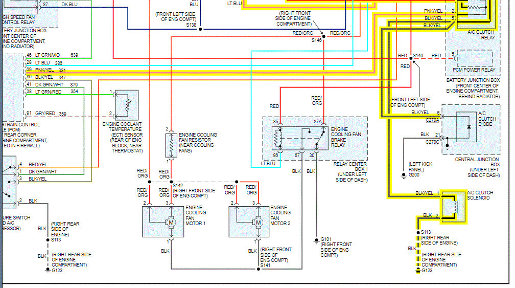
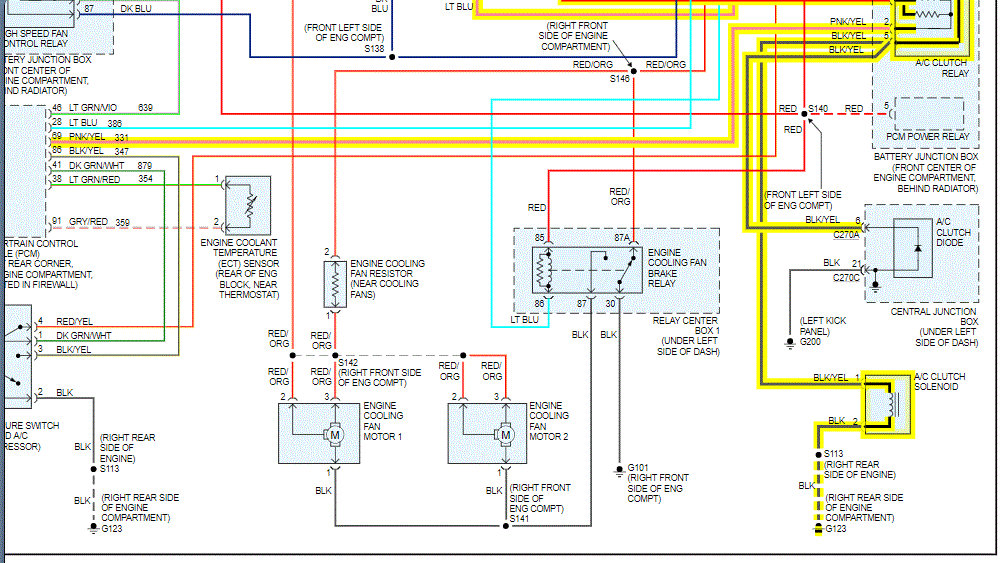
Tuesday, July 2nd, 2019 AT 10:53 AM
My heated seats don't work and my remote start is not working, but the back up camera sensor still beeps. All other electrical stuff works on the car could these problems be the result of a bad control module? When a diagnostic check was completed it stated no power to the fuses in the center console area.











