Radio and date not working

Tiny
TONYSBABYGIRL
  • MEMBER
  • 1997 OLDSMOBILE AURORA
  • V8
  • AUTOMATIC
  • 132,000 MILES
I was going somewhere and both worked fine. On my way back home I noticed the radio wouldn't go on. Pressing the power button did nothing. Changing the fuse also didn't work. Then noticed on the Driver Information Center when I pressed "date" it said "date not available". So they both seemed to stop working at the same time. Can't find anything on the internet. Any suggestions would be very much appreciated.
Saturday, March 30th, 2019 AT 7:16 PM

11 Replies

Tiny
HARRY P
  • MECHANIC
  • 2,296 POSTS
Hello and welcome to 2CarPros. While there's no specific information that sheds light on what's going on here, I'd mention that there are more than one fuse to check in this case. I'm including diagrams of the two interior fuse boxes (one is in the instrument panel/dash) and the other is under the back seat, on the passenger side (just pull up from under the seat, along the front edge and it will pop right out).

Looking at the first image below, check the fuses for IGN 1, IGN 3, and HTD SEAT/INST PANEL. I don't *think* that these ones will be the issue, but it only takes a second to check them. Looking at the second image, check fuses I/P 1 and I/P 2. Looking at the third image, check RADIO, IGN 1, IGN 3, AUX PWR, and C/LTR (sometimes GM puts other things on this circuit along with the lighter).

So start there and see what you see. Either way, let me know what you find and I'll go from there. If this doesn't solve the problem, I'll be able to look deeper into it and see if there's something else that could be connecting the two things. Thanks for using 2CarPros. And good luck!

Harry
Was this
answer
helpful?
Yes
No
Sunday, March 31st, 2019 AT 4:47 AM
Tiny
TONYSBABYGIRL
  • MEMBER
  • 67 POSTS
I checked the fuses and all of them seem to be fine. Another thing I noticed today was the steering wheel controls for the fan and temperature aren't working. Of course I can't tell if the radio controls are working or not being that I can't get the radio on. So now its the steering wheel controls, radio, and date on the driver information center that aren't working. I really appreciate you helping me try to fix this issue. It's my sons first car that's he's only had for a week now and understandably is kind of upset over this. I've had many cars before with issues and was always able to find some type of information on the internet but not this time. Thank you so much for your help!
Was this
answer
helpful?
Yes
No
Sunday, March 31st, 2019 AT 12:49 PM
Tiny
TONYSBABYGIRL
  • MEMBER
  • 67 POSTS
Being that two of the fuse boxes and the battery are underneath the back seat I thought I should mention this. Last night before these things stopped working it was the first time someone sat in the back. We had to put a car seat back there and had to remove the seat to get the belts (they were underneath the seat). I doubt this has anything to do with the issues being that after we moved the seat things were still working fine. It was after we came out of the restaurant and got back in the car that we noticed these problems. Just thought I would mention it.
Was this
answer
helpful?
Yes
No
Sunday, March 31st, 2019 AT 1:02 PM
Tiny
HARRY P
  • MECHANIC
  • 2,296 POSTS
Just a quick suggestion before I head in to my other job. Pull the back seat up again and make sure that the battery connections and any connections to the floorboard/body of the car are super clean and tight. It could be that something down there was a little loose and got moved slightly when you pulled the seat up. I'll do a little more research when I get home later. This is an unusual issue, but I believe that it will prove to be something simple.

Oh and when you say that you checked all of the fuses, are you saying that toy checked every fuse in the car? Or every fuse that I suggested?

I look forward to your response.
Was this
answer
helpful?
Yes
No
Monday, April 1st, 2019 AT 4:02 AM
Tiny
TONYSBABYGIRL
  • MEMBER
  • 67 POSTS
I checked all of the fuses that are in the front. The ones under the back seat, I only checked the ones you suggested and maybe a couple more. I was thinking maybe something got loose from when people were sitting in the back but was unsure of what to check. Plus all those wires are a bit intimidating but I'll check. I feel it's probably something simple also.
Was this
answer
helpful?
Yes
No
Monday, April 1st, 2019 AT 4:54 AM
Tiny
TONYSBABYGIRL
  • MEMBER
  • 67 POSTS
It doesn't seem like anything is loose under the back seat.
Was this
answer
helpful?
Yes
No
Monday, April 1st, 2019 AT 6:08 PM
Tiny
STEVE W.
  • MECHANIC
  • 15,697 POSTS
The date on the dash is pulled from the radio so if the radio isn't operating the date won't show up it should return once the rest is repaired.
What I would do first is run all the fuses with a test light. They can look good visually but still be bad. It's easy to do. Take a test lamp, connect it to a good ground, then with the key on touch the small tab that sticks up on the top of the fuse. It should light up on both sides of every fuse. If you find one with only one side replace the fuse. If both sides show no power write down the fuse number or description and post it here.

Next check all the other electronic items in the vehicle to see if anything else stopped working. This testing will narrow down which circuits are affected.
I have seen where these under seat fuse boxes were damaged by people setting in the seat or if they knelt on them in just the wrong spot.
Was this
answer
helpful?
Yes
No
Wednesday, April 3rd, 2019 AT 2:33 PM
Tiny
CJ MEDEVAC
  • MECHANIC
  • 11,005 POSTS
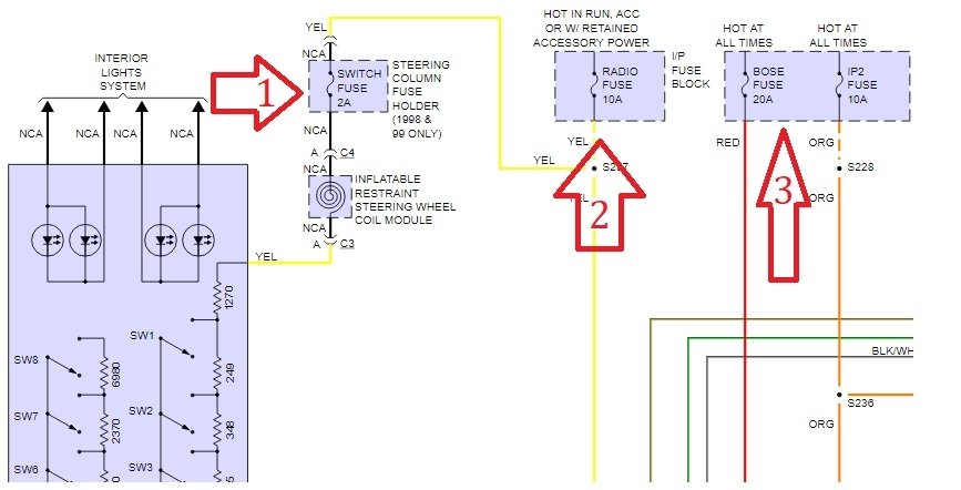
Maybe this could help?

This is a partial choppage from the radio wire diagram from "Prodemand"

Here's all the fuses it shows along with locations.

Seems there is a loner fuse segregated all by itself.

I'm guessing that its in an old style tubular holder or maybe a rubber square version with a rubber cap (probably with a tether to prevent loss)

Check out my "1" arrow in the diagram below.

Return with a big ole grin!

The Medic
Was this
answer
helpful?
Yes
No
Wednesday, April 3rd, 2019 AT 3:25 PM
Tiny
TONYSBABYGIRL
  • MEMBER
  • 67 POSTS
OMG it is fixed. I went and got a tester and it landed up being a fuse. It was one of the i/p ones. You were right, it looked like there was nothing wrong with it. Thank you so much to both of you.
Was this
answer
helpful?
Yes
No
Wednesday, April 3rd, 2019 AT 5:39 PM
Tiny
STEVE W.
  • MECHANIC
  • 15,697 POSTS
Great to hear. One of the reasons to run the fuses with a light is because they can look fine but be bad, actually very common. Doing the test that way also means you are not fighting to pull fuses to look at them.
On behalf of the folks here at 2CarPros we thank you for using our service and hope you will return with any other vehicle questions you may have. Please tell your friends and family about us. We are here to help.
Thank you again.
Was this
answer
helpful?
Yes
No
Wednesday, April 3rd, 2019 AT 11:05 PM
Tiny
HARRY P
  • MECHANIC
  • 2,296 POSTS
Sweet! Thanks Steve and CJ for the assist. As Steve said, thanks for using 2carpros. Come back anytime and send your friends too.
Was this
answer
helpful?
Yes
No
Thursday, April 4th, 2019 AT 3:11 AM

Please login or register to post a reply.