Sunday, September 27th, 2020 AT 5:37 PM
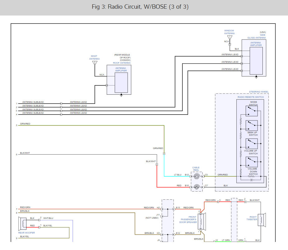
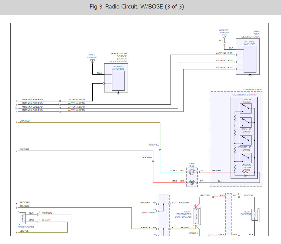
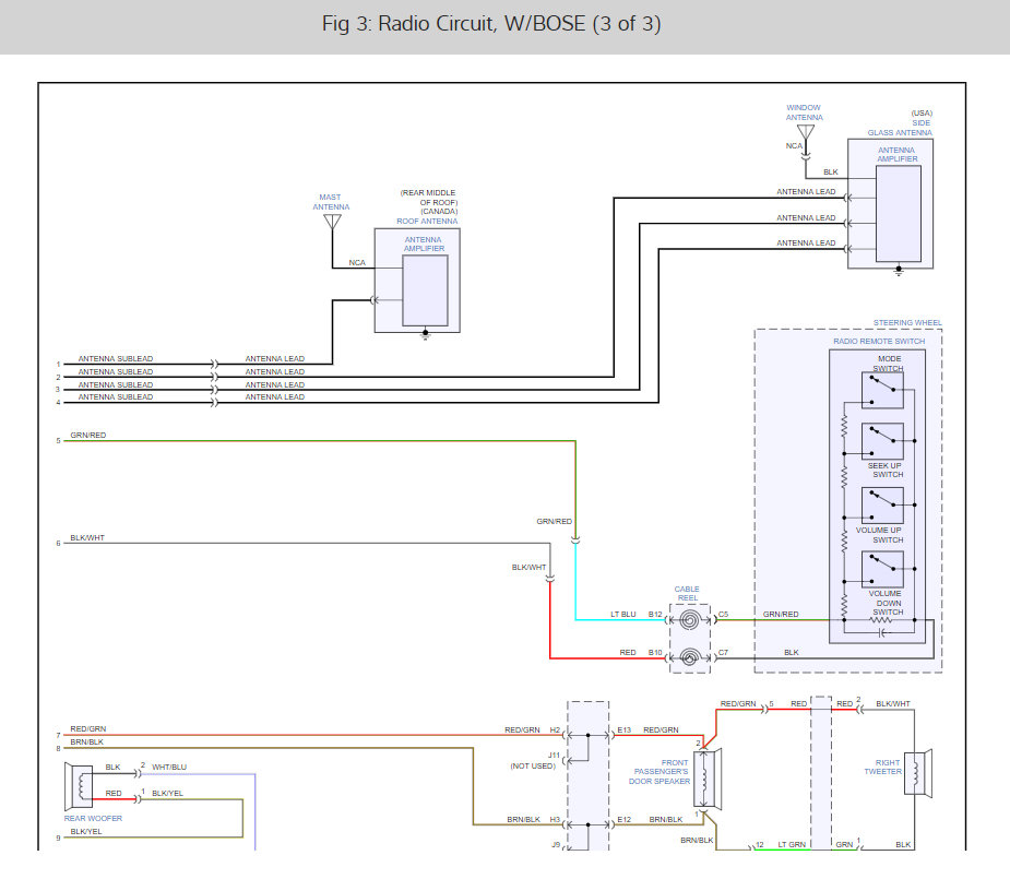
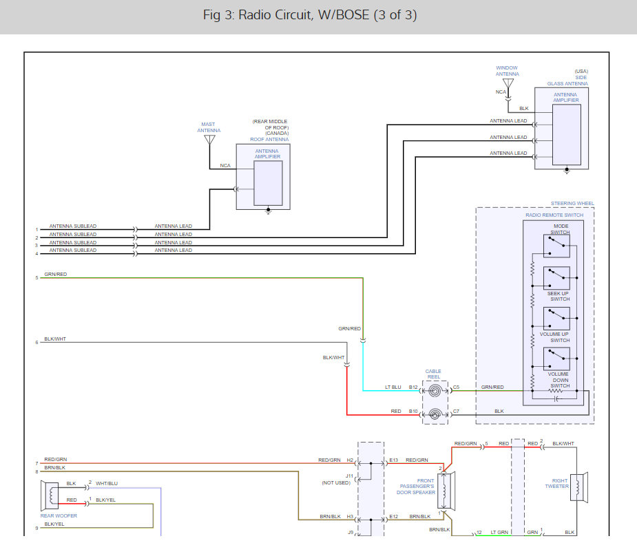
Touch screen radio installed; the guy that installed it I guess they didn't do it right and one of the wiring harnesses ended up melting. So I rewired everything back same color to same color and went to plug into factory radio and it wouldn't work but it worked when it came out. I checked all the fuses are good.











