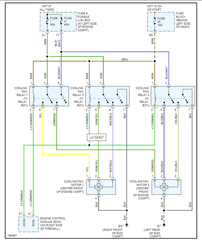
Symptoms include:
Check engine light on, temperature gauge on speedometer not working (or stuck on cold), lurching back and forth, stalling, the only time the radiator fans start to spin is when the A/C is on. When the Coolant Temperature sensor is unplugged the radiator fans go full blast without the A/C on. Periodically the radiator fans turn on like once a week on their own and the temperature gauge works. Then the next day it is broken again and doesn't work for several weeks. Another note to add, the front passenger side motor mount is broken, which causes the engine to shift in the engine bay quite a bit.
I am going to replace the connector to the coolant temperature sensor because it is broken and there are wires exposed. And I'm trying out a different coolant temperature sensor to see if I accidentally got the wrong one. Other than that, is there any other suggestions on what could be the problem?
Thursday, November 18th, 2021 AT 9:47 PM
