Cooling fans aren't working

Tiny
HERZOG
  • MEMBER
  • 1998 NISSAN SENTRA
  • 4 CYL
  • 2WD
  • AUTOMATIC
  • 111,000 MILES
Engine cooling fans stopped working, ran hot wire to secondary fan and it works, replaced 2 fan fuses and relays
Monday, May 25th, 2015 AT 10:12 AM

4 Replies

Tiny
WRENCHTECH
  • MECHANIC
  • 20,761 POSTS
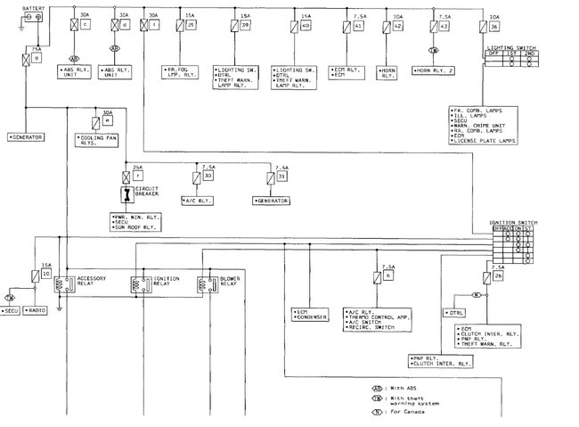
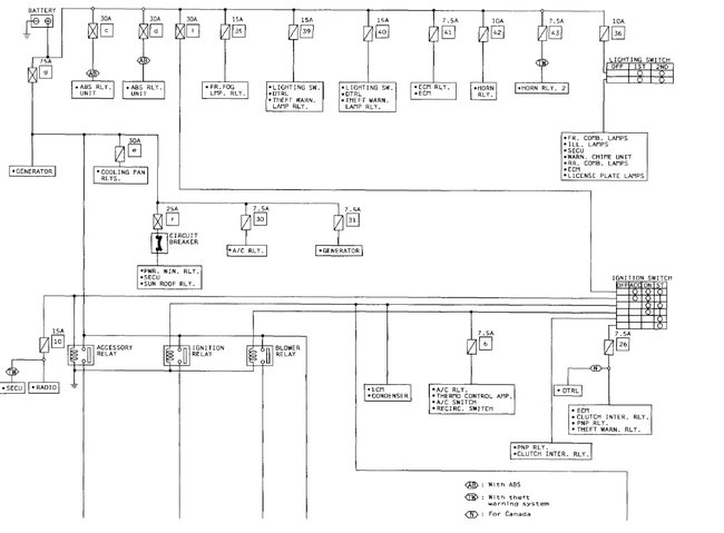
This isn't going to be as simple as asking someone online. It's an intricate circuit and someone with electrical knowledge is going to have to do some testing.

https://www.2carpros.com/images/external/79005043.jpg.gif
Was this
answer
helpful?
Yes
No
Monday, May 25th, 2015 AT 10:57 AM
Tiny
HERZOG
  • MEMBER
  • 2 POSTS
Thank u so much for the response, it turned out to b the sensor in the thermostat housing
Was this
answer
helpful?
Yes
No
+1
Monday, May 25th, 2015 AT 11:16 AM
Tiny
AZDANNO04
  • MEMBER
  • 343 POSTS
Which sensor? The coolant sensor? I am having the same issue. I replaced with new fans/motors/relays but still not working. Which and where are the fuses located? 1998 Sentra ga16de, GXE, automatic.
Was this
answer
helpful?
Yes
No
-1
Friday, December 18th, 2020 AT 10:10 AM
Tiny
KEN L
  • MASTER CERTIFIED MECHANIC
  • 55,322 POSTS
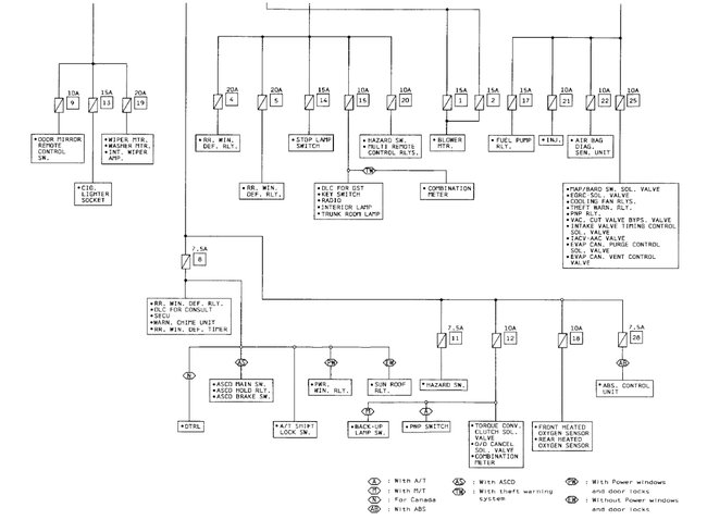
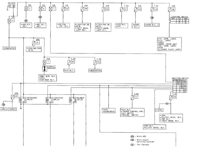
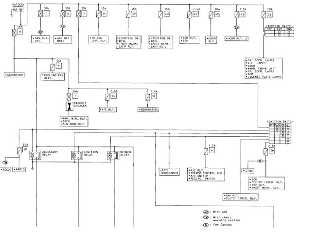
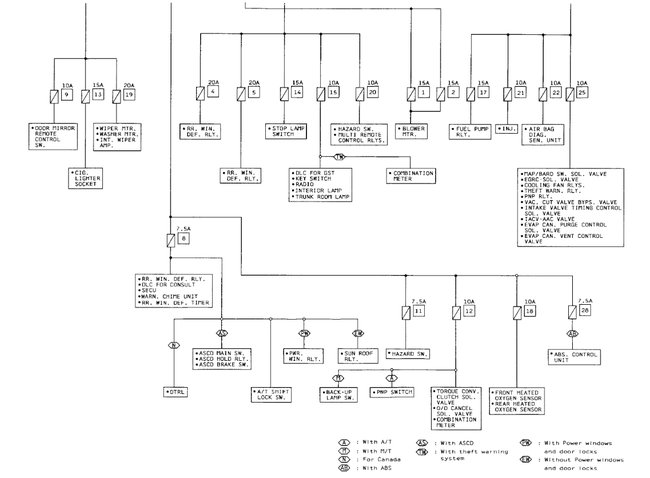
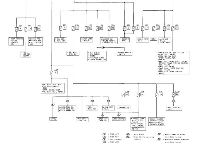
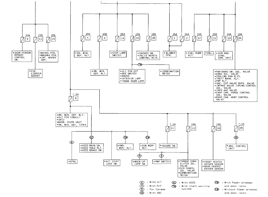
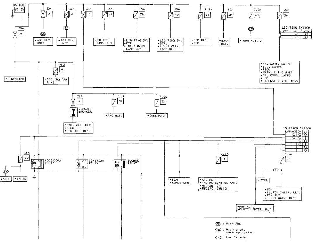
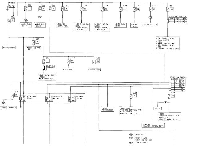
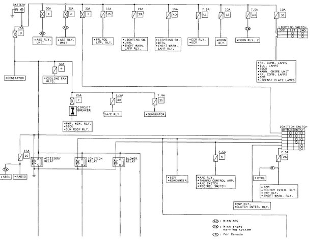
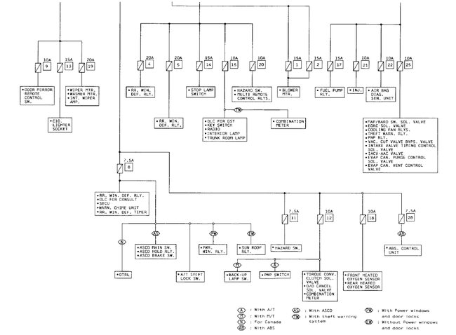
Yep, this would be the coolant sensor which is located in the diagrams below along with the fuses. Check out the diagrams (below). Let us know what happens and please upload pictures or videos of the problem.
Was this
answer
helpful?
Yes
No
+2
Tuesday, December 22nd, 2020 AT 4:41 PM

Please login or register to post a reply.