HOME
ASK A QUESTION
REPAIR GUIDES
BECOME A MEMBER
LOG IN
Login with Facebook
OR
Remember me
NOT A MEMBER?
FORGOT PASSWORD?
CONTACT US
PRIVACY POLICY
TERMS AND CONDITIONS
☰
Home
Nissan
Sentra
Engine Cooling
Cooling Fan
Wiring
Fan wiring diagrams
LRECTOR
MEMBER
1997 NISSAN SENTRA
I am having trouble with the wiring for the radiator fan. Does anyone have a wiring diagram that I could look at for help?
Thanks
Saturday, April 11th, 2009 AT 9:31 PM
3 Replies
ZACKMAN
MECHANIC
4,202 POSTS
Hello,
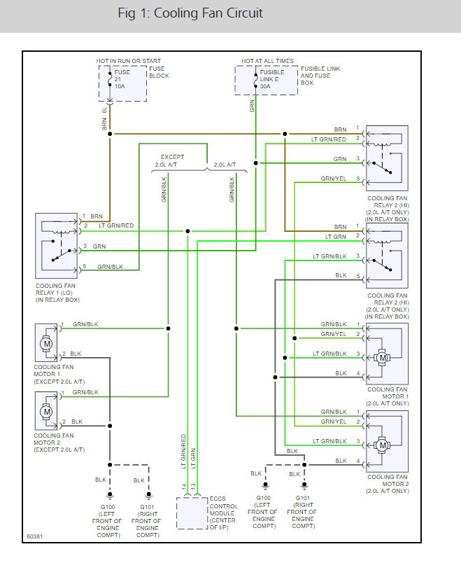
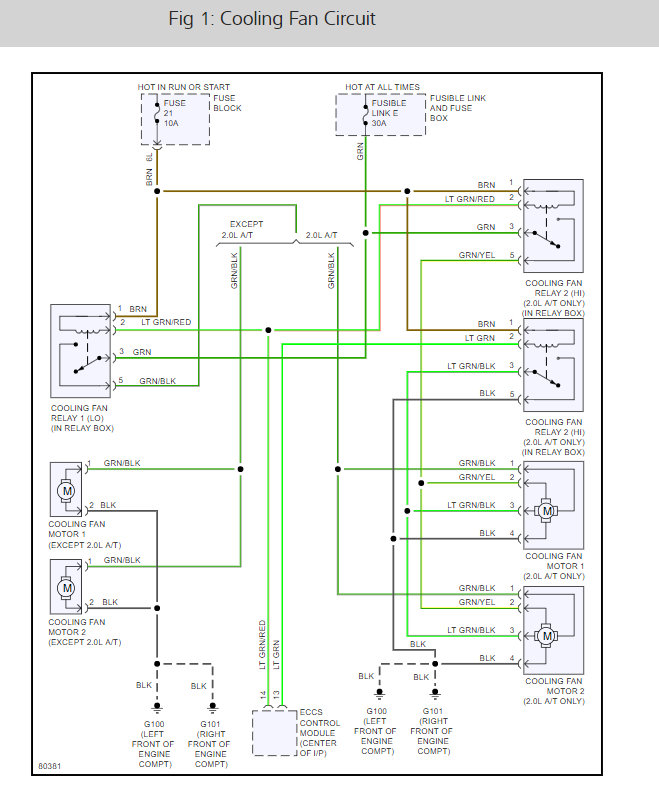
This guide will help using the cooling fan wiring diagrams below.
https://www.2carpros.com/articles/how-to-check-wiring
Check out the diagrams (Below). Please let us know if you need anything else to get the problem fixed.
Image (Click to make bigger)
Was this
answer
helpful?
Yes
No
+5
Wednesday, April 15th, 2009 AT 2:44 AM
NISHAD AHMED
MEMBER
1 POST
Nissan sb14 radiator fan not working
Was this
answer
helpful?
Yes
No
Thursday, October 24th, 2019 AT 2:38 AM
KEN L
MASTER CERTIFIED MECHANIC
55,512 POSTS
Do you have power at the fan? Here is a guide that will help also check out the fan wiring diagrams in the post above:
https://www.2carpros.com/articles/how-to-use-a-test-light-circuit-tester
and
https://www.2carpros.com/articles/replace-electric-fan-motor
Please run down these guides and report back.
Was this
answer
helpful?
Yes
No
Thursday, October 24th, 2019 AT 11:54 AM
Please
login
or
register
to post a reply.
Related Cooling Fan Wiring Content
1997 Nissan Sentra Radiator Fans Not Working
Engine Cooling Problem 1997 Nissan Sentra 4 Cyl Front Wheel Drive Radiator Fans Are Not Working. But When We Disconnect The Etc (...
Asked by
sunny83
·
2 ANSWERS
1997
NISSAN SENTRA
Cooling Fans Aren't Working
Engine Cooling Fans Stopped Working, Ran Hot Wire To Secondary Fan And It Works, Replaced 2 Fan Fuses And Relays
Asked by
herzog
·
4 ANSWERS
6 IMAGES
1998
NISSAN SENTRA
1992 Nissan Sentra Radiator
My Radiator Fan Does Not Come On And Car Over Heats
Asked by
almon
·
1 ANSWER
1992
NISSAN SENTRA
2011 Nissan Sentra Accident
My Daughter Smashed Into A Suv. I Replaced Radiator Fan Shroud Ac Condenser Radiator Support Bumper Headlight Hood Ad Plastic Parts. Put...
Asked by
vocalval
·
4 ANSWERS
2011
NISSAN SENTRA
1995 Nissan Sentra Radiator Fan
Engine Cooling Problem 1995 Nissan Sentra 4 Cyl Two Wheel Drive Automatic 92k Miles My Radiator Fan Has Stopped Working. It Is...
Asked by
apac1321
·
1 ANSWER
1995
NISSAN SENTRA
VIEW MORE
Ask a Car Question. It's Free!
How to Use a Test Light