When I crank my car the radiator fan automatically comes on. It will stay on for three minutes, then it will turn off. Then obviously without the Radiator Fan on after that first three minutes. The hot hand begins to move up.
The odd part is when you turn on the air conditioner. It will kick the radiator fan on as well. So if you have the air conditioner on. You can ride around all day and the car will not run hot, but if you turn the air conditioner off. Then The radiator fan stays off as well then obviously the hot hand will start to climb.
Things I have checked:
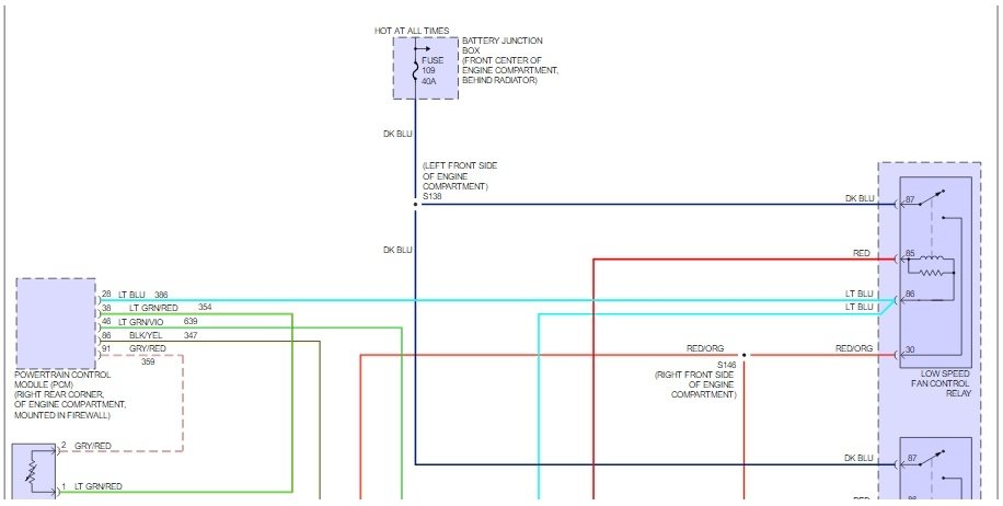
Low Fan Speed Sensor Relay #24 (It Worked) - fuse panel under the hood.
High Fan Speed Sensor Relay #32 (It Worked) - fFuse panel under the hood.
Fan
Cooling fan fuse #9 (It was not blown, and looked to be in great shape).
Here is the manual for the 2001 Ford Taurus. I will post the link to it below this text if the site will allow me to. If you can scroll down to page 151 on that manual. I have checked relays #24 (low fan), #32 (high fan), and #9 which is a cooling fan relay 40 AMP fuse.
Link to the 2001 Ford Taurus owner's manual:
http://taurus-club.ru/manuals/2001%20Taurus%20Owners%20Guide.pdf
The fans will come on during the first three minutes or so of the car being cranked then turn off. Then turn on again when The air conditioner is turned on. I am not a mechanic. Probably would not classify as the shade tree variety, but the fans do come on at varying points. So that tells me that the fans are good. It is just something that controls the different speeds or something like that, because it is cutting off prematurely causing the hot hand to rise.
The car runs like a top other than that issue, and even in it is current condition will run all day long without any problem as long as you turn the A/C on. I even drove it today thirty minutes with the A/C off and as long as you are moving and wind is blowing under the car. The hot hand stays in the middle where it is supposed to. It is just sitting still at red lights, etc. if you do not have the A/C on then those radiator fans are not on and it will cause the hot hand to rise. It is Summer in two days here in Georgia. So running the A/C will definitely be happening the rest of this month, next month, August, and a good portion of September, and the car will not overheat. I would however like to get this issue fixed as soon as I can though.
I want to personally thank in advance whoever takes time out of their busy day to read over this problem and help provide me with a solution. Thanks and have a great day.
Also: My car is front wheel drive (FWD) not a rear wheel drive (RWD). Sorry for the mistake.
Monday, June 19th, 2017 AT 3:18 PM





