1996 Ford Taurus cooling fan will not shut off

Tiny
PEACEFROG7
  • MEMBER
  • 1996 FORD TAURUS
  • 6 CYL
  • FWD
  • AUTOMATIC
  • 11,050 MILES
The car has not been run in five days but fan will
come on if I connect battery cable.I have replaced the fan switch and the sending unit. What else do I need to do to fix this car.


thanks for any help

don
Sunday, June 15th, 2008 AT 12:56 PM

1 Reply

Tiny
RASMATAZ
  • MECHANIC
  • 75,992 POSTS
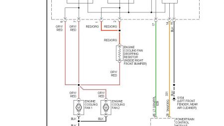
Could be a problem with the CCRM located behind left headlamp-


https://www.2carpros.com/forum/automotive_pictures/12900_f1_6.jpg




https://www.2carpros.com/forum/automotive_pictures/12900_f2_5.jpg

Was this
answer
helpful?
Yes
No
Sunday, June 15th, 2008 AT 1:23 PM

Please login or register to post a reply.