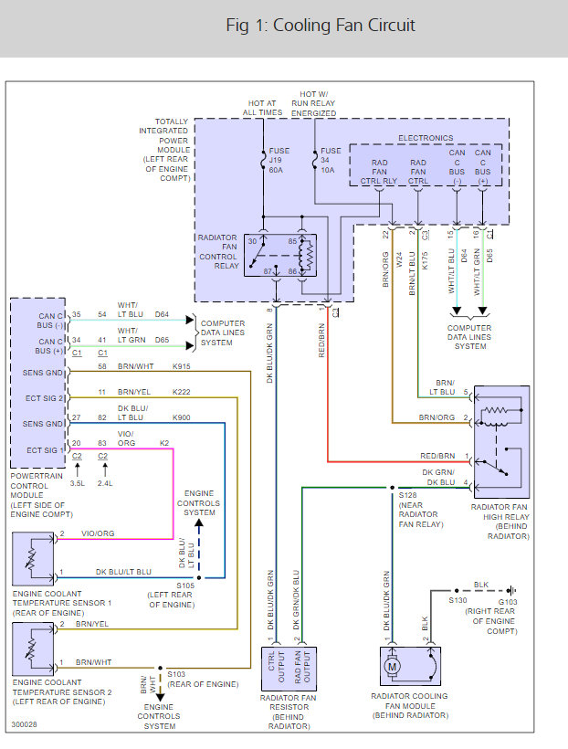
Tried two new relays, disconnected negative battery cable. Still occurring. Ordered a resistor, will change that tomorrow, then possibly a coolant sensor? I do not understand the correlation between super loud and not shutting off? Seems like two different issues to me. Any help would be appreciated.
Monday, January 22nd, 2018 AT 5:30 PM






