Radiator Fan, Cooling system and code P0480

Tiny
PATRICK MCGUIRE
  • MEMBER
  • 2006 CHEVROLET SILVERADO
  • 4.8L
  • V8
  • 4WD
  • AUTOMATIC
  • 168,500 MILES
Hello! I noticed hours after the truck was last driven the radiator fans kicked on and basically drained my battery. I ran obd2 and got code P0480. If I start the vehicle the fans stop. The coolant reservoir was empty and didn't notice. When I start the truck and turn on the A/C it starts to idle really hard. No overheat.
Tuesday, May 19th, 2020 AT 4:52 AM

1 Reply

Tiny
ASEMASTER6371
  • MECHANIC
  • 52,796 POSTS
Good morning,

This sounds like the PCM is continually grounding the relays for the fans.

Do both of them stay running after you checked them?

https://www.2carpros.com/articles/how-an-electric-cooling-fan-works

I attached possibilities below for as well as a flow chart to follow.

You will need a volt meter or test light for some testing.

https://www.2carpros.com/articles/how-to-check-wiring

In my experience, I have found the PCM as the fault but it needs to be confirmed.

Roy

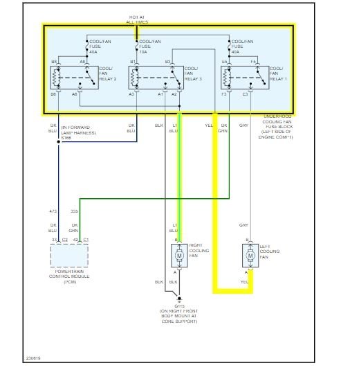
DTC P0480 or P0481
Circuit Description
The powertrain control module (PCM) controls the low speed cooling fan operation by grounding the low speed fan relay control circuit with an internal solid state device called a driver. For high speed cooling fan operation, the PCM grounds the high speed and S/P relay control circuit at the same time the low speed control circuit is grounded. Battery positive voltage is supplied to the low speed, high speed, and S/P fan relays. When the PCM is commanding a fan relay ON, the voltage of the control circuit should be low, near 0 volts. When the PCM is commanding a fan relay OFF, the voltage potential of the control circuit should be high, near battery voltage.

The PCM monitors the relay control circuits for the following conditions:
Short to ground
Short to voltage
An open circuit
If the PCM detects an improper voltage level on the low or high speed driver circuits, then code P0480 or P0481 will set and the effected driver will be disabled.
Cooling fan relay 1 control circuit refers to the low speed cooling fan relay
Cooling fan relay 2 control circuit refers to the high speed cooling fan relay

DTC Descriptors
This diagnostic procedure supports the following DTC's:
DTC P0480 Cooling Fan Relay 1 Control Circuit
DTC P0481 Cooling Fan Relay 2 Control Circuit

Conditions for Running the DTC
The ignition voltage is between 8 - 18 volts.
The engine speed is more than 40 RPM.
The ECM driver transitions from ON to OFF or from OFF to ON.

Conditions for Setting the DTC
P0481-The PCM detects an open circuit on the high speed cooling fan relay control circuit.
P0480-The PCM detects an open on the low speed cooling fan relay control circuit.
The above condition is present for one second.

Action Taken When the DTC Sets
The PCM will illuminate the malfunction indicator lamp (MIL) during the second consecutive trip in which the diagnostic test has been run and failed.
The PCM will store conditions which were present when the DTC set as Freeze Frame and Failure Records data.

Conditions for Clearing the MIL/DTC
The PCM will turn OFF the MIL during the third consecutive trip in which the diagnostic has been run and passed.
The History DTC will clear after 40 consecutive warm-up cycles have occurred without a malfunction.
Use the scan tool Clear DTC Information function.

Diagnostic Aids
If the condition is not present, refer to Testing for Intermittent Conditions and Poor Connections . See: Vehicle > Component Tests and General Diagnostics
Review the Freeze Frame/Failure Records vehicle mileage since the diagnostic test failed. This may help determine how often the condition that caused the DTC to be set occurs.

Test Description
The numbers below refer to the step numbers on the diagnostic table.
2. Listen for an audible click when the low speed fan relay operates. Command both the ON and OFF states. Repeat the commands as necessary.
3. Listen for an audible click when the S/P and high speed fan relays operate. Command both the ON and OFF states. Repeat the commands as necessary.
Was this
answer
helpful?
Yes
No
Tuesday, May 19th, 2020 AT 5:06 AM

Please login or register to post a reply.