Radiator fan not working properly

Tiny
EYOMUSA
  • MEMBER
  • 2015 VOLKSWAGEN GOLF
  • 2.0L
  • 4 CYL
  • TURBO
  • AUTOMATIC
  • 124,675 MILES
Greetings,

What could be the problem cause my fan is running constantly at the high speed as soon as I start the engine?
Saturday, September 25th, 2021 AT 11:09 PM

7 Replies

Tiny
KASEKENNY
  • MECHANIC
  • 18,907 POSTS
You should have two fans on this engine so are they both running on high when you start the engine or just one of them?

If both are running on high, then I suspect we have a temperature sensor issue causing the PCM to think the engine is hot and turns them on to try and cool it down.

You have a control module (resistor) for each fan so if it it only one on high then we need to check the resistor on this fan to see if it is commanding it on as I suspect that is the issue for only one fan running.

https://www.2carpros.com/articles/how-to-check-wiring

https://www.2carpros.com/articles/how-to-use-a-voltmeter

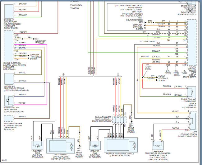
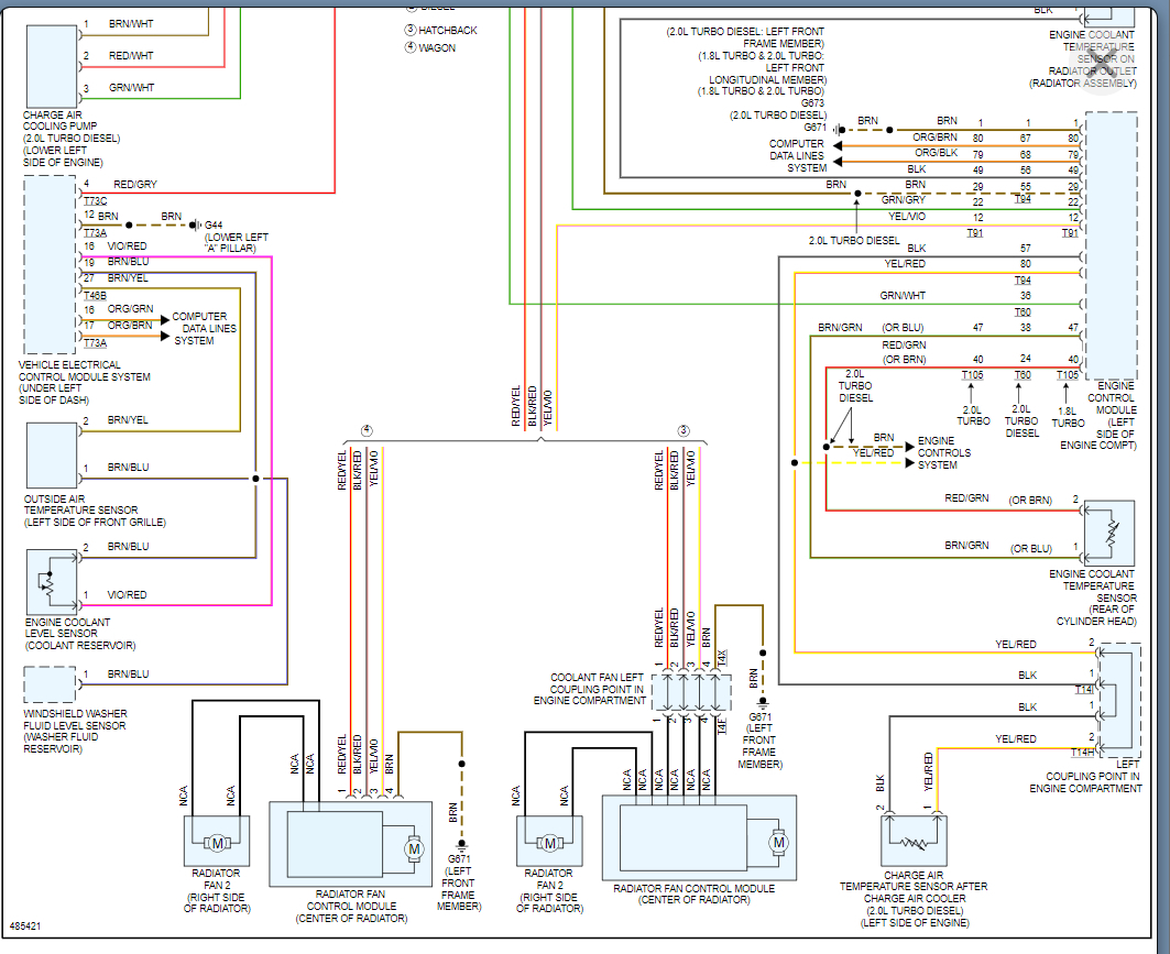
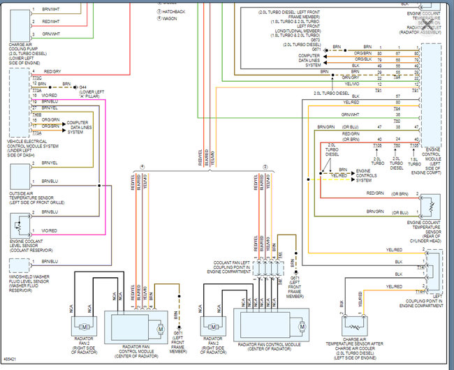
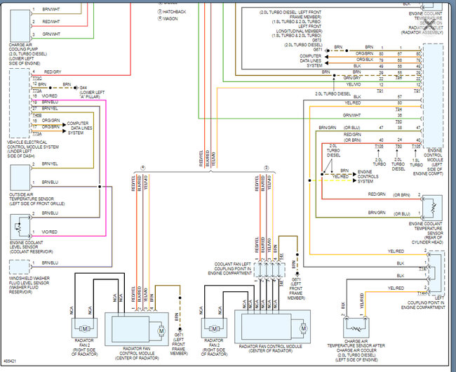
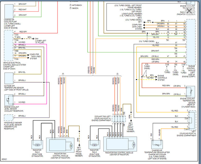
Please see the wiring diagrams that will help with doing this. Let me know what questions you have. Thanks
Was this
answer
helpful?
Yes
No
+1
Sunday, September 26th, 2021 AT 6:19 AM
Tiny
EYOMUSA
  • MEMBER
  • 3 POSTS
Thank you.

Yes, there are 2 fans and they are both turning in a high speed. I will change the sensor then see what will happen.

Thank you.
I will update you.
Was this
answer
helpful?
Yes
No
Sunday, September 26th, 2021 AT 3:32 PM
Tiny
KASEKENNY
  • MECHANIC
  • 18,907 POSTS
Okay. Thanks for the update. Clearly that is the likely cause but if that does not solve it then let us know and we can start walking through some testing which will not be the easiest but I am sure we can figure it out.

Hopefully this will solve it so let us know. Thanks
Was this
answer
helpful?
Yes
No
+1
Sunday, September 26th, 2021 AT 7:34 PM
Tiny
EYOMUSA
  • MEMBER
  • 3 POSTS
Hi,

I have changed the temperature sensor but still both fans are running constantly.
No difference.
Was this
answer
helpful?
Yes
No
Thursday, September 30th, 2021 AT 2:22 AM
Tiny
KASEKENNY
  • MECHANIC
  • 18,907 POSTS
Okay. if the temperature sensor is not causing this then we need to find out if the PCM is even telling them to turn on.

We do this by monitoring the voltage on the wire from the ECM to the control module.

https://www.2carpros.com/articles/how-to-check-wiring

See the wiring diagram below.

If you have no voltage, then the control module is turning them on by itself and it needs to be replaced.

If the PCM is telling them to turn on, then we may have another sensor or a PCM issue causing this.

Let us know what you find with this. Thanks
Was this
answer
helpful?
Yes
No
Thursday, September 30th, 2021 AT 2:00 PM
Tiny
EYOMUSA
  • MEMBER
  • 3 POSTS
Greetings.

I found the problem that was causing the fan to run constantly.

The ambient temperature sensor got lose and it was lost so the wires were just hanging there. I noticed because it was not showing the outside temperature on the dash board cluster

Bought the new and replaced it. Now the fan is working just fine.

Thank you so much for the information you provided to me.
Was this
answer
helpful?
Yes
No
Saturday, October 9th, 2021 AT 11:51 AM
Tiny
KASEKENNY
  • MECHANIC
  • 18,907 POSTS
Oh wow. That is great info. I would like to think we would have gotten to that but I am not so sure so that is great that you found it and then came back to update us. That will surely help others in the future that have this issue.

Thanks again for using 2CarPros.
Was this
answer
helpful?
Yes
No
Saturday, October 9th, 2021 AT 12:04 PM

Please login or register to post a reply.