Radiator cooling fan is not working

Tiny
PANKAJ PATEL
  • MEMBER
  • 2018 NISSAN ROGUE
  • 2.5L
  • 4 CYL
  • 4WD
  • AUTOMATIC
  • 20,000 MILES
Radiator cooling fan is not working. How do I find out location of coolant temperature sensor and engine temperature sensor location?
Thanks
Saturday, June 19th, 2021 AT 3:18 PM

1 Reply

Tiny
KASEKENNY
  • MECHANIC
  • 18,907 POSTS
Do neither cooling fan come on? If they both are not coming on then we may have a different issue as the 2nd fan should be on when the A/C is on.

https://www.2carpros.com/articles/how-an-electric-cooling-fan-works

Have you turned the A/C on and checked to see if both are on?

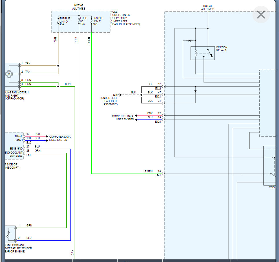
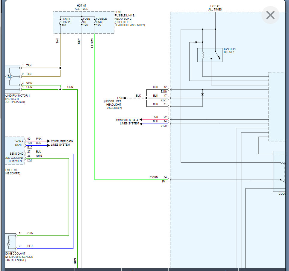
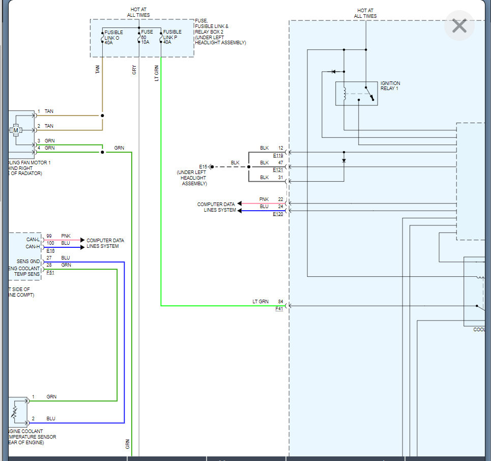
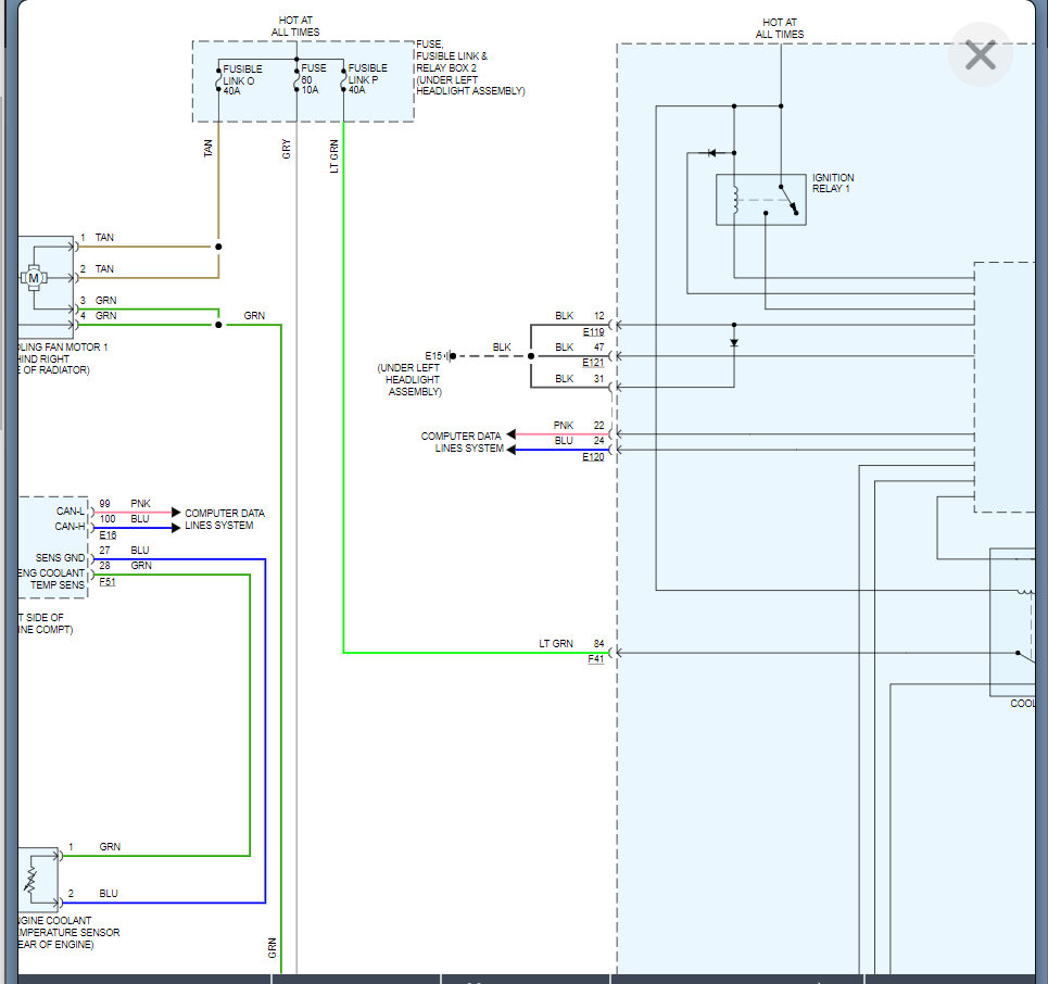
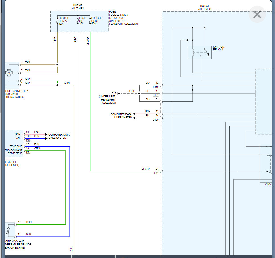
The ECT sensor is on the rear of the engine. I attached the wiring diagram of this system and we are going to need to check for voltage at the fans and then track it back through the system. This could be a relay issue as well, so here are some guides that will help with all of this:

https://www.2carpros.com/articles/how-to-check-wiring

https://www.2carpros.com/articles/how-to-check-an-electrical-relay-and-wiring-control-circuit

Below you will find the info from the manual. Please let us know what questions you have and what you find. Thanks
Was this
answer
helpful?
Yes
No
Sunday, June 20th, 2021 AT 5:12 PM

Please login or register to post a reply.