Quit starting

Tiny
JAYBOS10
  • MEMBER
  • 1994 JEEP WANGLER YJ
  • 2.5L
  • 4 CYL
  • 4WD
  • MANUAL
  • 184 MILES
Okay, so it was starting fine. Then now nothing. I have replaced crank sensor. I have constant fire on one side of the coil and when I turn the key on I get a quick flash of 12 volts. Now that is where it stops. The one side that gets the 12 volts when you turn the key on never gets voltage again while cranking. From what I have read this means the ASD is good. Automatic shutdown relay. I am not getting a check engine light when I turn the key on. So everyone said oh it is got to be ECM. Well I replaced the capacitors and tried it. No light no start. It will turn over all day long just not start. I also have no power coming out of the back of the coil while cranking.


So I am at this point. Replace cam position sensor. And if that does not work a new ECM. If that does not work I need to take it to a mechanic.


Do not want to do that. Please let me know any ideals or help you can offer. I am a good half donkey’s rear end if a mechanic. As long as there is a shade tree around.
Wednesday, September 26th, 2018 AT 4:01 PM

11 Replies

Tiny
JACOBANDNICKOLAS
  • MECHANIC
  • 110,192 POSTS
Have you tried replacing the ASD relay? When a load is placed on it, it may be failing. Here is how it works. Battery voltage is supplied to the ignition coil positive terminal from the Automatic Shutdown (ASD) relay. From that, the Powertrain Control Module (PCM) opens and closes the ignition coil ground circuit for ignition coil operation. Based on that system, either the relay is bad (even though you get initial power), the coil itself, or the PCM isn't providing a ground.

Let me know your thoughts.

Take care,
Joe
Was this
answer
helpful?
Yes
No
Thursday, September 27th, 2018 AT 7:12 PM
Tiny
JAYBOS10
  • MEMBER
  • 8 POSTS
Yes I have replaced the ASD. I am pretty sure the ECM is shot got one ordered and going to try that.
Was this
answer
helpful?
Yes
No
Friday, September 28th, 2018 AT 7:12 AM
Tiny
JACOBANDNICKOLAS
  • MECHANIC
  • 110,192 POSTS
That is very possible. Let me know what you find or if you have other questions. I am interested in knowing if that fixes it.

Take care and have a good weekend.
Joe
Was this
answer
helpful?
Yes
No
Friday, September 28th, 2018 AT 9:14 PM
Tiny
JAYBOS10
  • MEMBER
  • 8 POSTS
It should be here Monday I will update then.
Was this
answer
helpful?
Yes
No
Saturday, September 29th, 2018 AT 4:59 PM
Tiny
JACOBANDNICKOLAS
  • MECHANIC
  • 110,192 POSTS
Sounds like a plan. Have a good weekend.

Joe
Was this
answer
helpful?
Yes
No
Saturday, September 29th, 2018 AT 5:51 PM
Tiny
JAYBOS10
  • MEMBER
  • 8 POSTS
Okay, so new ECM. Still no check engine light when I turn the key on. Also for some reason the starter is just clicking. Thought it was a loose connection when all this started. Checked all connections and it was all good. Took it off and tested it it test good. Put it back on click click click, battery is strong with maintain charging going on it all this time. Could this be a sign of why it is doing this. Full disclosure. I kept breaking off o2 sensors so I was going to just delete mine. Thought surely there is a way to jump the wires and make the check engine light go off. Once I jumped the wires it shut off and never started back from that point. I have took the jumper out right away but nothing. New crank and can sensor. ECM and nothing still. Heard it could be the ignition switch is this possible? Any help is appreciated.
Was this
answer
helpful?
Yes
No
Monday, October 1st, 2018 AT 10:56 AM
Tiny
JACOBANDNICKOLAS
  • MECHANIC
  • 110,192 POSTS
Hi. Here is a link to check the starter. You will need a helper to complete the test, but it is not hard to do.

https://www.2carpros.com/articles/starter-not-working-repair

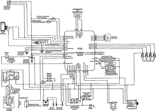
You cannot bypass the sensor to turn off the light. The sensor sends different signals to the computer to adjust fuel/air mixture. Now for the ignition coil. Battery voltage is supplied to the ignition coil positive terminal from the Automatic Shutdown (ASD) relay. The Power-train Control Module (PCM) opens and closes the ignition coil ground circuit for ignition coil operation. Are you getting any voltage to the neg side of the coil when cranking?

If not, check the power ground. The power ground is used to control the PCM loads for; the generator field, 8 volt PCM power supply, fuel injectors, and ignition coil.

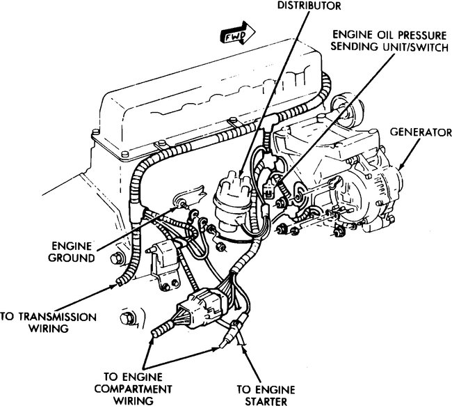
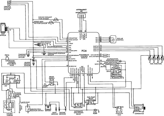
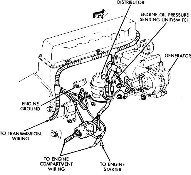
With that in mind, controller supply voltage - The Power-train Control Module (PCM) receives battery voltage (B+) through a fusible link. I want you to check that. The PCM ground is on the right side rear of the engine. See attached pic.

So lets get started. First, I want you to check the ground to the data link connector. Since you are not getting anything from it, there may be a bad ground. Picture 1 shows / explains where it is located. Picture 3 is a better pic of location. (right side, rear of engine) That specific ground provides ground to the PCM pin 11 and 12 and to the heated oxygen sensor. When you check, make sure there is no corrosion, damage, make sure it's tight, and there is continuity between the ground wires and the neg on the battery terminal.

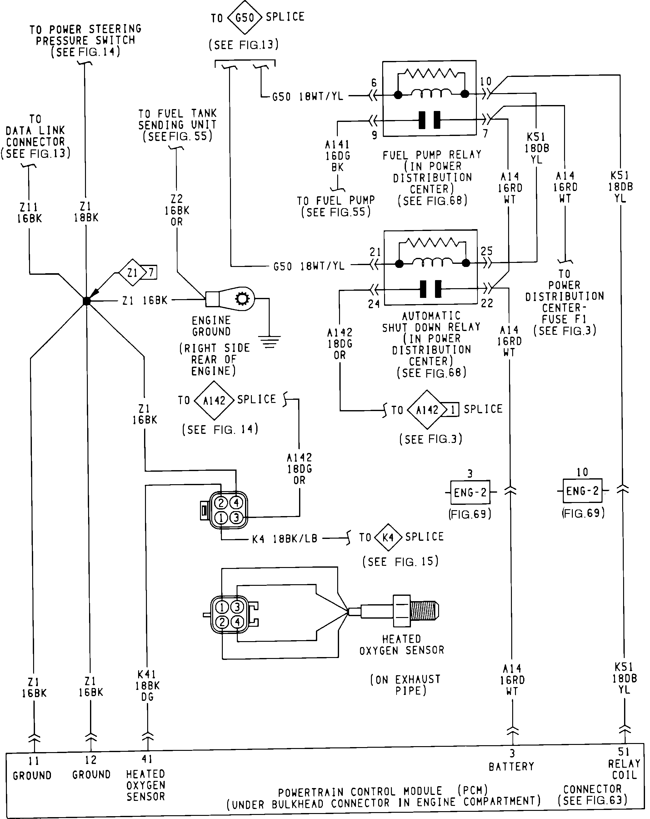
Next, confirm that fuses 1, 4, 5, and 7 are all good in the fuse box (all tied to the ignition switch for different reasons, but you never know) and most importantly, fuse 1 in the power distribution box under the hood. That is what controls the ASD.

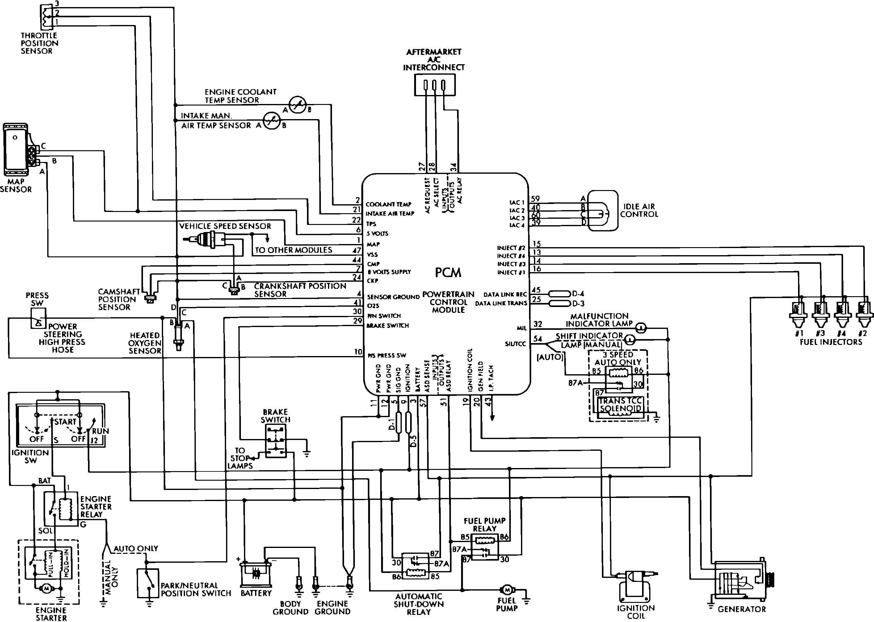
If that all checks good, I need you to disconnect the neg battery terminal and then disconnect the PCM 60 pin connector. Reconnect battery. First, confirm ground to pins 11 and 12. Check for power to pin 3. While it is off, confirm there is no damage to pin 9, 19, and confirm continuity to pin ground on pin 5. That is a ground also, but more importantly both pin 5 and 9 are fusible links. Make sure they are good.

Okay, that's a lot to get started with. Run these tests and let me know the results. I have attached schematics for you to follow. The second and forth schematics are of the PCM plug and what each pin does.

Let me know what you find or if you have other questions.

Take care,
Joe
Was this
answer
helpful?
Yes
No
Monday, October 1st, 2018 AT 6:02 PM
Tiny
JAYBOS10
  • MEMBER
  • 8 POSTS
Well, bad starter. Fixed it. Then reading through forums I discovered a thread about a loose pin connector at the ECM. I had traced out all these wires previously and fount the proper voltage at the proper spots. This was another reason I was so boggled. So as this person did I inserted a small piece of wire in the connector and plugged the ECM in. Guess what?It started. $600.00 later a piece of scrap wire temporarily fixed it. Thanks for y’all input though. Love this site.
Was this
answer
helpful?
Yes
No
Tuesday, October 2nd, 2018 AT 8:48 AM
Tiny
JACOBANDNICKOLAS
  • MECHANIC
  • 110,192 POSTS
Wow. Does it not always seem to be something we never expected. Regardless, thanks for using the site. We are here to help when you need us. Let me know if you have questions in the future.

Joe
Was this
answer
helpful?
Yes
No
Tuesday, October 2nd, 2018 AT 5:19 PM
Tiny
JAYBOS10
  • MEMBER
  • 8 POSTS
Will do just wanted closure to it. So many threads I read there would be all kinds of input but no solution. So aggravating.
Was this
answer
helpful?
Yes
No
Tuesday, October 2nd, 2018 AT 6:39 PM
Tiny
JACOBANDNICKOLAS
  • MECHANIC
  • 110,192 POSTS
We all appreciate that. It will most likely help another person.

Thanks,
Joe
Was this
answer
helpful?
Yes
No
Tuesday, October 2nd, 2018 AT 8:44 PM

Please login or register to post a reply.