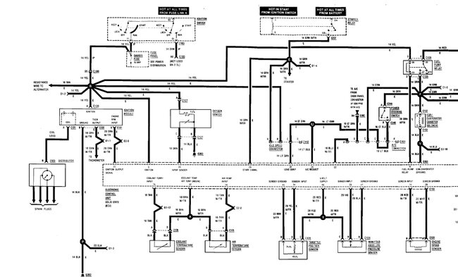
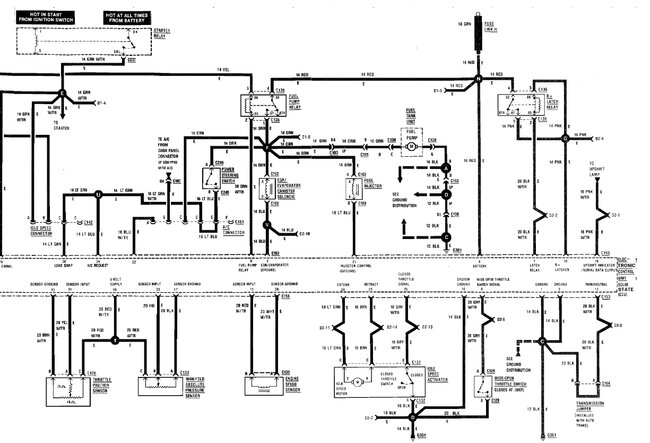
Tuesday, July 7th, 2015 AT 5:32 AM
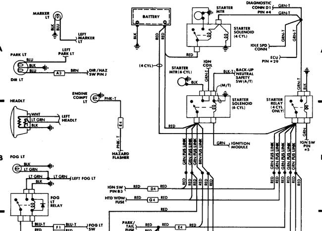
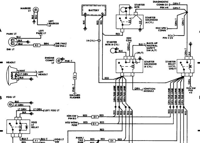
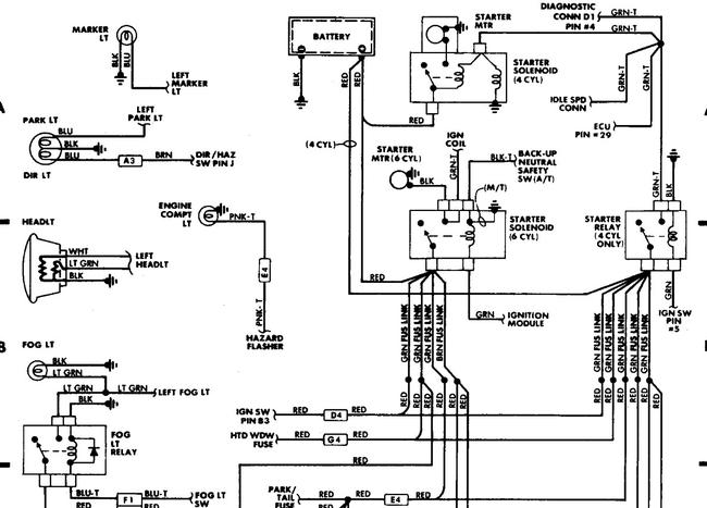
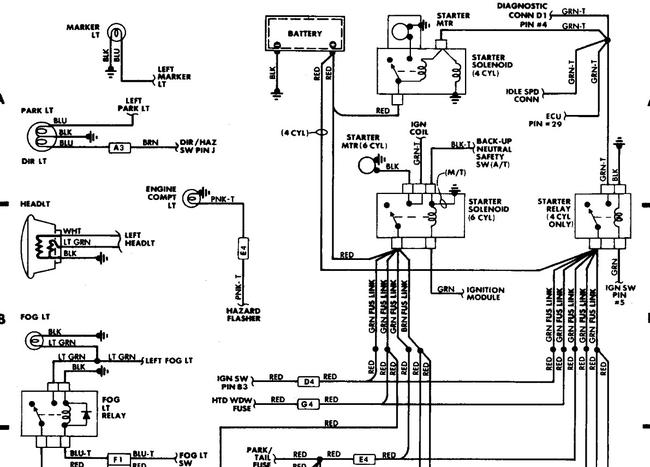
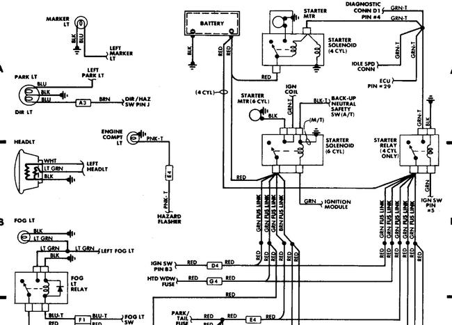
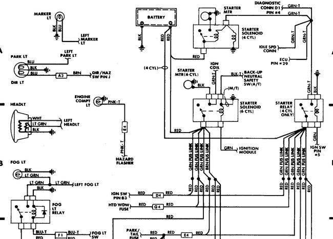
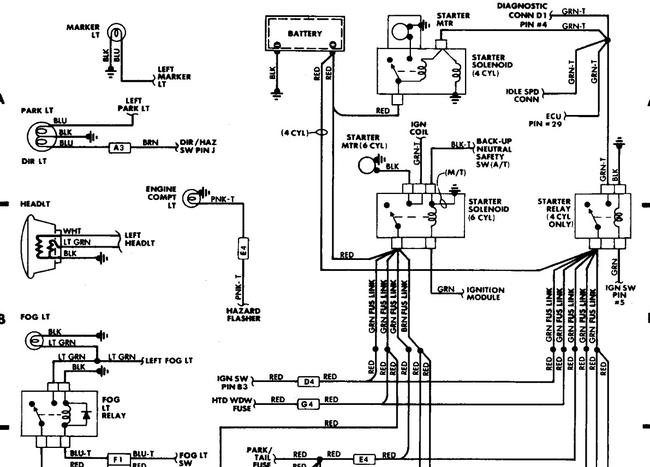
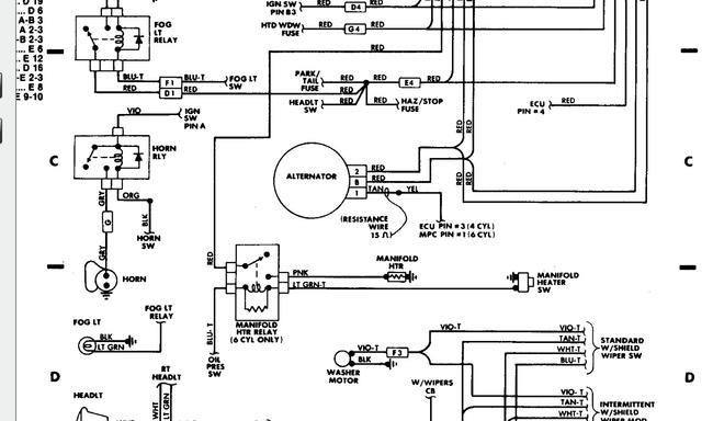
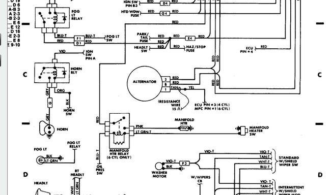
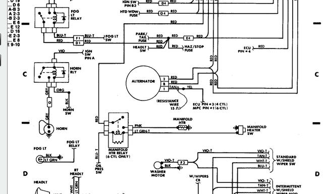
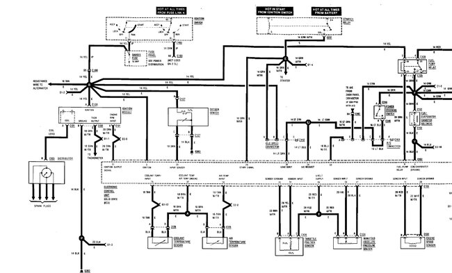
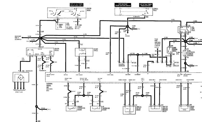
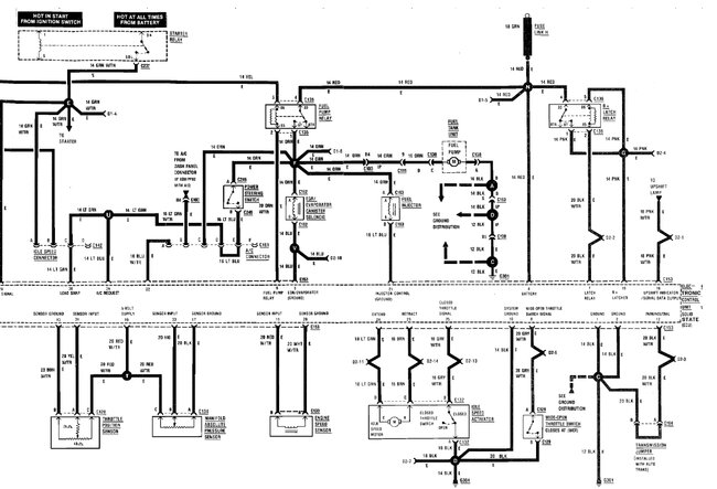
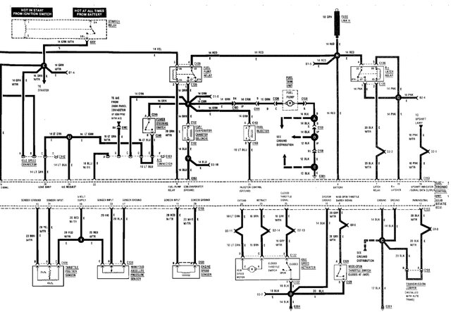
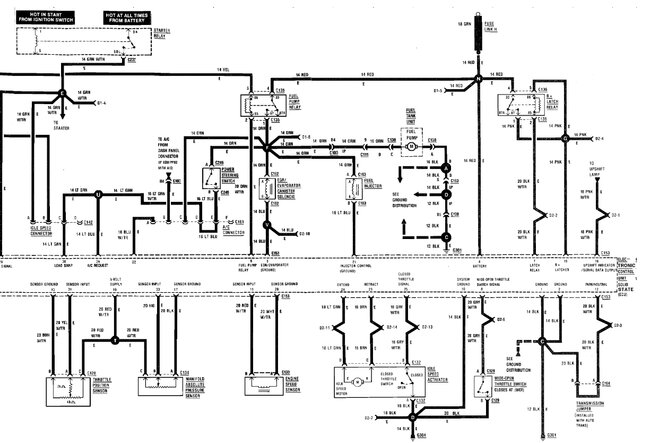
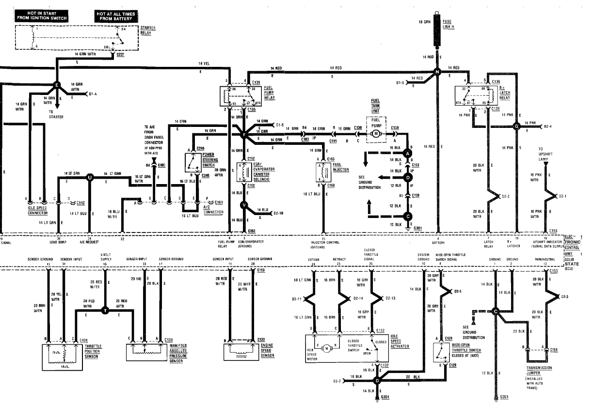
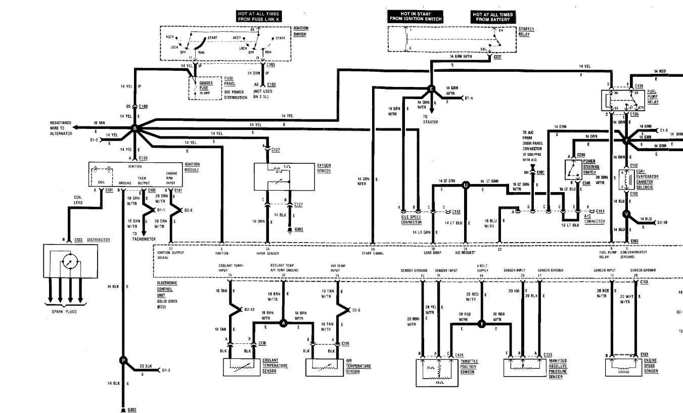
I recently replaced my engine. When I unhooked all the wiring harness to remove it I didn't pay close enough attention to the way it was plugged in. What I need is a wiring diagram that shows how to hook up the main engine harness. A lot of the plugs are the same size and I'm not sure what plugs into what. I will admit that wiring is not my strong suit so the idiots guide would be the best here. Maybe a color coded drawing.






