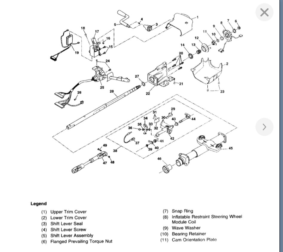
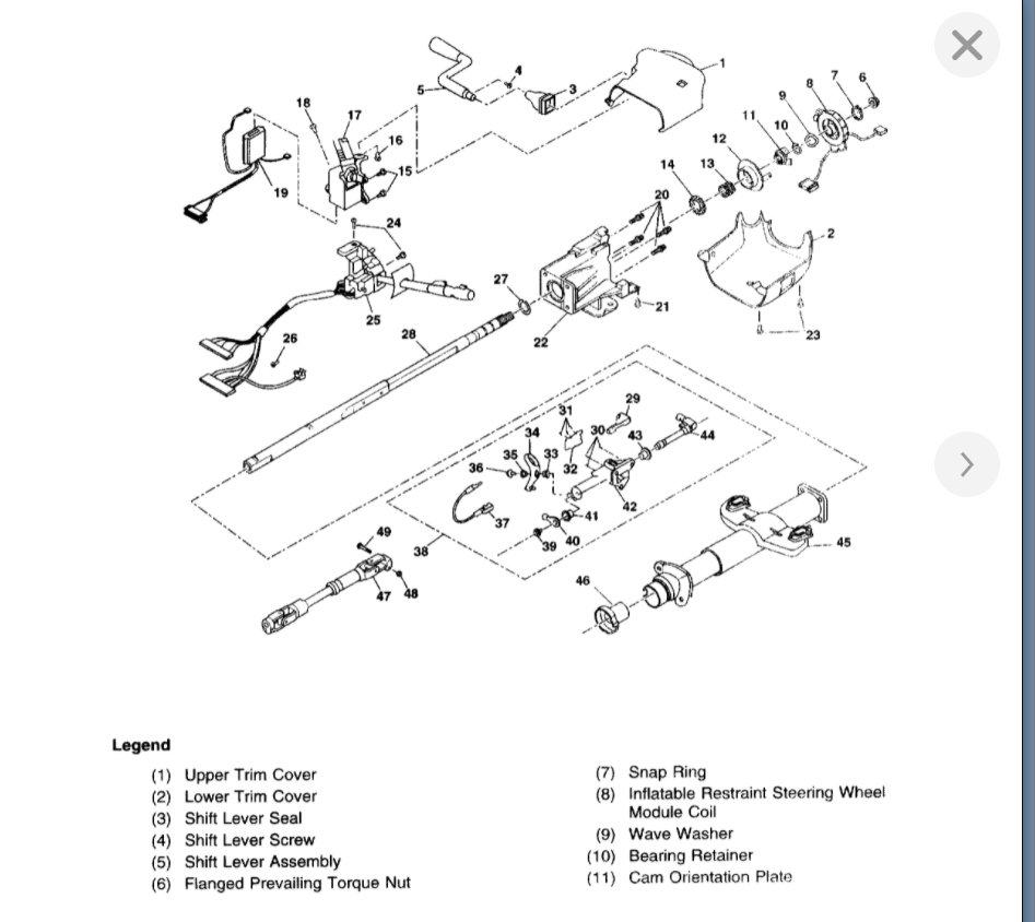
Steering problem (vehicle jolts when turning, feels like I’m popping a curb every time I turn the wheel).
Blinker signals acting up (right blinker signal turns on but doesn’t blink hazard switch is funky I took the replacement out and am going to get a new one to see if that fixes it.
Pressing brake supplies power to entire vehicle (but when I turn the right blinker signal on it doesn’t do that). I can also take the key out of the truck but if I’m still holding the brake, it still runs until I release the brake.
Saturday, February 26th, 2022 AT 11:53 AM










