Problem turning on ignition

Tiny
ANDRIN ATEM
  • MEMBER
  • 2007 NISSAN MURANO
  • 3.5L
  • 6 CYL
  • 4WD
  • AUTOMATIC
  • 150,989 MILES
Hi, please I need to figure out why my key won't turn on ignition on, insert the key but it won't turn over.

I do not know what voltage need to come for it to turn over, I have controlled everything, lights and horn okay, which means BCM is okay, I even swap BCM, also change fuse box in the engine compartment. All fuses have been 10 times checked.
Saturday, September 25th, 2021 AT 4:39 PM

1 Reply

Tiny
JACOBANDNICKOLAS
  • MECHANIC
  • 110,194 POSTS
Hi,

If the starter isn't working, we need to confirm a few things. You indicated fuses are good. Is there power to the fuses involved? Also, there is a fusible link that powers the ignition switch. It is fusible link M. Make sure there is power both to and from the link.

Here is a link you may find helpful:

https://www.2carpros.com/articles/how-to-check-a-car-fuse

If it is good, then we need to see if power is getting to the starter itself. There are two wires at the starter. One is larger in diameter and has 12v at all times. The smaller one, which is black with a white tracer, only gets 12v when the key is in the start position. Have a helper turn the key to start while you check that wire for power.

Here is a link that will help:

https://www.2carpros.com/articles/starter-not-working-repair

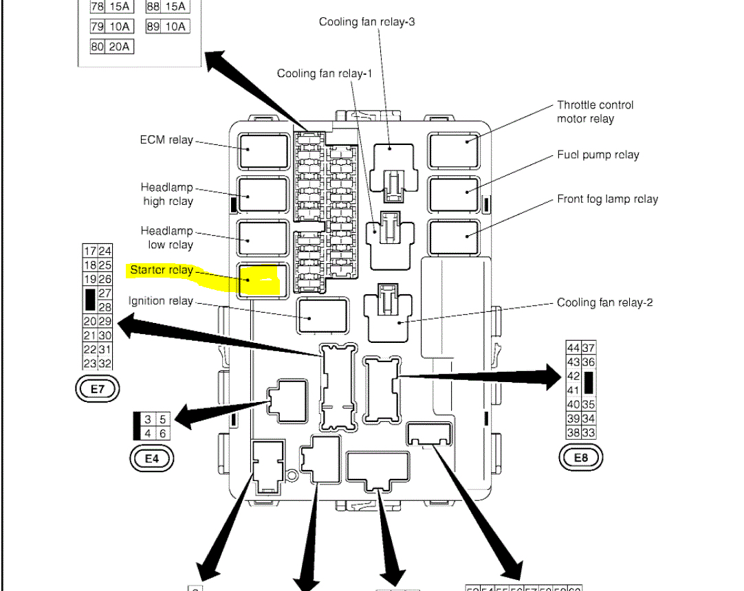
Also, if you haven't checked the starter relay, I recommend it. If there is a different relay that has the same part number, switch them to see if it makes a difference. If there isn't one, here is a link that explains how to test a relay:

https://www.2carpros.com/articles/how-to-check-an-electrical-relay-and-wiring-control-circuit

If you look at pics 1 and 2 below, I highlighted the fuse and relay I need you to check. Additionally, pics 3 and 4 are the wiring schematic for the starting system.

Let me know what you find or if you have other questions. Also, let me know if there is any sound from the starter when you try to engage it.

Take care,

Joe

See pics below.

Note: The schematic was one page long. I had to cut it in half to make it readable for you. I did overlap them so you can follow from one to the next.
Was this
answer
helpful?
Yes
No
Saturday, September 25th, 2021 AT 9:11 PM

Please login or register to post a reply.