So, I have replaced the clutch but after reassembly the car won't start. A little back history is I had an actual mechanic lined up to assist me in replacing the clutch. When we got the trans off and put the new clutch in, it became dark and so we called it for the night. Now up until now this mechanic had stated everything was looking good and that he would return the next day to finish helping me. Well for reasons unknown he never came back, and I was left to finish on my own. I have been learning as I go from multiple manuals as well as watching a lot of videos. It took me way longer than I thought, getting everything back together only to start it and she won't turn over. When I turn the key, it just sounds like a dull cranking. So, a few things come to mind as to what the problem is, but I hope maybe someone could point me in the most likely direction.
When I was putting the transmission back as far as I could tell I was very careful in making sure that it slid on easily and not having it bind at any point. But now I am second guessing myself and dread the thought of having to take it all apart again. I hope this isn't the case.
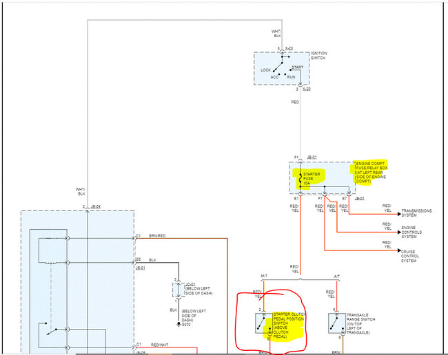
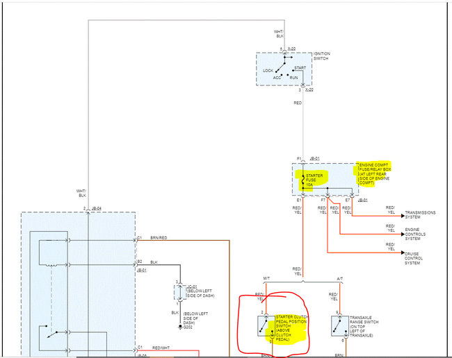
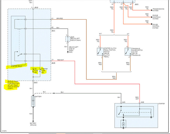
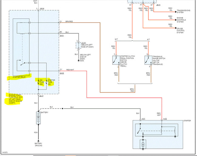
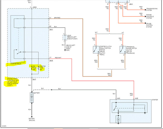
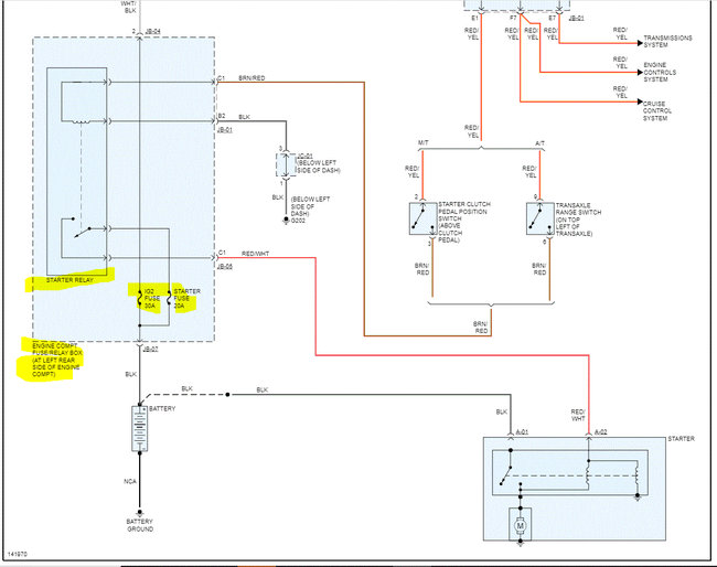
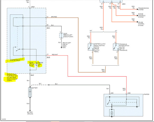
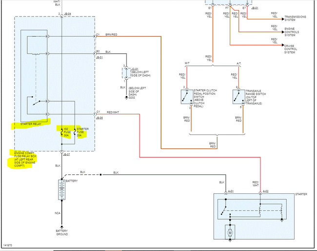
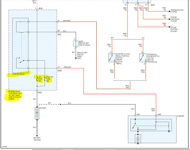
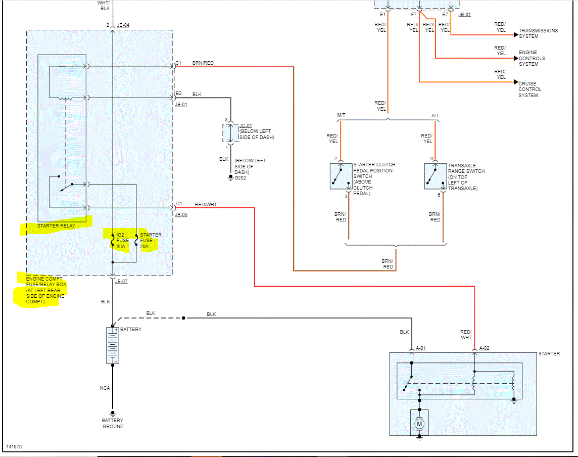
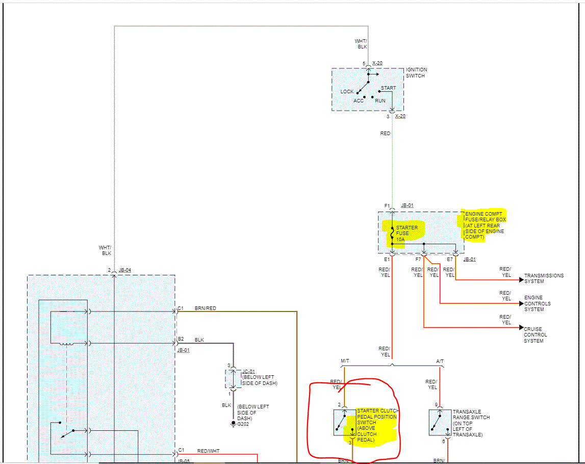
Another possibility would be electrical. While I was waiting for the mechanic to arrive, I got started and took as much off as I could. I did try to remove the fuse box but was only able to get it loose and I zipped tide it up near the cowl. Now when I try to start it, it only cranks and drains the battery down to 12.4v to 9v or so. Also a few times the cooling fan would kick on and stay on until I turned the key to the off position. Also, worth noting the radio is powerless. All other electrical parts appear to still work as intended. The lines leading to the starter seem like they maybe loose, but I can't tell for sure given the location and really am not sure of the best way to get a better look.
And then there is a hydraulic system for the clutch. This was a nightmare trying to bleep. I finally was able to get it but I feel like the slave cylinder isn't extending the push rod far enough. The clutch fork is very hard to move by hand. I replaced both cylinders and just see very little movement from the push rod. I also might mention that there have been three master cylinders put on in 2 years. That seemed odd to me, but I am unsure why the previous owner replaced it. Found their receipt in the glove box for one.
So now she sits, and I very badly would like to get it figured out before my wife makes me junk it. Any and all help is appreciated. And if I forgot any details that may be needed, I will try to respond quickly.
Thank you
Friday, December 17th, 2021 AT 1:52 PM


