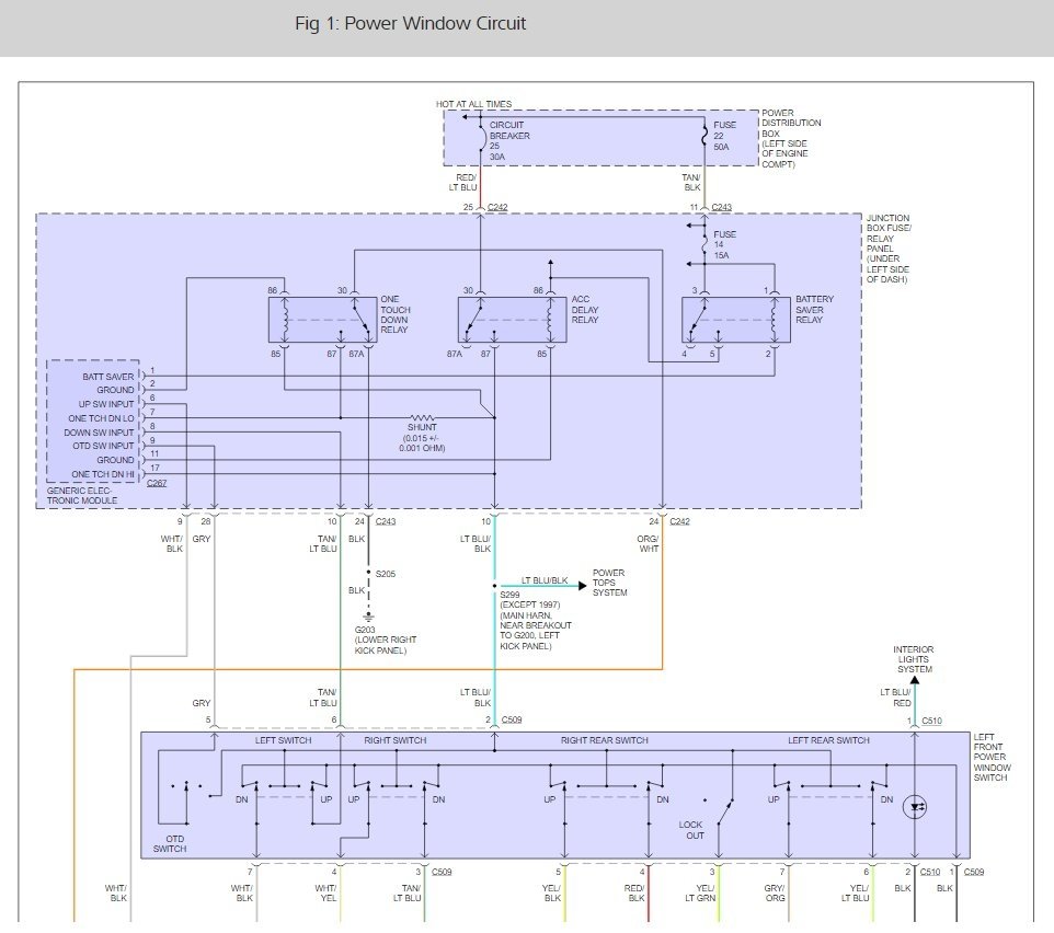
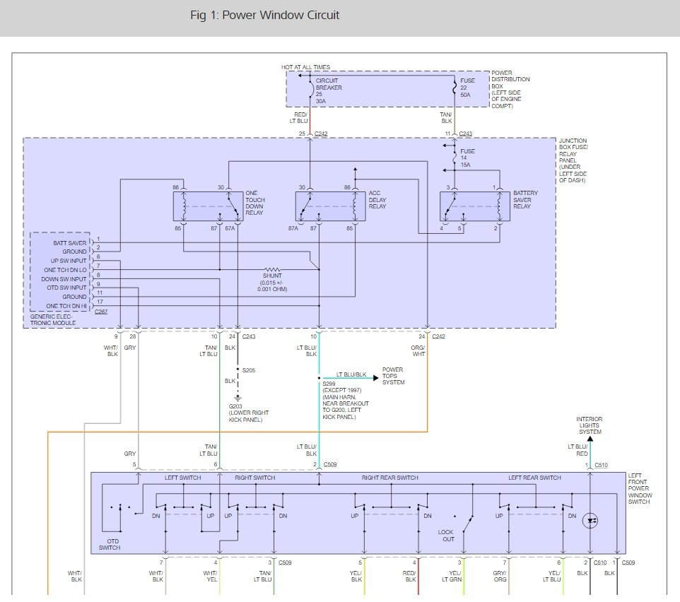
Power windows fuse location

Tiny
DUTTON
  • MEMBER
  • 1998 LINCOLN NAVIGATOR
  • 5.4L
  • V8
  • 200,000 MILES
None of my power windows work. Where is the fuse for power windows located?
Tuesday, June 27th, 2017 AT 11:11 AM

1 Reply

Tiny
KEN L
  • MASTER CERTIFIED MECHANIC
  • 55,535 POSTS
Hello,

There are a couple of fuses and some relays that run the system. Here are some guides and diagrams (below) to help you do some testing to figure out whats going on.

https://www.2carpros.com/articles/how-to-check-a-car-fuse

and

https://www.2carpros.com/articles/how-to-check-an-electrical-relay-and-wiring-control-circuit

and

https://www.2carpros.com/articles/how-to-use-a-test-light-circuit-tester

1 - 5 Amp Powertrain Control Module
2 - 20 Amp Trailer Tow Stop/Turn Lamps
3 - 10 Amp Audio Rear Integrated Control Panel, Compact Disc Changer, Radio
4 - 10 Amp Running Board Lamps
5 - 20 Amp Amplifier, Subwoofer Amplifier
6 - Not Used

Please run some tests and get back to us we are interested to see what it is.

Cheers, Ken
Was this
answer
helpful?
Yes
No
Thursday, June 29th, 2017 AT 11:48 AM

Please login or register to post a reply.