Power windows not working

Tiny
MARYLOPEZ
  • MEMBER
  • 2009 HYUNDAI SANTA FE
  • 3.3L
  • 6 CYL
  • 2WD
  • AUTOMATIC
  • 123,057 MILES
For the past few days none of my four windows won't go down. I have checked the fuses under the hood and inside. I have tried all the buttons on each window and still won't work. I took off the driver's side door panel and connected a new master control window switch and still nothing. I have no clue what else it could be. They all worked fine up until a few days ago. Can you please help me?
Sunday, December 19th, 2021 AT 3:38 PM

4 Replies

Tiny
JACOBANDNICKOLAS
  • MECHANIC
  • 110,192 POSTS
Hi,

I would be happy to help.

First, when you checked the fuse, did you confirm there is power to and from it? A fuse can be good but a problem before it prevents power from getting to it. If you haven't, there are two fuses (one for the left and one for the right) in the fuse box under the left side of the dash. Both are 30-amp fuses. I have a feeling when you checked them, they were good, but if you recheck for power to them, there isn't any. Please do that. Here is a link you may find helpful for this procedure:

https://www.2carpros.com/articles/how-to-check-a-car-fuse

If there is no power, then I need you to remove the power window relay in the same fuse box. First, if there is another relay with the same part number, switch them. If there isn't, here is a link showing how to check one:

https://www.2carpros.com/articles/how-to-check-an-electrical-relay-and-wiring-control-circuit

In addition to checking the relay, pay special attention to step 14 that explains how to jump the relay to see if the accessory then works. Please try that as well.

If that doesn't make a difference, then chances are the fusible link in the under-hood fuse box has failed.

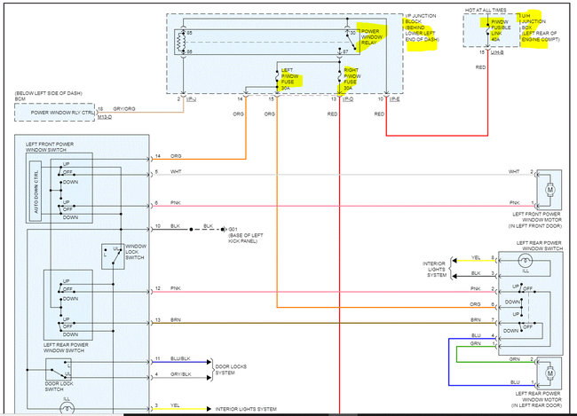
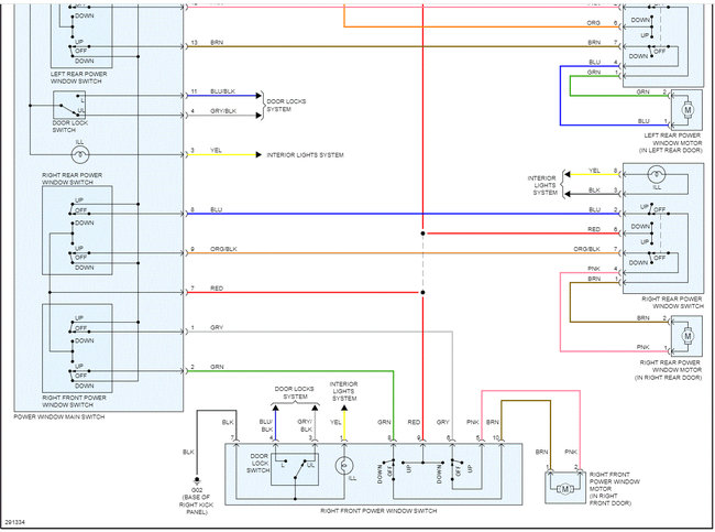
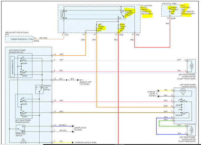
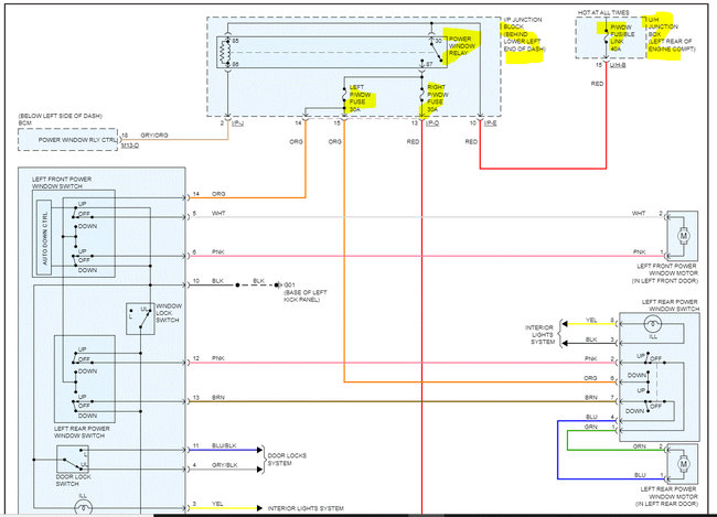
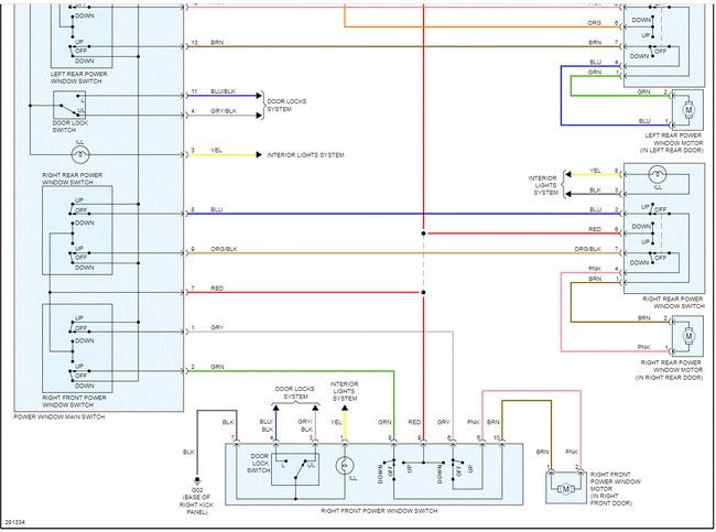
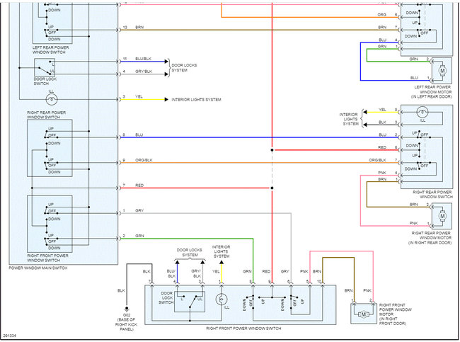
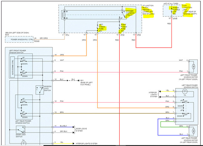
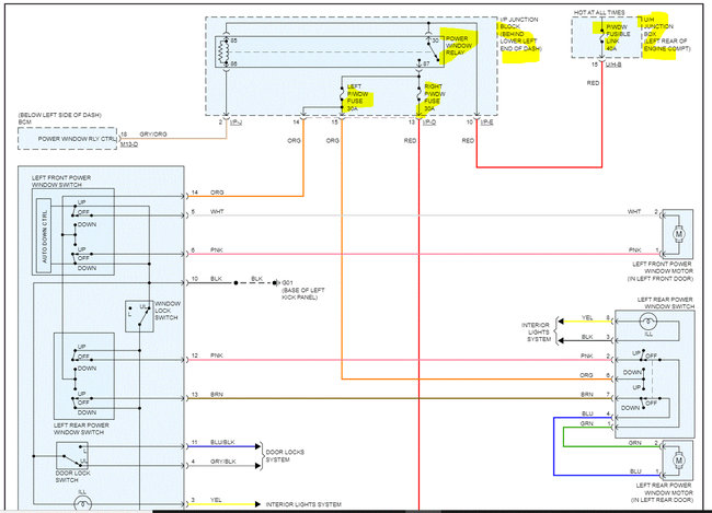
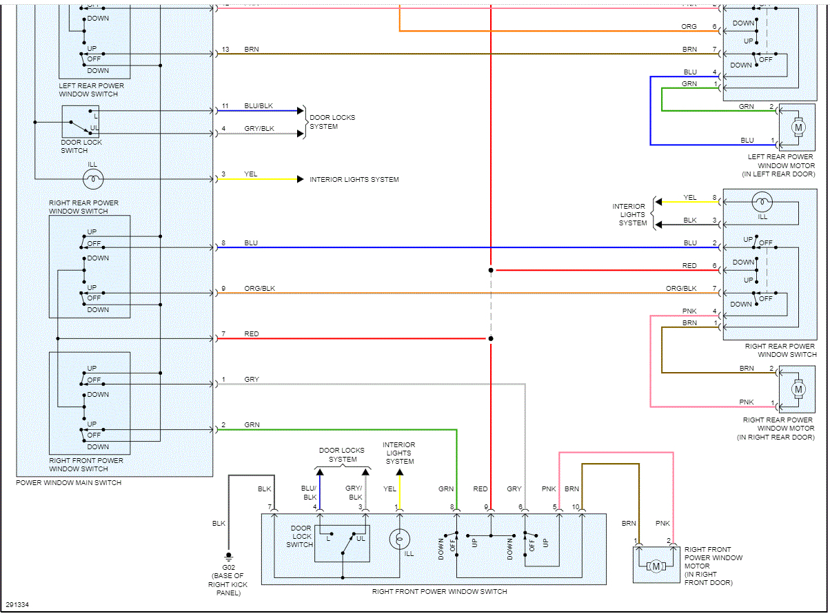
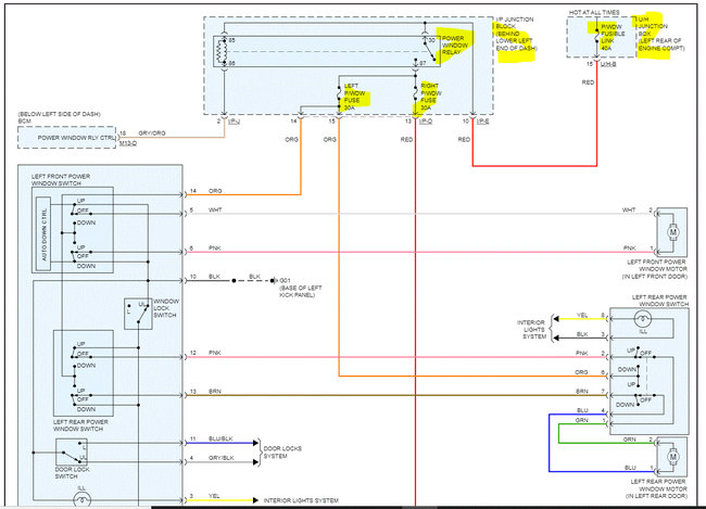
The first two pics below are the wiring schematic for the power windows. I had to cut one page in two to make it readable for you. I did overlap them for you.

The last two pics are the fuse boxes. Pic 3 is the under the hood box and pic 4 is the instrument panel box. I highlighted the fuse locations.

Let me know what you find or if you have questions.

Take care,

Joe

See pics below.
Was this
answer
helpful?
Yes
No
Sunday, December 19th, 2021 AT 8:12 PM
Tiny
MARYLOPEZ
  • MEMBER
  • 22 POSTS
I have checked both fuses 30amp inside with a tester light, I've touched both metal on the fuse and I've removed the fuse and checked where they connect and nothing. I also switched the relay fuse 40 with another and still nothing. I don't think it's getting any power. Can you send me a pic of the fusible link so I can check that out next?

Thanks
Was this
answer
helpful?
Yes
No
Monday, December 20th, 2021 AT 11:11 AM
Tiny
MARYLOPEZ
  • MEMBER
  • 22 POSTS
Is this the fusible link you mentioned?
Was this
answer
helpful?
Yes
No
Monday, December 20th, 2021 AT 11:26 AM
Tiny
JACOBANDNICKOLAS
  • MECHANIC
  • 110,192 POSTS
Hi,

No, that isn't it. Take a look at the pic above. I highlighted it. It is in the under-hood fuse box. I made a copy of your pic and highlighted its location in yellow.

Let me know what you find.

Take care.
Was this
answer
helpful?
Yes
No
Monday, December 20th, 2021 AT 6:32 PM

Please login or register to post a reply.