Thursday, June 15th, 2017 AT 5:46 PM
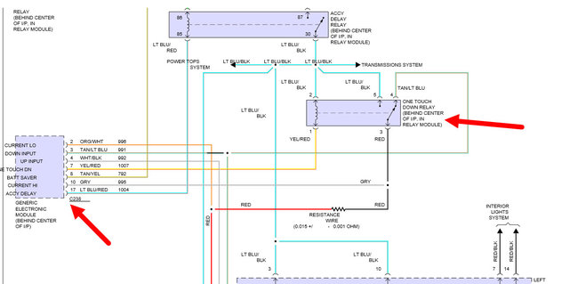
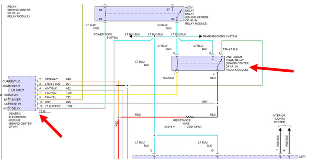
When placing transmission in reverse, or when in drive, and driving down the road, the driver power window will inch its way down a little at a time without anyone touching the power window buttons. I can power the window back up, but it will soon start going back down on its own. When in park, I do not seem to recall having this issue occur. The wipers will also start operating on their own with the wiper knob in the off-position, but not necessarily at the same time the window malfunctions. This also happens only while driving. Pulling the fuses is the only way to stop this from happening. I have already replaced the window and the wiper relays, the battery saver relay. That did not solve the problem.

