Power Windows Intermittent?

Tiny
SCOFOJO
  • MEMBER
  • 2014 CHEVROLET SILVERADO
  • 5.3L
  • V8
  • 4WD
  • 120,000 MILES
Driver's side switch (Master) drives driver window up and down.

Rt Front switch drives RF window up and down. M drives it up only.

LR switch drives LR window down only. M drives it up only.

RR switch drives RR window down only. M drives it up only.

This is mostly consistent but not always.
Wednesday, October 5th, 2022 AT 4:37 PM

9 Replies

Tiny
KEN L
  • MASTER CERTIFIED MECHANIC
  • 55,112 POSTS
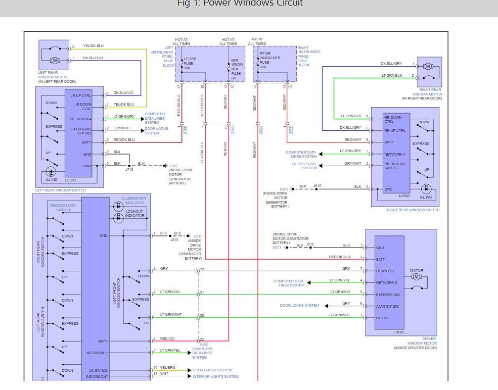
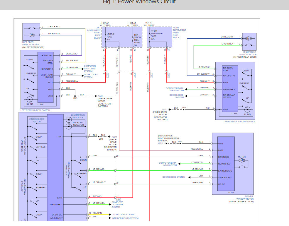
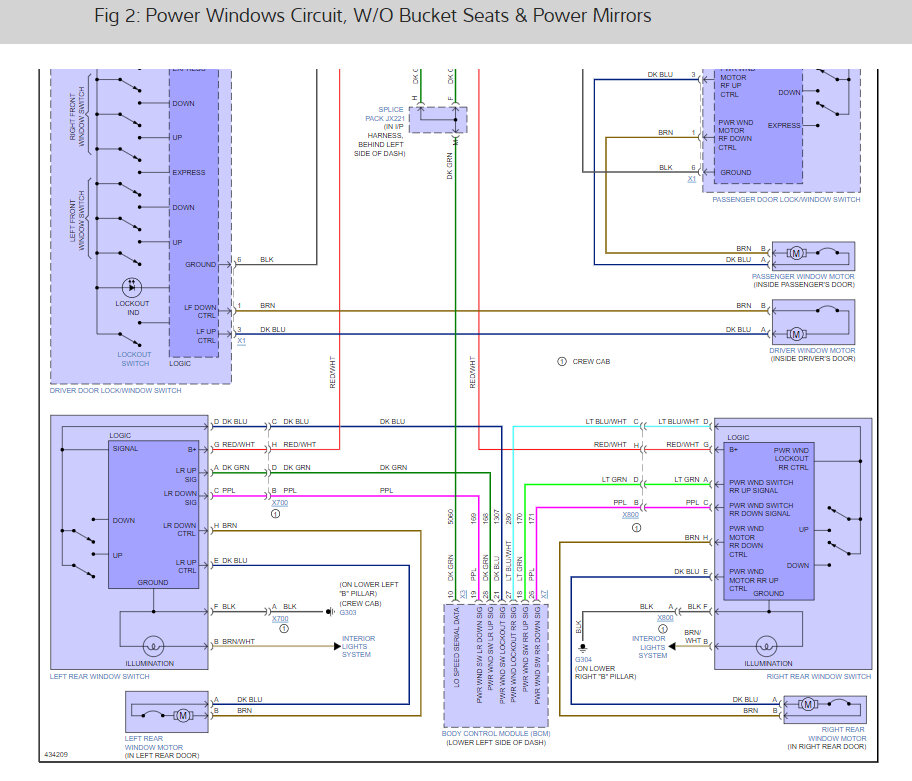
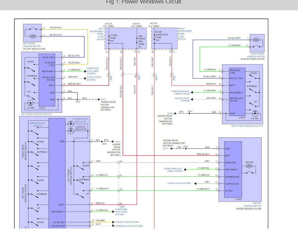
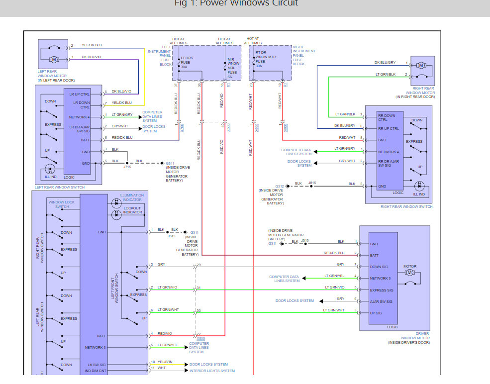
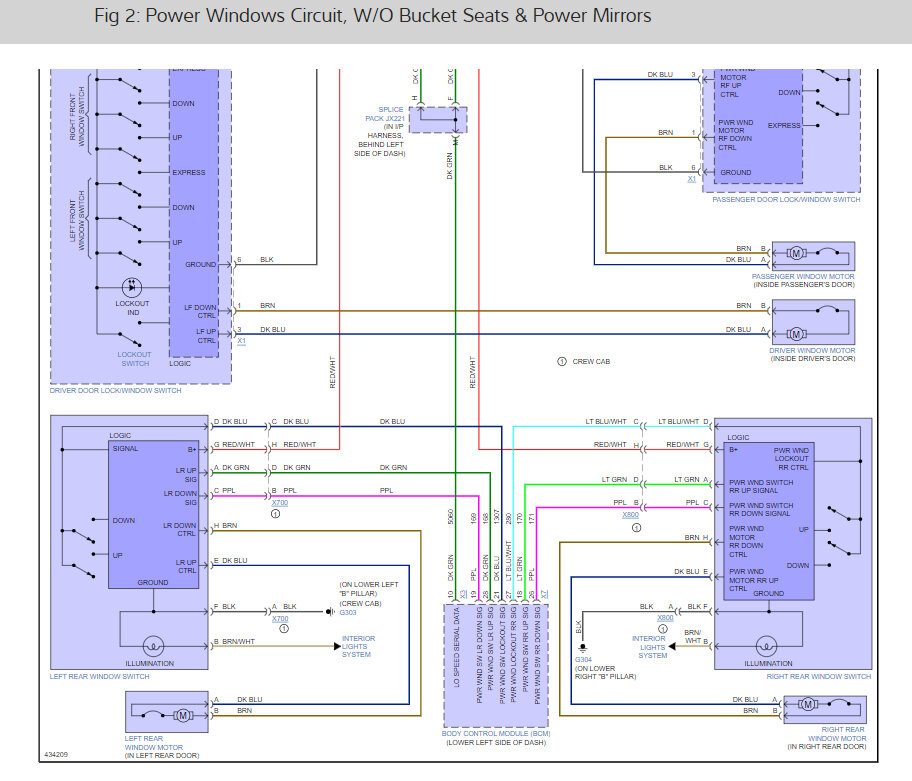
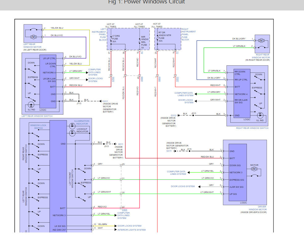
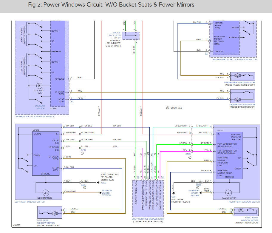
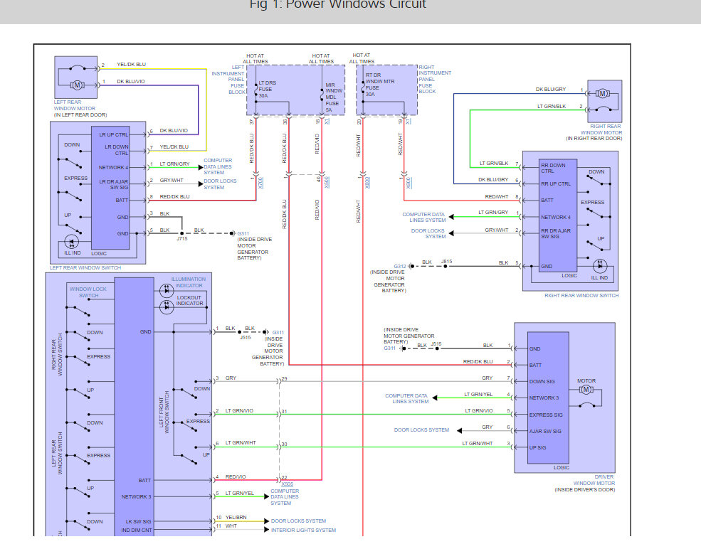
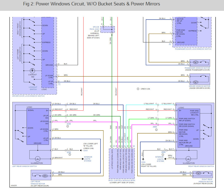
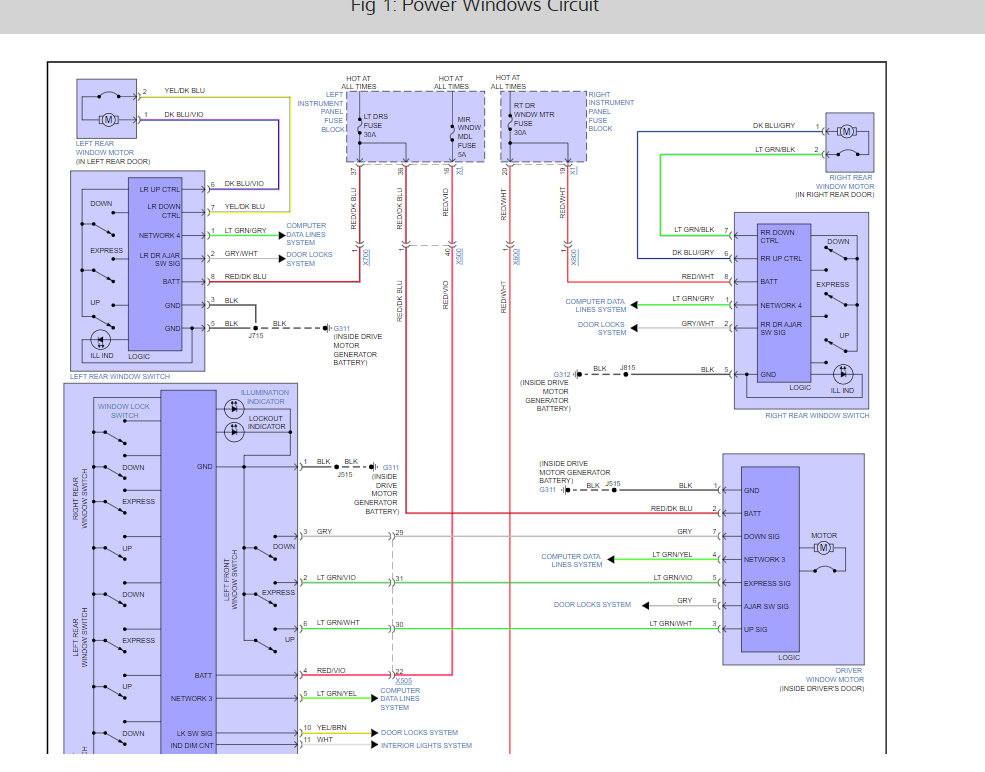
It sounds like the logic module has gone out in the master window switch, but to be sure here is a guide to help you check for power and the window wiring diagrams so you can see how the system works and which wires to test. Check out the images below to see how on your truck.

https://www.2carpros.com/articles/how-to-use-a-test-light-circuit-tester

and

https://www.2carpros.com/articles/electric-window-repair

I have included how to change the switch out in case you need it as well. The switch bezel pops off and the switch screws in from underneath. Check out the images (below). Please let us know what happens.
Was this
answer
helpful?
Yes
No
Thursday, October 6th, 2022 AT 9:22 AM
Tiny
SCOFOJO
  • MEMBER
  • 8 POSTS
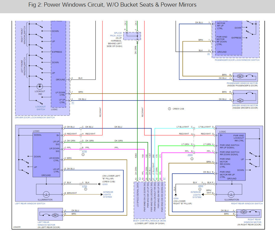
Thanks, Ken, unfortunately, the switch panel, number and colors of the wires don't match up with the diagrams you sent - perhaps because mine is a 4WD 2500 HD?
Was this
answer
helpful?
Yes
No
Thursday, October 6th, 2022 AT 2:46 PM
Tiny
KEN L
  • MASTER CERTIFIED MECHANIC
  • 55,112 POSTS
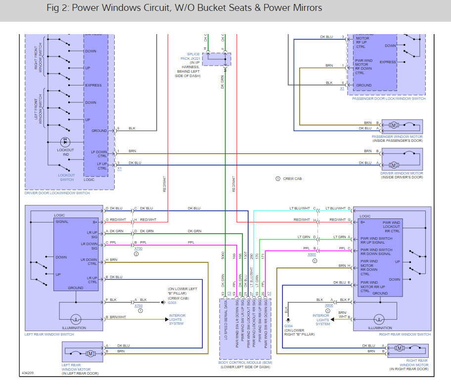
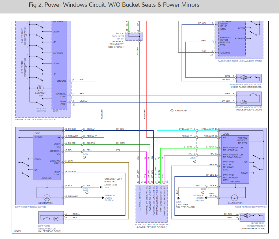
Okay, here is the other option for window switch controls, let me know at you find.
Was this
answer
helpful?
Yes
No
Friday, October 7th, 2022 AT 4:39 PM
Tiny
SCOFOJO
  • MEMBER
  • 8 POSTS
No, it doesn't match up. I was looking around on YouTube before I found you guys and one dude said the diagrams are all messed up for this vehicle, apparently. I appreciate your efforts but I sort of gave up and just ordered a new switch, only $20.00 so not too much of a loss if it doesn't fix it. Again, thanks for your help!
Was this
answer
helpful?
Yes
No
Friday, October 7th, 2022 AT 4:49 PM
Tiny
KEN L
  • MASTER CERTIFIED MECHANIC
  • 55,112 POSTS
Okay, please let me know what happens, I think the switch should fix it though.
Was this
answer
helpful?
Yes
No
Saturday, October 8th, 2022 AT 10:02 AM
Tiny
SCOFOJO
  • MEMBER
  • 8 POSTS
If the switch fixes it, I will be performing an autopsy on the failed unit, and I'll fill you in on what I find. Interestingly, I am retired from 40 years of aviation maintenance, with the last 25 years dedicated to specializing in a particular engine manufacturer's small turbine engines. I considered creating a space like this for the same reason, to help techs troubleshoot systems in which they had little or no experience. Since I dealt with those engines on a daily basis, I encountered a plethora of unusual issues and wanted to do what I could to share. Alas, aviation maintenance is tightly, federally regulated and is a ripe area for liability suits, often with no merit but uneducated juries can be swayed by lawyers. I am thankful you are willing and able to help folks out in the same way with your automotive expertise.
Was this
answer
helpful?
Yes
No
Saturday, October 8th, 2022 AT 1:43 PM
Tiny
KEN L
  • MASTER CERTIFIED MECHANIC
  • 55,112 POSTS
Yep, information on the internet is subjectable that's why we only allow educated experts to answer, we are not right all the time, but we feel we are better than most. Please let me know what you find out on the switch.
Was this
answer
helpful?
Yes
No
Monday, October 10th, 2022 AT 10:00 AM
Tiny
SCOFOJO
  • MEMBER
  • 8 POSTS
Switch fixed it. It's been malfunctioning for years. I never fixed it because the dealer said it could take literally thousands of dollars in guesswork and swapping out parts to find the problem. When I finally looked into a new switch last week and found they could be had for under $20.00 it was a no brainer to just try it. Unbelievable. Thank you for your help.
Was this
answer
helpful?
Yes
No
Thursday, October 13th, 2022 AT 5:17 AM
Tiny
KEN L
  • MASTER CERTIFIED MECHANIC
  • 55,112 POSTS
Yay us! Nice work, we are here to help, please use 2CarPros anytime. Can you please leave us a rating? (Copy entire link)

https://www.google.com/search?q=2carpros&gs_ivs=1#lrd=0x80dcd47364be5d0d:0xba091aa4209f4497,1,,,&tts=0

and

https://www.sitejabber.com/reviews/2carpros.com

Thank you
Was this
answer
helpful?
Yes
No
Thursday, October 13th, 2022 AT 3:01 PM

Please login or register to post a reply.