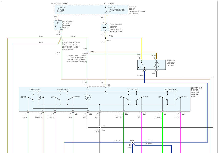
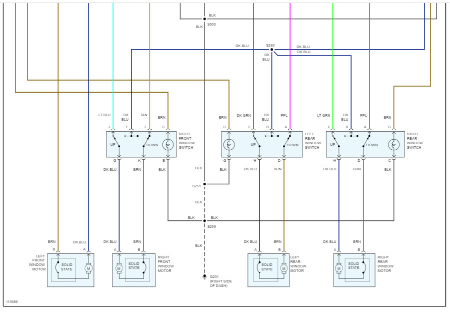
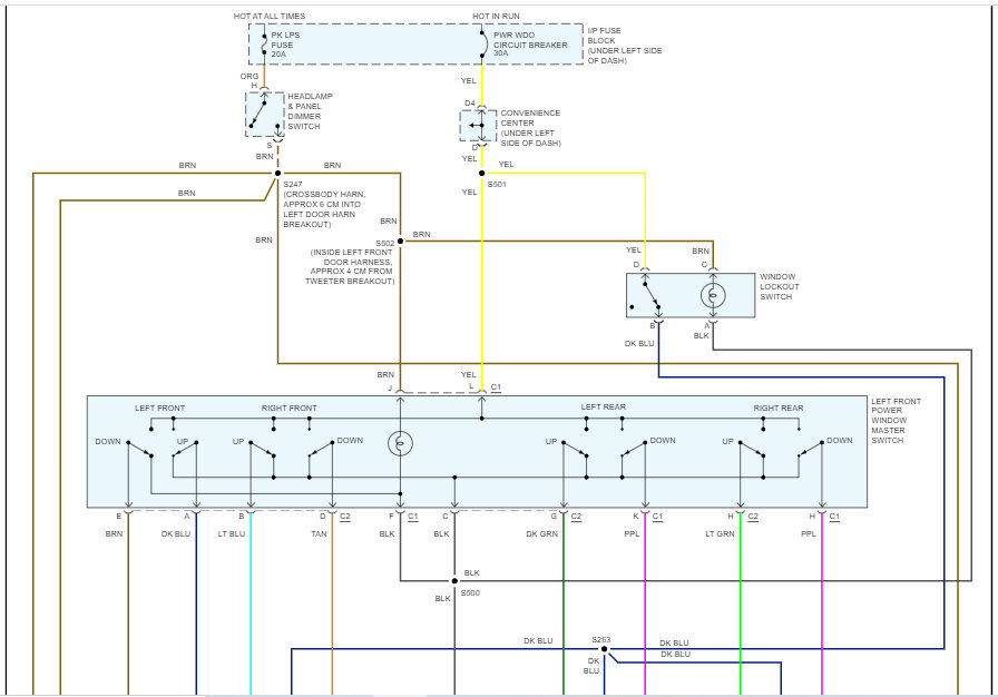
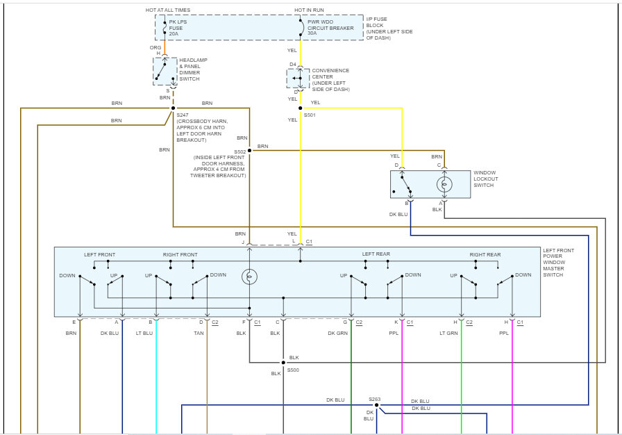
Power windows do not work, can I get the wiring diagram?

Tiny
SHERRY RUCKER
  • MEMBER
  • 1999 CHEVROLET SUBURBAN
  • 1.5L
  • V8
  • 4WD
  • AUTOMATIC
  • 230,000 MILES
Need wiring diagram for power windows.
Sunday, October 8th, 2023 AT 2:57 PM

1 Reply

Tiny
JACOBANDNICKOLAS
  • MECHANIC
  • 110,192 POSTS
Hi,

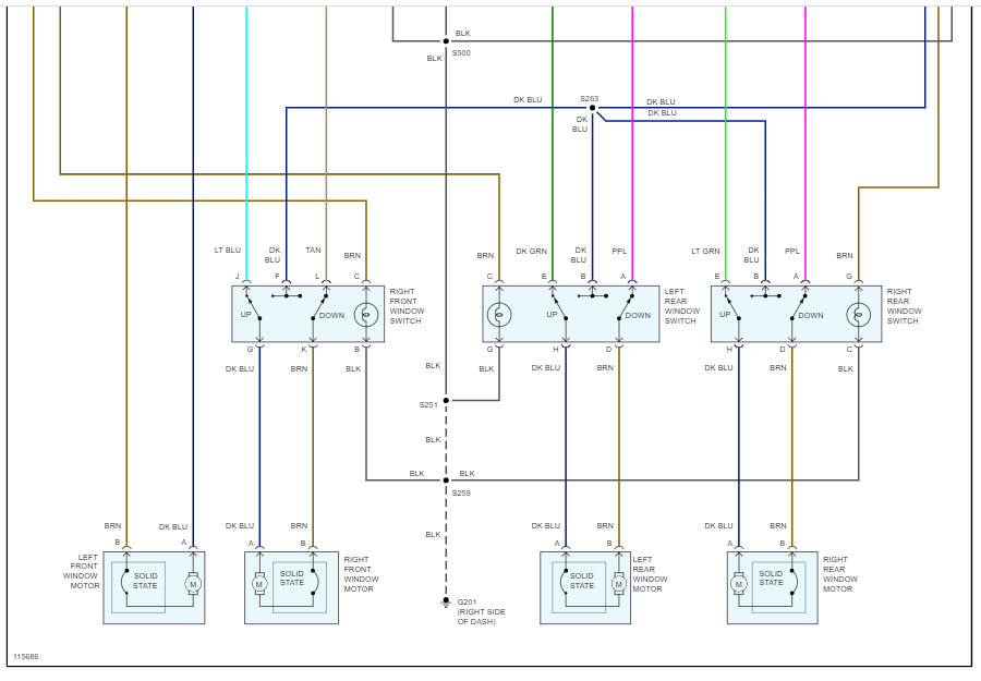
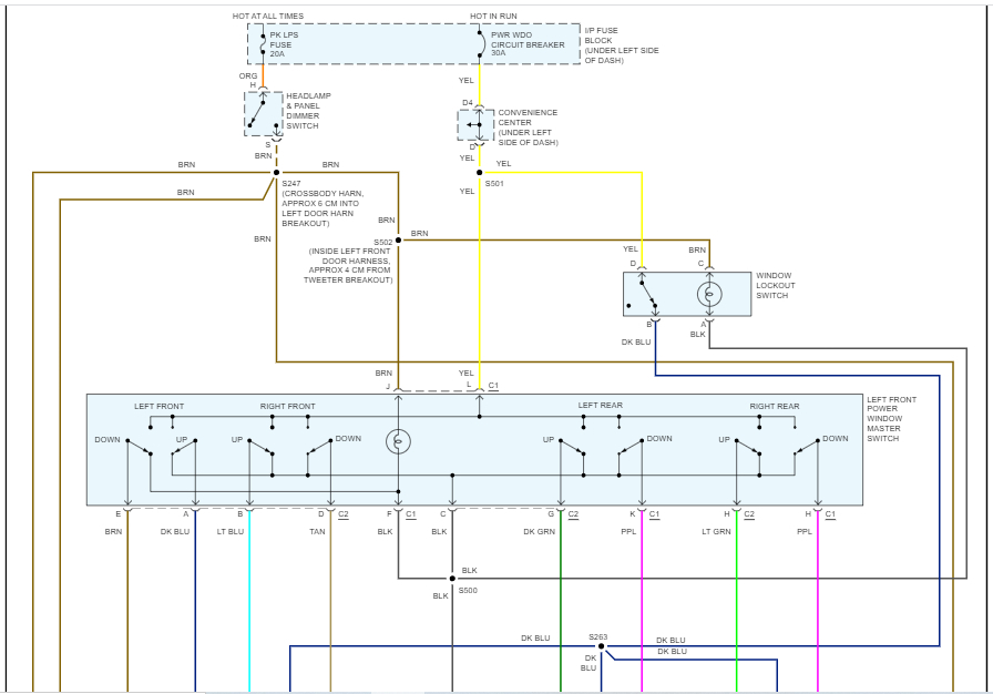
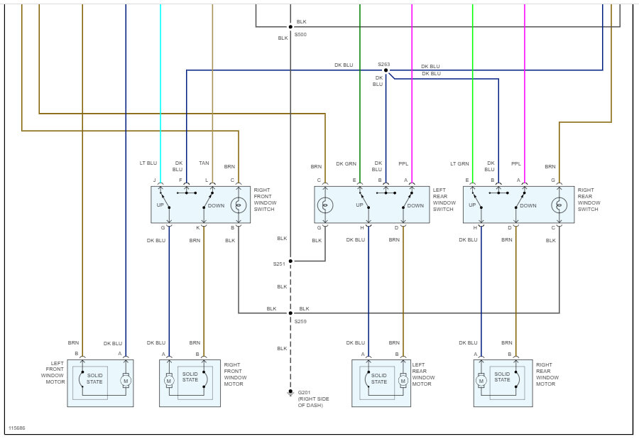
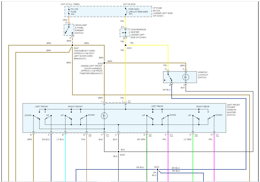
I attached the wiring schematic below for this vehicle. I had to cut the schematic in half to make them readable. I did overlap the two so you can follow from one to the next.

Take a look through them and let me know if you have questions or if I can help.

Take care,

Joe

See pics below.
Was this
answer
helpful?
Yes
No
Sunday, October 8th, 2023 AT 3:02 PM

Please login or register to post a reply.