Saturday, August 26th, 2023 AT 4:46 PM
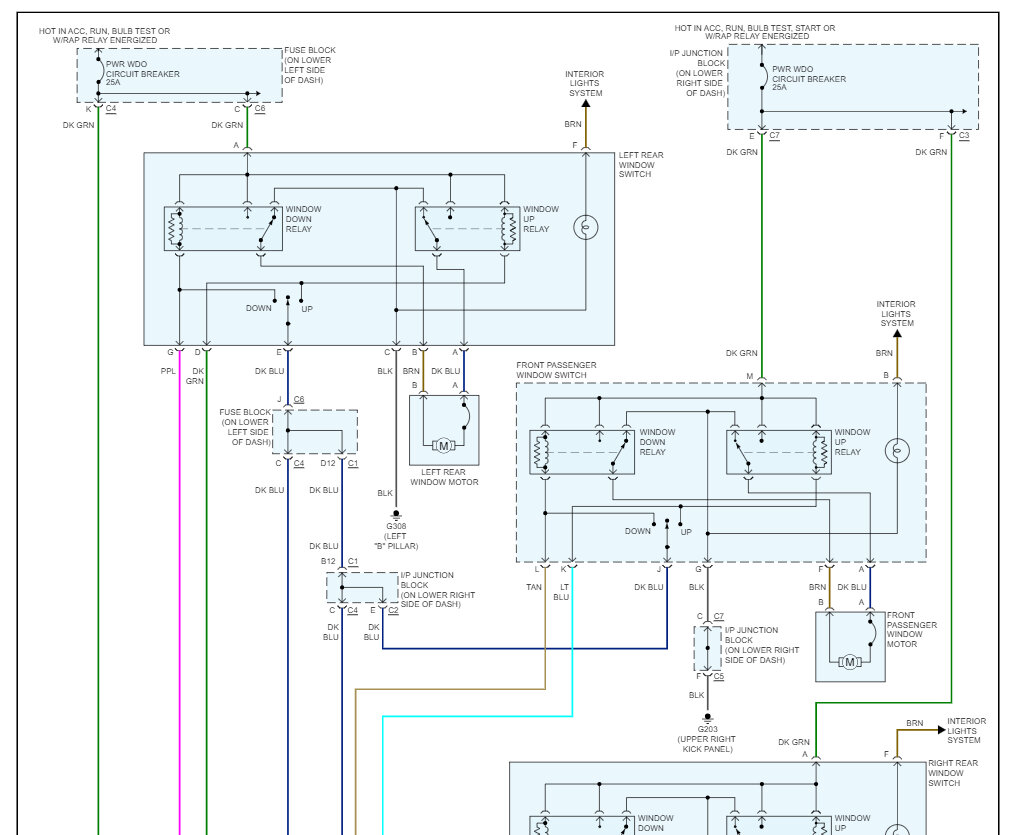
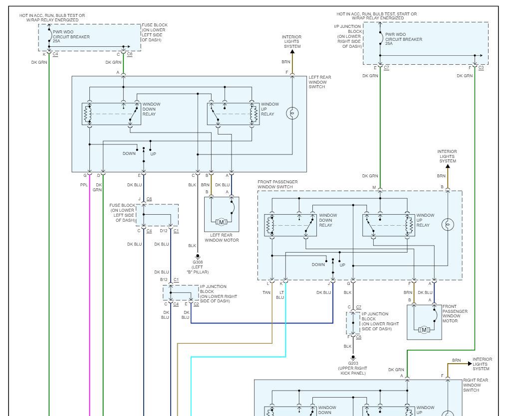
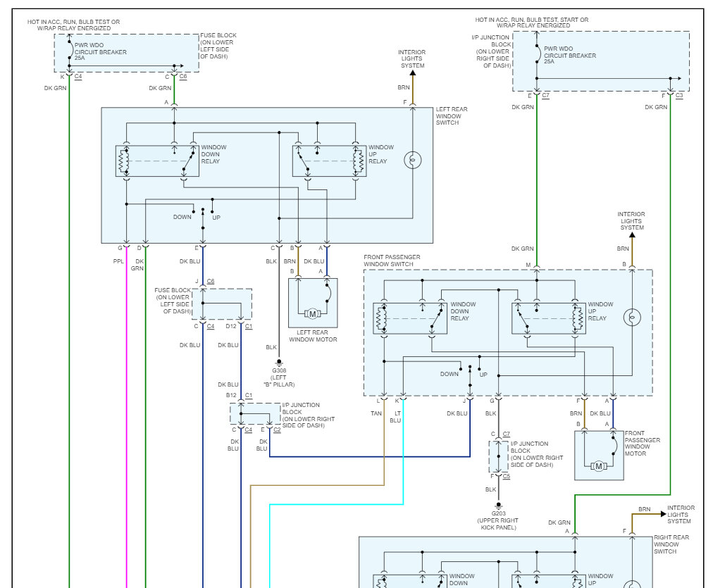
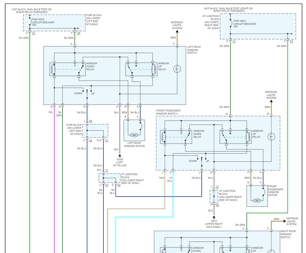
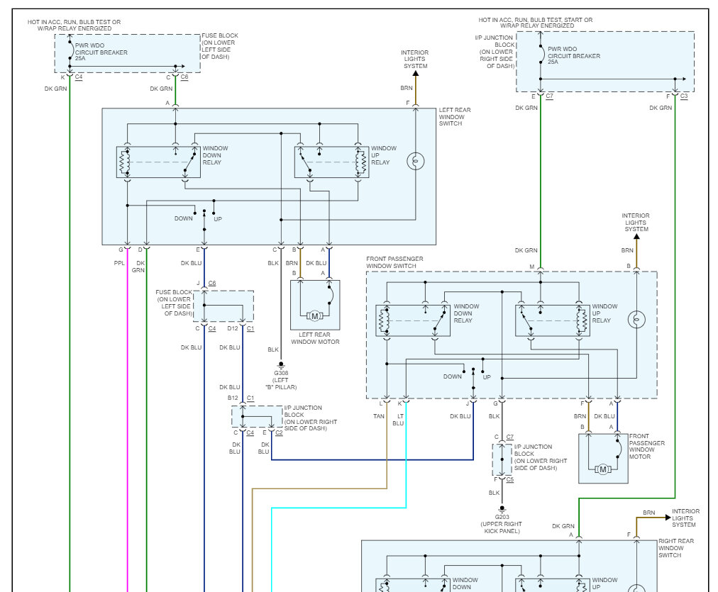
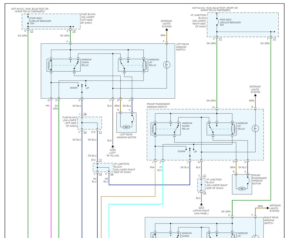
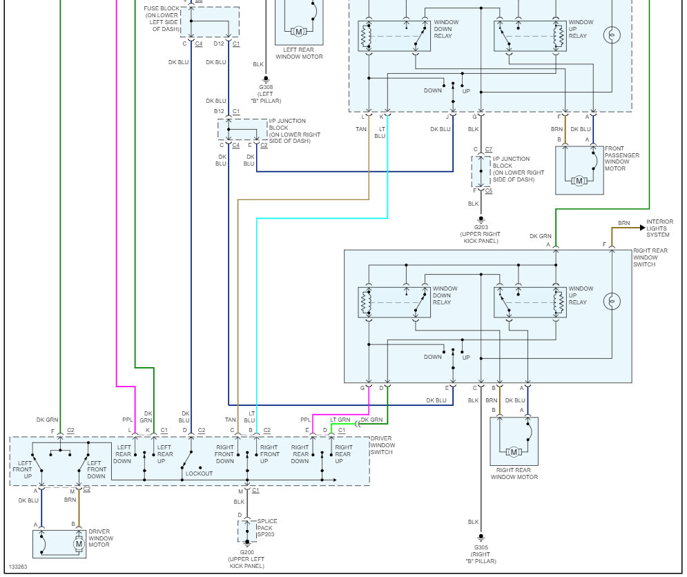
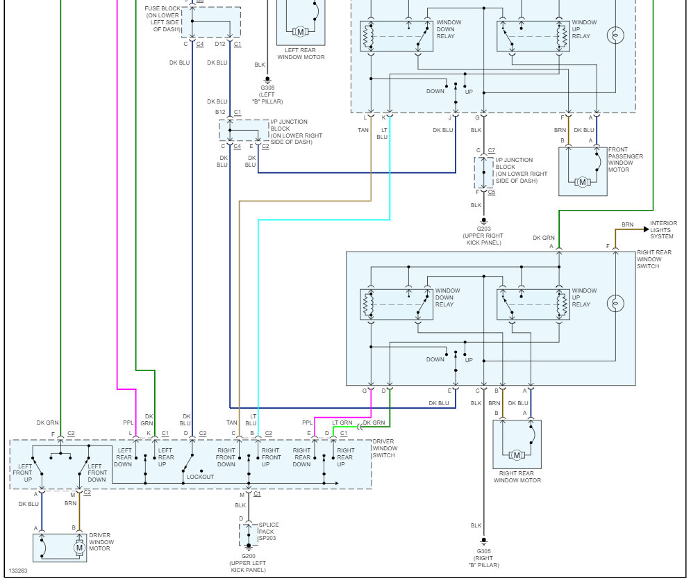
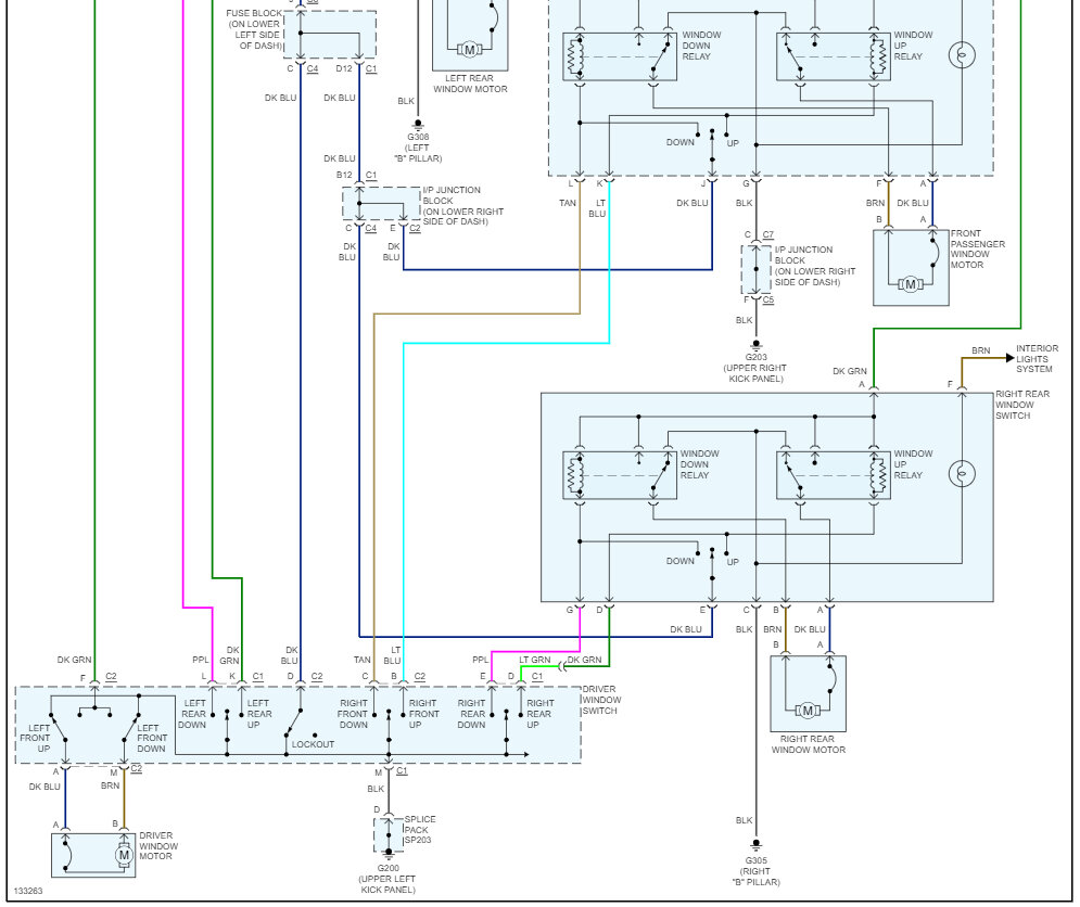
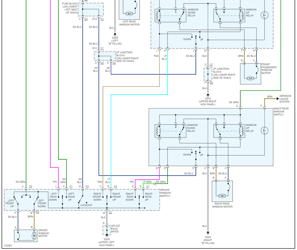
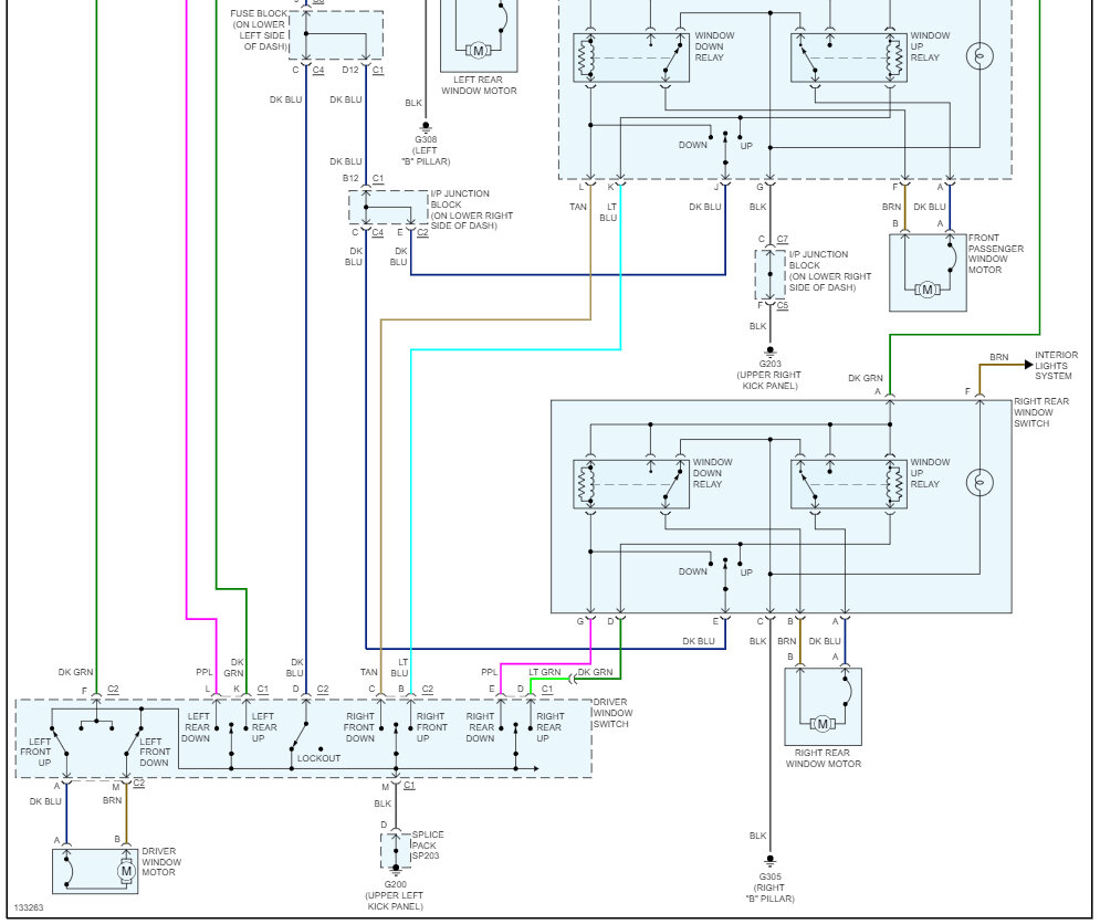
Hello, I did bodywork on my truck listed above four doors, 1500 HD. I had to take all 4 doors off my truck and now I have installed them back on. When I did that, I could control my front driver side and back passenger side window from the switch controller on the driver's side that should control all the windows. But I could control the other windows by using the switch on the door. Now I have lost control of the passenger back window and the switches on the other doors do not work. Now I only can control the driver's side window, and only lower the back passenger side window, but can't roll it back up. How do I fix this, and do you possibly have a wiring diagram for this truck?


