HOME
ASK A QUESTION
REPAIR GUIDES
BECOME A MEMBER
LOG IN
Login with Facebook
OR
Remember me
NOT A MEMBER?
FORGOT PASSWORD?
CONTACT US
PRIVACY POLICY
TERMS AND CONDITIONS
☰
Home
Ford
E-Series Van
Body
Window
Wiring
Power windows wiring diagrams needed
ROB GRANT
MEMBER
1989 FORD E-SERIES VAN
5.8L
22,000 MILES
Need to find power relays.
Sunday, October 6th, 2019 AT 12:00 PM
1 Reply
KASEKENNY
MECHANIC
18,907 POSTS
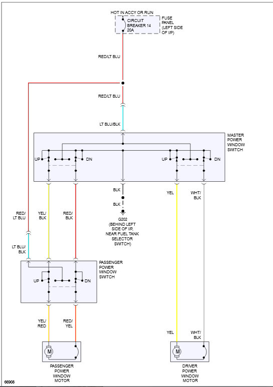
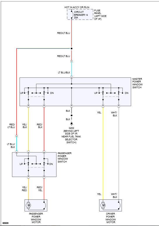
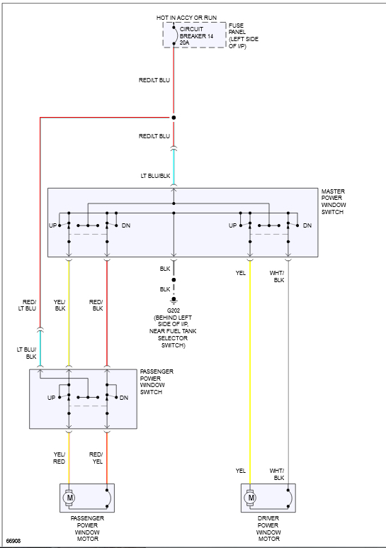
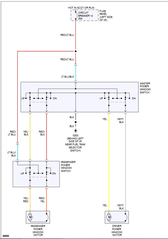
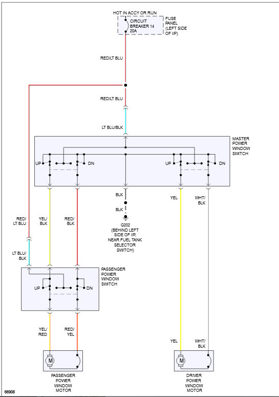
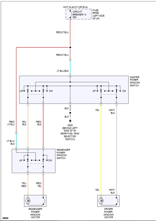
I am attaching the wiring diagram below. However, there is no relay for these windows.
There is a fuse and then the switches.
Please use this guide to help with testing the fuse and then the wiring:
https://www.2carpros.com/articles/how-to-check-a-car-fuse
https://www.2carpros.com/articles/how-to-check-wiring
Please run through this info and let me know what other questions you have.
Thanks
Image (Click to make bigger)
Was this
answer
helpful?
Yes
No
Friday, January 14th, 2022 AT 3:08 PM
Please
login
or
register
to post a reply.
Related Window Wiring Content
1998 Ford E-series Van Window Crank Cable Broken
The Cable For The Window Crank Has Broken. I Have Taken The Plastic Door Panel Off And There Is No Way To Open The Door Up Anymore. I Can't...
Asked by
dianneshrieves
·
1 ANSWER
1 IMAGE
1998
FORD E-SERIES VAN
1989 Ford E-series Van Power Windows
The Power Windows Work Very Weak They Need Help Up Or Down, This Van Is New To Me So Not Sure How Long This Has Been Going On?
Asked by
carpvinyl723
·
2 ANSWERS
1989
FORD E-SERIES VAN
1994 Ford E-series Van Wipers
Electrical Problem 1994 Ford E-series Van V8 Two Wheel Drive Automatic My Wipers Quit, Clicking From Passenger Side Dash When...
Asked by
tmack66
·
1 ANSWER
1994
FORD E-SERIES VAN
Have A 1995 Ford E150 Travel Time Van, How Do I Find...
Have A 1995 Ford E150 Travel Time Van, How Do I Find Where To Get A Side Window?
Asked by
Anonymous
·
1 ANSWER
1995
FORD E-SERIES VAN
Ask a Car Question. It's Free!
Window Switch Replacement and Test
Door Panel Removal
Door Lock Replacement