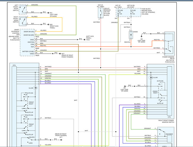
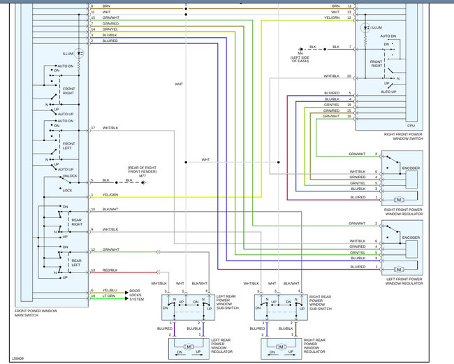
Sunday, January 26th, 2020 AT 10:20 AM
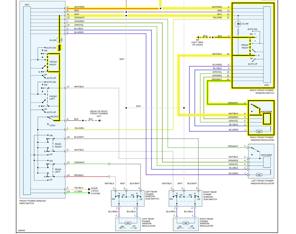
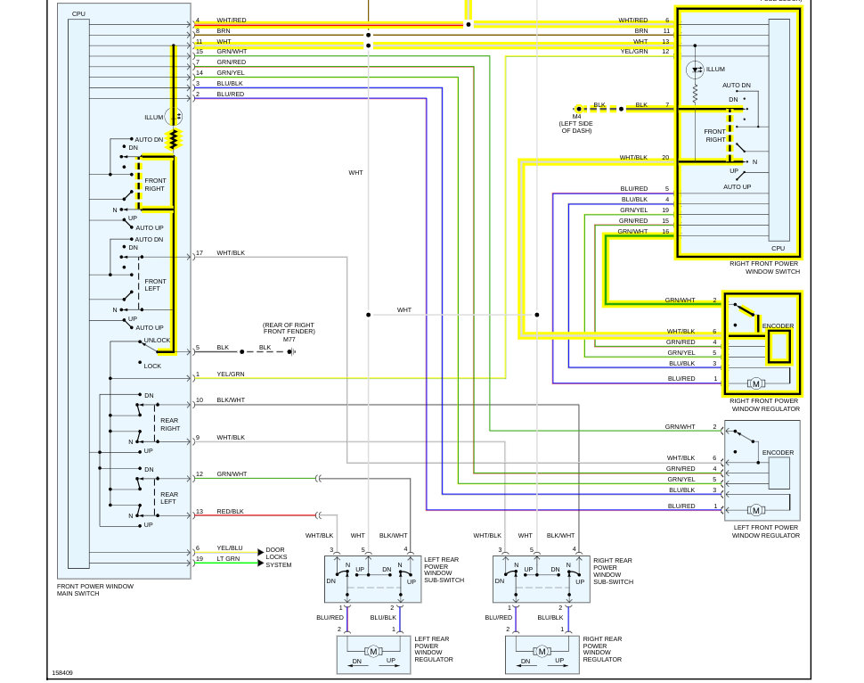
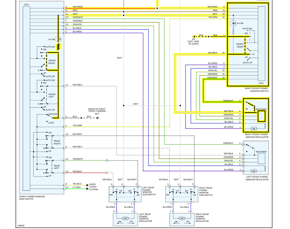
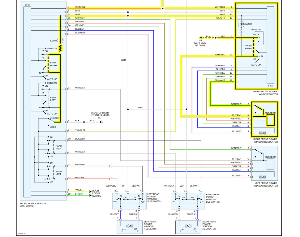
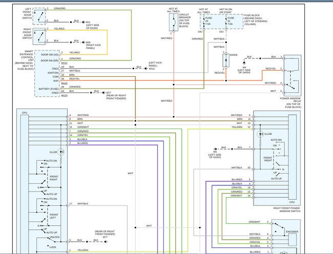
All the other windows and locks work. There is a 40 amp fuse under the hood on the right side for the windows, it's good. I cannot find no other fuses. Is there any fusible links?











