power running board installation?

2013 FORD F-150
90,000 MILES
Avatar
LINO GALMOT
  • MEMBER
  • 22 POSTS
Hi, I have the truck listed above and I want to install a power running board. I removed it from another truck and want to install it in mine. I'd be interested in getting the wiring diagram so I can try to install it, since it's a Ford original. I don't know if you can get it for me.
Mar 31, 2025 at 3:49 PM
Repair Safety Notice: This information is for general instructional purposes only. Vehicle repair can be dangerous. Verify all information, follow manufacturer service procedures, use proper tools and safety equipment, and consult a qualified repair shop when needed.
Advertisement
Avatar
STEVE W.
  • CAR REPAIR CONTRIBUTOR
  • 15,148 POSTS
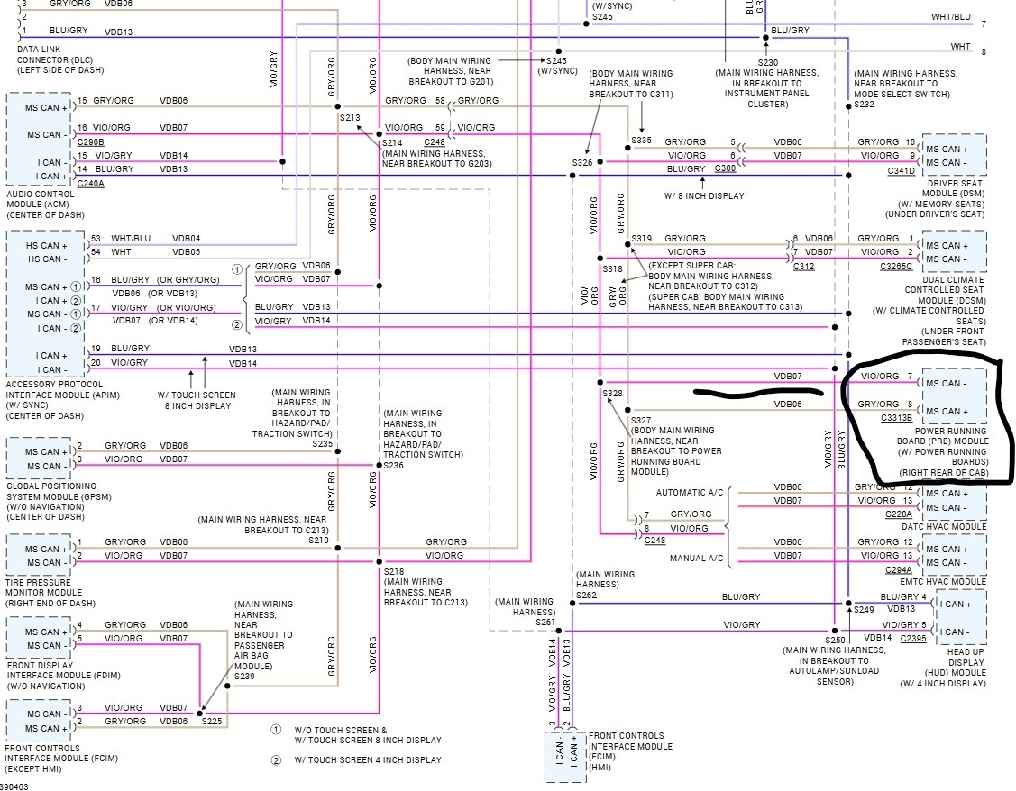
Attached are the wiring for the module that controls the boards and how they are mounted. You will need the control module (9L3Z-14C177-B) that mounts to the rear wall of the cab and the harness that connects it to the rest of the truck. On some the harness is there but it depends on the option package. You also need the switch panel that allows manual operation. Once installed you need a scan tool to go in and activate the option code to make them operate.
I think FORScan has the ability to activate them, but you would need to ask them specifically. They cannot be set up to simply extend and retract with a switch because the motors use signal feedback on the CAN network for the module and switch to work.
Mar 31, 2025 at 5:48 PM
Advertisement
Avatar
LINO GALMOT
  • MEMBER
  • 22 POSTS
Thanks for responding. I appreciate it. That's the module I have. I only have the power and ground wires located, obviously the ones that connect to the motors, but I can't find where the others connect.
Mar 31, 2025 at 7:18 PM
Avatar
LINO GALMOT
  • MEMBER
  • 22 POSTS
This is the module I have.
Mar 31, 2025 at 7:23 PM
Avatar
STEVE W.
  • CAR REPAIR CONTRIBUTOR
  • 15,148 POSTS
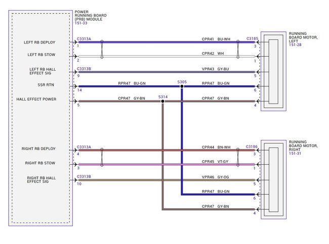
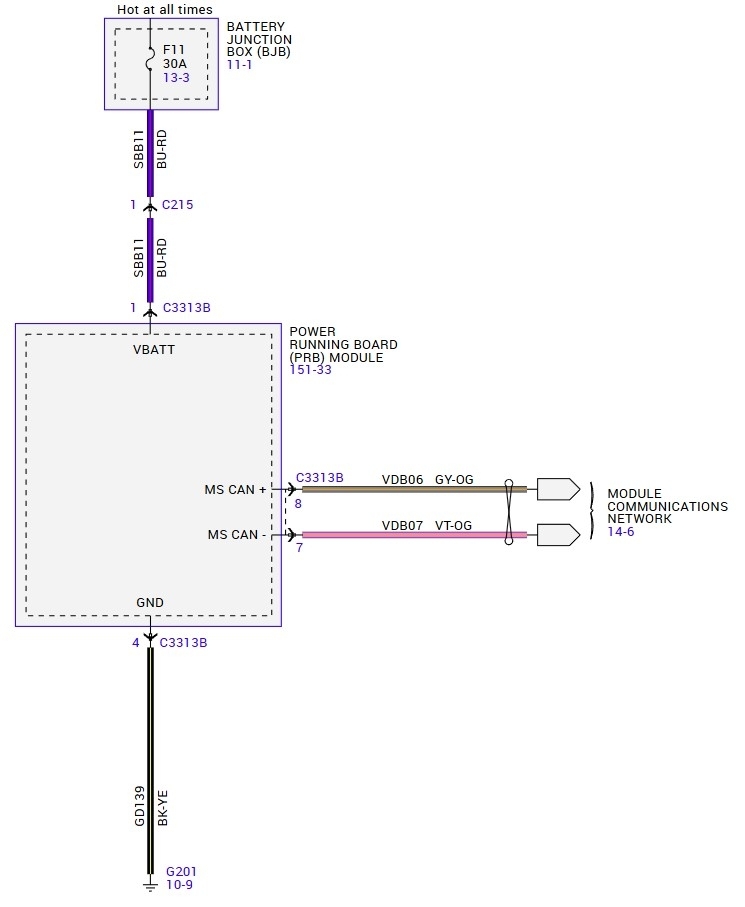
Yes, that is the control module. The wiring for the truck to the module is the Blue with red wire to battery positive, Black with yellow is the ground, then the two CAN lines that go to the network are on pins 7 and 8. The other 8 wires go to the boards and their sensors as the second diagram shows. It looks like you have the major components, you don't have the dash switch though. That allows you to select deploy - retract - or automatic. That connects to the CAN bus and signals the BCM and board module. Not something that you can control with a toggle switch though.
Mar 31, 2025 at 8:22 PM
Avatar
LINO GALMOT
  • MEMBER
  • 22 POSTS
Do you mean this one?
Mar 31, 2025 at 8:47 PM
Avatar
LINO GALMOT
  • MEMBER
  • 22 POSTS
The communications network module is this? Apology.
Mar 31, 2025 at 9:02 PM
Avatar
STEVE W.
  • CAR REPAIR CONTRIBUTOR
  • 15,148 POSTS
No the network is already in the truck you want to install them on. The module connects to that network. That connector may already be in place. It would be on the back wall of the cab behind the trim panel, under the rear window.
Apr 1, 2025 at 1:05 AM
Avatar
LINO GALMOT
  • MEMBER
  • 22 POSTS
Could you send me an image so I can identify the communications network module? I looked for it in the area you indicated, at the rear of the cabin, below the window. I only found the rear power window motor and connector, but nothing else.
Apr 1, 2025 at 10:39 AM
Avatar
LINO GALMOT
  • MEMBER
  • 22 POSTS
2013 ford f150pls
Apr 1, 2025 at 10:40 AM
Avatar
LINO GALMOT
  • MEMBER
  • 22 POSTS
Hello.
Apr 1, 2025 at 2:27 PM
Avatar
STEVE W.
  • CAR REPAIR CONTRIBUTOR
  • 15,148 POSTS
Those two wires go to the medium speed CAN network that connects many of the modules in the truck. Those are the highlighted wires in the first diagram. The box that you have with the connectors mounts to the rear wall of the cab. If it has the connectors there already then great, however I believe they are only installed when the truck is ordered with those boards as an option. As such you need to sort out the wires to each board first. Then you have a power and ground and the two wires you question which connect to the network using a plug that should be in place behind the trim panel where the module mounts under the rear window in the area that the window motor connector is. The third image shows where the module you have should mount and where the connectors would be if your truck has them. If you don't find them then you will need to make a harness for the three pieces you have.
Apr 1, 2025 at 10:10 PM
Avatar
LINO GALMOT
  • MEMBER
  • 22 POSTS
Hi Steve, good morning. Yes, my truck doesn't have the connectors for the power running board module. It only has the connector for the rear window motor and the heated windows. So, I'll have to troubleshoot them or make the connections, which I think will be difficult since I don't have much experience reading the diagrams you sent me. By the way, thank you very much. I'll try it out and let you know how it goes. Thanks so much for your time.
Apr 2, 2025 at 11:16 AM
Avatar
STEVE W.
  • CAR REPAIR CONTRIBUTOR
  • 15,148 POSTS
Yeah it looks like they didn't put them on the trucks that didn't have the option package. That means you will need to make the harness. It isn't really that difficult. You just match up the colors between the two sides to the connectors you already have. So, for the left sideboard (drivers' side) you need the blue and white twisted pair plus a gray w blue, a blue w green and a gray w brown wire. So, 5 wires that should go to the connector that you have with the large boot on it, one of them likely already has those colors in it. The right side would be the brown with white and violet with gray then a gray with orange and the same blue with green and gray with brown wires that you used on the other side. It looks like there are stubs for all of those in the connectors you have for the module. Then there are 4 wires that connect to the truck side, those are the gray with orange and violet with orange that will connect to the network and the power (Blue w red) and ground (black with yellow)
Now if you look Ford was nice and used mostly different colors except they re-used the gray with orange. However, they are on two different pins in the connectors, and they go to different locations.
So, you would end up with one harness with 5 wires that would go from the module out to the driver's side, another with 5 wires to the passenger side and the last with 4 wires that would end up going up to the front of the truck. And could actually be tied into the truck near the OBD connector to make it easier.
Apr 2, 2025 at 11:53 AM
Avatar
LINO GALMOT
  • MEMBER
  • 22 POSTS
I made these simulating connections but i still have the same problem. I can't find where the two already marked cables are going to be connected.
Apr 2, 2025 at 5:53 PM
Avatar
LINO GALMOT
  • MEMBER
  • 22 POSTS
Both connections.
Apr 2, 2025 at 5:55 PM
Avatar
LINO GALMOT
  • MEMBER
  • 22 POSTS
QA
Apr 2, 2025 at 6:22 PM
Avatar
STEVE W.
  • CAR REPAIR CONTRIBUTOR
  • 15,148 POSTS
They connect to the trucks data lines. You won't find them out in the open because they only run to the modules that use them. However, you can find a set of them at the ALDL connector where you plug in a scan tool. They are at pins 3 (Gray w orange) and 11(Violet w orange) For testing you could add pins to plug into the front of the connector. There are other modules that you could tap into but running them to the ALDL would be easier and in the event, they caused a problem during testing you have easy access. Once they are tested and working then you could trace the wires back and splice into them up behind the dash.
Be sure to put a 30-amp fuse on the positive power lead. Once you have tested them you can use crimp and seal connectors to make the connections. Just be aware you will also need the switch that goes in the dash that controls the board options and will likely need to have the option enabled as your truck wasn't set up at the factory for them.
Apr 2, 2025 at 8:18 PM
Avatar
LINO GALMOT
  • MEMBER
  • 22 POSTS
Thanks a lot, Steve. I'll do that tomorrow. Do you know where I can get the switch you mentioned on the board?
Apr 2, 2025 at 8:39 PM
Avatar
STEVE W.
  • CAR REPAIR CONTRIBUTOR
  • 15,148 POSTS
I never really looked into it but if it's typical Ford it is made as part of a switch panel that covers the option. So similar to the switch for the rear window it will be in a panel. Then once the option is enabled you should have the options show up in the dash to control how they operate. There are a few videos on them like this. That might let you avoid the switch.
https://www.youtube.com/watch?v=g2YxwxxfZeQ
Apr 2, 2025 at 8:54 PM
Avatar
LINO GALMOT
  • MEMBER
  • 22 POSTS
Okay, Steve. thanks
Apr 2, 2025 at 9:25 PM
Avatar
STEVE W.
  • CAR REPAIR CONTRIBUTOR
  • 15,148 POSTS
There is a company (AMP research) that makes an aftermarket unit that is a similar system but more "universal" They use an adapter harness to plug into the OBD port for the control signals so tapping into the MCAN behind the socket should work. If you test them and the menu is available in the driver's options in the dash, they might just work without the extra switch.
Apr 3, 2025 at 6:43 AM
Avatar
LINO GALMOT
  • MEMBER
  • 22 POSTS
Hi Steve! I think I'm going to need the switch because my truck's dashboard menu doesn't mention anything about the running boards. I looked in the options and it doesn't tell me or mention anything about the running boards.
Apr 3, 2025 at 8:33 AM
Avatar
LINO GALMOT
  • MEMBER
  • 22 POSTS
If I find this switch of the brand you mention, now that I leave my job, I will test it and let you know what happens.
Apr 3, 2025 at 8:36 AM
Avatar
STEVE W.
  • CAR REPAIR CONTRIBUTOR
  • 15,148 POSTS
I would plug in the boards and then see if it shows up, if it doesn't, test the boards and see if they operate. There is nothing in service info about adding them, just how to repair them.
Apr 3, 2025 at 12:47 PM
Avatar
LINO GALMOT
  • MEMBER
  • 22 POSTS
Hi Steve! Bad news... it's not working. I did all the steps, and it didn't work. I checked the dashboard to see if it was receiving any signals, but it wasn't.
Apr 3, 2025 at 1:13 PM
Avatar
LINO GALMOT
  • MEMBER
  • 22 POSTS
OBD
Apr 3, 2025 at 1:14 PM
Avatar
STEVE W.
  • CAR REPAIR CONTRIBUTOR
  • 15,148 POSTS
Not a surprise, Ford likely doesn't have it in there as a plug and play option, but rather one where a dealer goes in and enters the option code to make it work. That way they can charge you extra for the programming. The others do similar things, like the fog lights that are options on Chryslers, you can put all the parts on the vehicle but without the option code activated they won't work.
Apr 3, 2025 at 1:30 PM
Avatar
LINO GALMOT
  • MEMBER
  • 22 POSTS
Oh okay, I'll call Ford to ask if they can do it and how much they charge, I'll let you know.
Apr 3, 2025 at 1:43 PM
Avatar
STEVE W.
  • CAR REPAIR CONTRIBUTOR
  • 15,148 POSTS
Good luck.
Apr 3, 2025 at 1:45 PM
Avatar
LINO GALMOT
  • MEMBER
  • 22 POSTS
Hi Steve, I'll tell you! I went to ask Ford to activate the code for the running boards, and they told me they can't do it. Unless you buy all the equipment from them and install it at Ford under warranty, I've decided to stop installing it.
Apr 7, 2025 at 4:33 PM
Avatar
LINO GALMOT
  • MEMBER
  • 22 POSTS
I found these AMP brand connections. Do you think they will work with the original Ford stirrups I have?
Apr 7, 2025 at 4:43 PM
Avatar
STEVE W.
  • CAR REPAIR CONTRIBUTOR
  • 15,148 POSTS
It should, they use the OE boards with kits to install them on other makes as well.
Apr 8, 2025 at 10:28 AM