Thursday, May 3rd, 2018 AT 7:46 PM
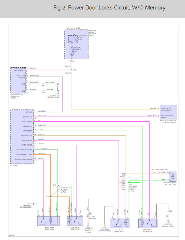
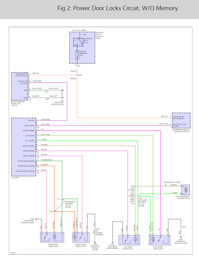
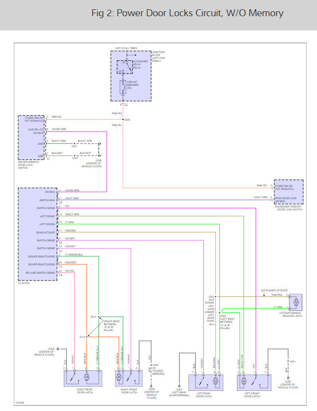
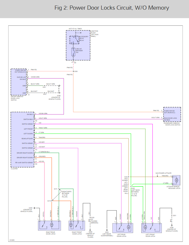
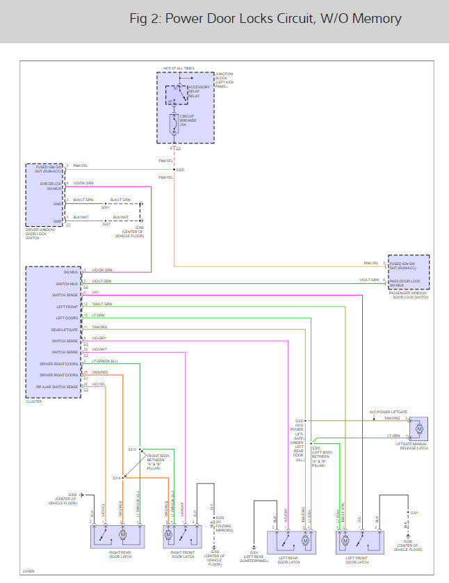
I can only lock and unlock the doors manually. The power locks on the arm rest and the FOB do not work. Windows work fine. I also do not have access to the back because the lift door will not unlock. Any ideas? The fuse looks fine on it.









