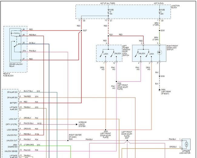
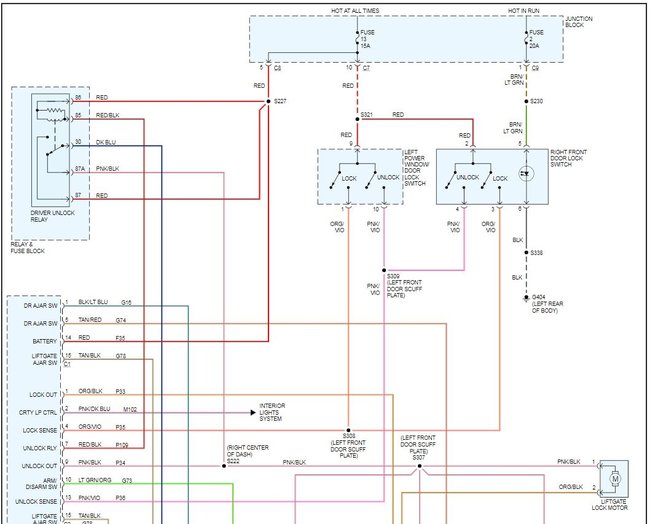
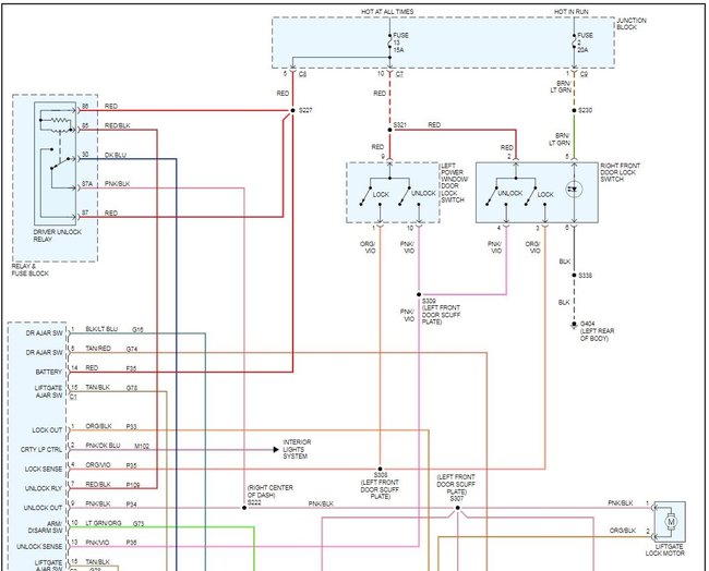
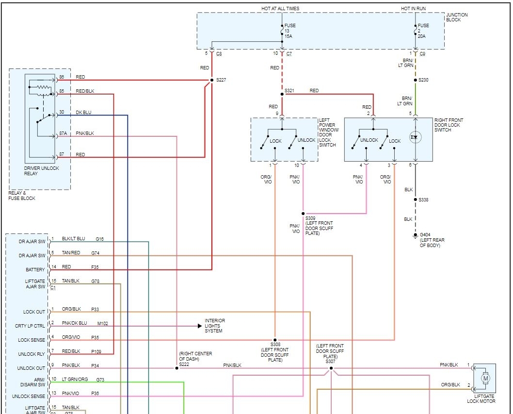
Tuesday, May 25th, 2010 AT 2:49 PM
I recently had the heater core replaced in my durango. Now my power doors locks will unlock the doors but will not lock the doors. It seems like everyone once in a while it will work and other times not. Could this be a grounding problem or something else going on?



